Запчасти Komatsu GD28AC-1 ГИДРОЛИНИЯ (ЦИЛИНДР СОЧЛЕНЕНИЯ ЛИНИЯ) РАБОЧЕЕ ОБОРУДОВАНИЕ И ГИДРАВЛ СИСТЕМА УПРАВЛЕНИЯ

Схема запчастей Komatsu GD28AC-1 - ГИДРОЛИНИЯ (ЦИЛИНДР СОЧЛЕНЕНИЯ ЛИНИЯ) РАБОЧЕЕ ОБОРУДОВАНИЕ И ГИДРАВЛ СИСТЕМА УПРАВЛЕНИЯ
FIT
1:1
100%

Артикул

Название

Примечание

Количество

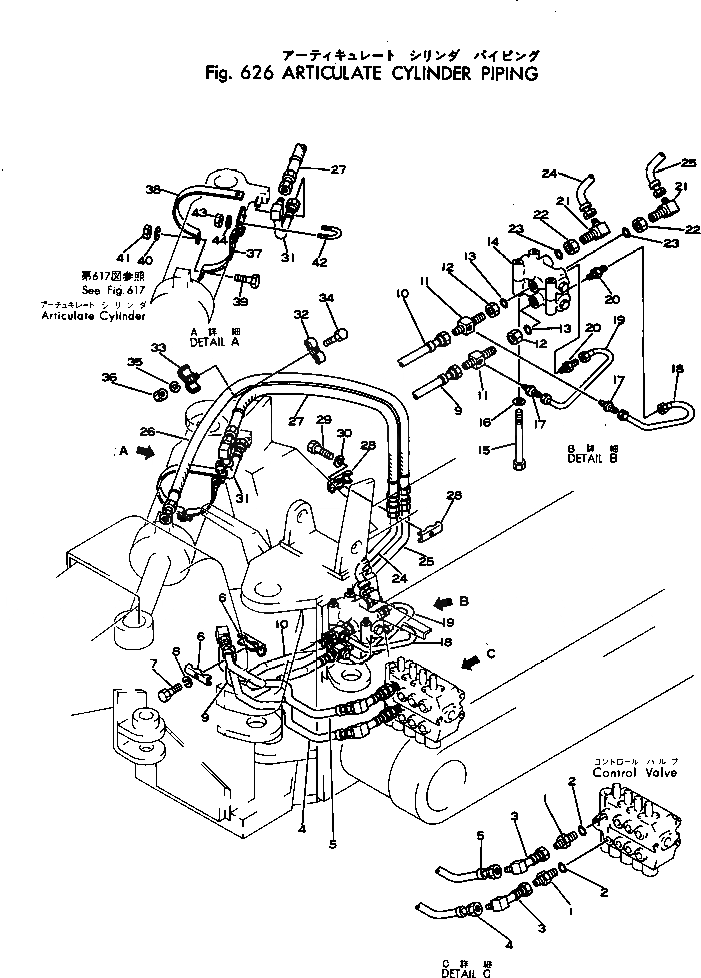
1

237-60-14110

NIPPLE

SN: 1002-UP

2шт.

2

07002-12034

O-RING (KIT)

SN: 1002-UP

2шт.

3

237-60-14940

TUBE

SN: 1002-UP

2шт.

4

237-60-14830

TUBE

SN: 1002-UP

1шт.

5

237-60-14840

TUBE

SN: 1002-UP

1шт.

6

232-60-14932

CLIP

SN: 1002-UP

2шт.

7

01010-51045

BOLT

SN: 1002-UP

1шт.

8

01602-21030

WASHER,SPRING

SN: 1002-UP

1шт.

9

237-60-14910

TUBE

SN: 1002-UP

1шт.

10

237-60-14920

TUBE

SN: 1002-UP

1шт.

11

237-60-14930

NIPPLE

SN: 1002-UP

2шт.

12

07239-12410

NUT

SN: 1002-UP

2шт.

13

07002-12434

O-RING (KIT)

SN: 1002-UP

1шт.

14

236-60-00080

VALVE ASS'Y,PILOT CHECK

SN: 1076-UP

2шт.

|14

232-60-00214

VALVE ASS'Y,PILOT CHECK

SN: 1002-1075

2шт.

15

233-60-14981

BOLT

SN: 1002-UP

3шт.

16

01602-00825

WASHER,SPRING

SN: 1002-UP

3шт.

17

232-60-14292

NIPPLE

SN: 1076-UP

2шт.

|17

232-60-14291

NIPPLE

SN: 1002-1075

2шт.

18

232-60-14771

TUBE

SN: 1002-UP

1шт.

19

232-60-14781

TUBE

SN: 1002-UP

1шт.

20

236-60-24890

NIPPLE

SN: 1004-UP

2шт.

|20

0

CONNECTOR

SN: 1002-1003

2шт.

21

236-60-24811

ELBOW

SN: 1002-UP

2шт.

22

07239-12410

NUT

SN: 1002-UP

2шт.

23

07002-12434

O-RING (KIT)

SN: 1002-UP

2шт.

24

237-60-14810

TUBE

SN: 1002-UP

1шт.

25

237-60-14950

TUBE

SN: 1002-UP

1шт.

26

07109-20311

HOSE

SN: 1002-UP

1шт.

27

07109-20308

HOSE

SN: 1004-UP

1шт.

|27

0

HOSE

SN: 1002-1003

1шт.

28

232-60-14932

CLIP

SN: 1002-UP

2шт.

29

01010-31045

BOLT

SN: 1002-UP

1шт.

30

01602-01030

WASHER,SPRING

SN: 1002-UP

1шт.

31

237-60-14970

TUBE

SN: 1002-UP

1шт.

32

236-60-24920

CLIP

SN: 1002-UP

1шт.

33

236-60-24930

CLIP

SN: 1002-UP

1шт.

34

01010-50835

BOLT

SN: 1002-UP

1шт.

35

01602-20825

WASHER,SPRING

SN: 1002-UP

1шт.

36

01580-10806

NUT

SN: 1002-UP

1шт.

37

237-60-14980

BAND

SN: 1002-UP

1шт.

38

237-60-14990

BAND

SN: 1002-UP

1шт.

39

01010-50830

BOLT

SN: 1002-UP

2шт.

40

01602-20825

WASHER,SPRING

SN: 1002-UP

2шт.

41

01580-10806

NUT

SN: 1002-UP

2шт.

42

07283-11529

CLIP

SN: 1002-UP

1шт.

43

01598-00809

NUT

SN: 1002-UP

2шт.

44

01643-30823

WASHER

SN: 1002-UP

2шт.

Выбрано товаров: 48