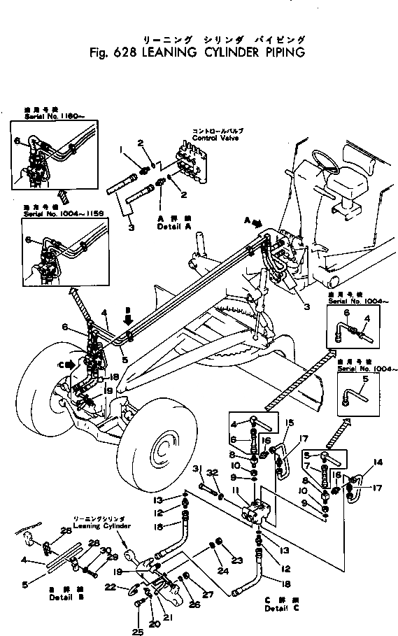
Запчасти Komatsu GD28AC-1 ГИДРОЛИНИЯ (ЦИЛИНДР НАКЛОНА ЛИНИЯ) РАБОЧЕЕ ОБОРУДОВАНИЕ И ГИДРАВЛ СИСТЕМА УПРАВЛЕНИЯ

Схема запчастей Komatsu GD28AC-1 - ГИДРОЛИНИЯ (ЦИЛИНДР НАКЛОНА ЛИНИЯ) РАБОЧЕЕ ОБОРУДОВАНИЕ И ГИДРАВЛ СИСТЕМА УПРАВЛЕНИЯ
FIT
1:1
100%

Артикул

Название

Примечание

Количество

1

237-60-14110

NIPPLE

SN: 1002-UP

2шт.

2

07002-12034

O-RING (KIT)

SN: 1002-UP

2шт.

3

07113-00312

HOSE

SN: 1002-UP

2шт.

4

237-60-14311

TUBE

SN: 1004-UP

1шт.

|4

237-60-14310

TUBE

SN: 1002-1003

1шт.

5

237-60-14321

TUBE

SN: 1004-UP

1шт.

|5

237-60-14320

TUBE

SN: 1002-1003

1шт.

6

07108-20303

HOSE

SN: 1160-UP

1шт.

|6

237-60-14331

TUBE

SN: 1004-1159

1шт.

|6

237-60-14330

TUBE

SN: 1002-1003

1шт.

7

237-60-14340

TUBE

SN: 1002-1003

1шт.

8

237-60-14930

NIPPLE

SN: 1002-UP

1шт.

8A

237-60-14960

NIPPLE

SN: 1160-UP

1шт.

|8A

237-60-14930

NIPPLE

SN: 1002-1159

1шт.

9

07002-12434

O-RING (KIT)

SN: 1002-UP

2шт.

10

07239-12410

NUT

SN: 1002-UP

2шт.

11

236-60-00080

VALVE ASS'Y,PILOT CHECK

SN: 1076-UP

2шт.

|11

232-60-00233

VALVE ASS'Y,PILOT CHECK

SN: 1002-1075

2шт.

12

236-60-24640

NIPPLE

SN: 1002-UP

2шт.

13

07002-12434

O-RING (KIT)

SN: 1002-UP

2шт.

14

232-60-14781

TUBE

SN: 1002-UP

1шт.

15

232-60-14771

TUBE

SN: 1002-UP

1шт.

16

232-60-14292

NIPPLE

SN: 1076-UP

2шт.

|16

232-60-14291

NIPPLE

SN: 1002-1075

2шт.

17

236-60-24890

NIPPLE

SN: 1002-UP

2шт.

18

07109-20305

HOSE

SN: 1002-UP

2шт.

19

237-60-14350

TUBE

SN: 1002-UP

1шт.

20

237-60-14370

BAND

SN: 1002-UP

1шт.

21

237-60-14380

BAND

SN: 1002-UP

1шт.

22

07283-11529

CLIP

SN: 1002-UP

1шт.

23

01598-00809

NUT

SN: 1002-UP

2шт.

24

01643-30823

WASHER

SN: 1002-UP

2шт.

25

01010-30825

BOLT

SN: 1002-UP

2шт.

26

01602-00825

WASHER,SPRING

SN: 1002-UP

2шт.

27

01580-00806

NUT

SN: 1002-UP

2шт.

28

237-60-14130

CLIP

SN: 1002-UP

4шт.

29

01010-31045

BOLT

SN: 1002-UP

4шт.

30

01602-01030

WASHER,SPRING

SN: 1002-UP

2шт.

31

233-60-14981

BOLT

SN: 1002-UP

3шт.

32

01602-00825

WASHER,SPRING

SN: 1002-UP

3шт.

Выбрано товаров: 0