Запчасти Komatsu GD28AC-1 ГИДРОЛИНИЯ (SCARIFIER ЛИНИЯ ЦИЛИНДРА) (/) РАБОЧЕЕ ОБОРУДОВАНИЕ И ГИДРАВЛ СИСТЕМА УПРАВЛЕНИЯ

Схема запчастей Komatsu GD28AC-1 - ГИДРОЛИНИЯ (SCARIFIER ЛИНИЯ ЦИЛИНДРА) (/) РАБОЧЕЕ ОБОРУДОВАНИЕ И ГИДРАВЛ СИСТЕМА УПРАВЛЕНИЯ
FIT
1:1
100%

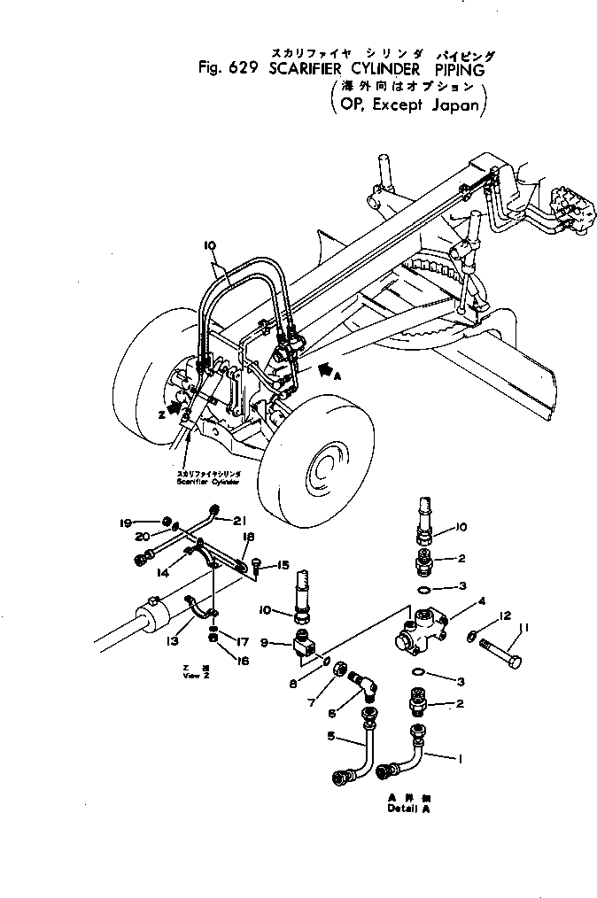
Артикул

Название

Примечание

Количество

1

237-06-14640

TUBE

SN: 1002-UP

1шт.

2

236-06-24640

NIPPLE

SN: 1002-UP

2шт.

3

07002-12434

O-RING

SN: 1002-UP

2шт.

4

236-60-00080

VALVE ASS'Y,PILOT CHECK

SN: 1076-UP

1шт.

|4

234-60-00062

VALVE ASS'Y,PILOT CHECK

SN: 1002-1075

1шт.

5

237-60-14630

TUBE

SN: 1002-UP

1шт.

6

07232-10315

ELBOW

SN: 1002-UP

1шт.

7

07239-12009

NUT

SN: 1002-UP

1шт.

8

07002-12034

O-RING

SN: 1002-UP

1шт.

9

237-60-14480

ELBOW

SN: 1076-UP

1шт.

|9

236-60-14652

ELBOW

SN: 1002-1075

1шт.

10

07108-20311

HOSE

SN: 1002-UP

2шт.

11

01010-50865

BOLT

SN: 1002-UP

3шт.

12

01602-21030

WASHER,SPRING

SN: 1002-UP

3шт.

13

237-60-14670

CLAMP

SN: 1002-UP

1шт.

14

237-60-14660

CLAMP

SN: 1002-UP

1шт.

15

01010-30825

BOLT

SN: 1002-UP

2шт.

16

01580-10806

NUT

SN: 1002-UP

2шт.

17

01602-00825

WASHER,SPRING

SN: 1002-UP

2шт.

18

08283-11529

CLAMP

SN: 1002-UP

2шт.

19

01598-00809

NUT

SN: 1002-UP

1шт.

20

01643-30823

WASHER

SN: 1002-UP

2шт.

21

237-60-14650

TUBE

SN: 1002-UP

1шт.

Выбрано товаров: 23