Запчасти Komatsu GD30-4 КОРПУС ТРАНСМИССИИ (/)(№8-8) СИЛОВАЯ ПЕРЕДАЧА

Схема запчастей Komatsu GD30-4 - КОРПУС ТРАНСМИССИИ (/)(№8-8) СИЛОВАЯ ПЕРЕДАЧА
FIT
1:1
100%

Артикул

Название

Примечание

Количество

|$0

230-14-00224

TRANSMISSION ASS'Y

SN: 310-800

1шт.

|$1

230-14-00223

TRANSMISSION ASS'Y

SN: 255-309

1шт.

|$2

230-14-00222

TRANSMISSION ASS'Y

SN: 235-254

1шт.

|$3

230-14-00221

TRANSMISSION ASS'Y

SN: 215-234

1шт.

|$4

230-14-00220

TRANSMISSION ASS'Y

SN: 185-214

1шт.

|$5

230-14-00027

CASE ASS'Y

SN: 255-800

1шт.

|$6

230-14-00026

CASE ASS'Y

SN: 185-254

1шт.

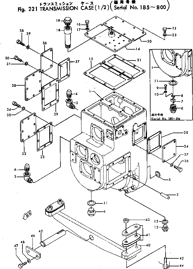
1

230-14-11117

CASE

SN: 255-800

1шт.

1

230-14-11116

CASE

SN: 185-254

1шт.

2

04020-01228

PIN

SN: 185-@

2шт.

3

230-14-11120

ELBOW

SN: 185-@

2шт.

4

07042-01019

PLUG

SN: 185-@

2шт.

5

07046-05020

PLUG

SN: 185-@

1шт.

6

07044-03620

PLUG

SN: 255-@

1шт.

6

230-14-11131

PLUG

SN: 185-254

1шт.

7

GD371D148

MAGNET

SN: 185-254

1шт.

8

230-14-11140

PLATE

SN: 185-254

1шт.

9

01210-20620

SCREW

SN: 185-254

2шт.

10

01602-00619

WASHER

SN: 185-254

2шт.

11

07003-03642

GASKET

SN: 255-800

1шт.

11

GD371D154

GASKET

SN: 185-254

1шт.

12

07040-02412

PLUG

SN: 185-@

1шт.

13

07003-22430

GASKET

SN: 185-800

1шт.

14

230-14-11573

COVER

SN: 185-800

1шт.

15

230-14-11151

GASKET (KIT)

SN: 185-800

1шт.

16

01000-31025

BOLT

SN: 185-800

8шт.

17

01602-01030

WASHER

SN: 185-800

8шт.

18

230-14-11161

FILLER

SN: 185-800

1шт.

19

232-14-11250

CAP

SN: 185-800

1шт.

20

230-14-11170

COVER

SN: 185-800

1шт.

21

230-14-11180

GASKET (KIT)

SN: 185-800

1шт.

22

01000-30818

BOLT

SN: 185-800

8шт.

23

01602-00825

WASHER

SN: 185-800

8шт.

24

230-14-11191

COVER

SN: 185-800

1шт.

25

230-14-11211

GASKET (KIT)

SN: 185-800

1шт.

26

01000-30818

BOLT

SN: 185-800

4шт.

27

01602-00825

WASHER

SN: 185-800

4шт.

28

230-14-11221

COVER

SN: 185-@

1шт.

29

230-14-11231

GASKET (KIT)

SN: 185-@

1шт.

30

01000-30818

BOLT

SN: 185-@

8шт.

31

01602-00825

WASHER

SN: 185-@

8шт.

32

230-14-11241

COVER

SN: 185-@

1шт.

33

230-14-11251

GASKET (KIT)

SN: 185-@

1шт.

34

01000-30818

BOLT

SN: 185-@

8шт.

35

01602-00825

WASHER

SN: 185-@

8шт.

36

230-14-11260

COVER

SN: 185-@

1шт.

37

230-14-11270

GASKET (KIT)

SN: 185-@

1шт.

38

01000-30818

BOLT

SN: 185-@

4шт.

39

01602-00825

WASHER

SN: 185-@

4шт.

40

230-14-11513

SUPPORT

SN: 185-@

1шт.

41

230-14-05190

SHIM ASS'Y

SN: 185-@

2шт.

41

230-14-11530

SHIM, 0.5MM

SN: 185-@

5шт.

41

230-14-11520

SHIM, 3.2MM

SN: 185-@

1шт.

41

230-14-11540

SHIM, 6.0MM

SN: 185-@

1шт.

42

230-14-11553

BOLT

SN: 185-800

4шт.

43

01500-02016

NUT

SN: 185-800

4шт.

44

04059-01625

WIRE

SN: 185-800

2шт.

45

230-14-11561

PIN

SN: 185-@

1шт.

46

230-14-11582

PLATE

SN: 185-@

1шт.

47

01000-30620

BOLT

SN: 185-@

2шт.

48

01601-00615

WASHER

SN: 185-@

2шт.

Выбрано товаров: 61