Запчасти Komatsu GD30-4 TIEROD КОЛЕСА¤ РУЛЕВ. УПРАВЛЕНИЕ И СИСТЕМА УПРАВЛЕНИЯS

Схема запчастей Komatsu GD30-4 - TIEROD КОЛЕСА¤ РУЛЕВ. УПРАВЛЕНИЕ И СИСТЕМА УПРАВЛЕНИЯS
FIT
1:1
100%

Артикул

Название

Примечание

Количество

|1

230-27-00004

FRONT AXLE ASS'Y

SN: 1252-UP

1шт.

|1

230-27-00003

FRONT AXLE ASS'Y

SN: 1036-1251

1шт.

|1

230-27-00002

FRONT AXLE ASS'Y

SN: 801-1035

1шт.

|1

230-27-00001

FRONT AXLE ASS'Y

SN: 185-800

1шт.

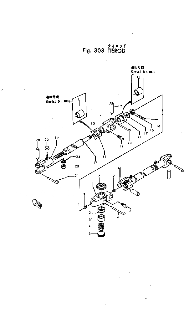
1

230-27-11220

CASE

SN: 185-UP

1шт.

2

233-40-15130

SEAT

SN: 185-UP

1шт.

3

233-40-15140

SEAT

SN: 185-UP

1шт.

4

233-40-15150

SPRING

SN: 185-UP

1шт.

5

233-40-15160

RETAINER

SN: 185-UP

1шт.

6

233-40-15170

PIN

SN: 185-UP

1шт.

7

233-40-15280

COVER

SN: 185-UP

1шт.

8

07020-00000

FITTING

SN: 185-UP

1шт.

9

07043-30108

PLUG

SN: 185-UP

2шт.

10

232-40-15230

YOKE

SN: 185-UP

2шт.

11

232-40-15241

BUSHING

SN: 1036-UP

4шт.

|11

232-40-15240

BUSHING

SN: 185-1035

4шт.

12

232-40-15260

PIN

SN: 185-UP

2шт.

13

232-40-15270

PIN

SN: 185-UP

4шт.

14

07020-00000

FITTING

SN: 185-UP

2шт.

15

230-27-11257

TIE ROD

SN: .-UP

2шт.

|15

0

TIE ROD

SN: 1252-.

2шт.

|15

230-27-11255

TIE ROD

SN: 1036-1251

2шт.

|15

232-27-11254

TIE ROD

SN: 185-1035

2шт.

16

01593-02213

NUT

SN: 1252-UP

2шт.

|16

01511-32215

NUT

SN: 185-1251

2шт.

17

232-40-15251

WASHER

SN: 1036-UP

2шт.

|17

232-40-15250

WASHER

SN: 185-1035

2шт.

18

04050-05040

PIN

SN: 185-UP

2шт.

19

232-40-15181

YOKE

SN: 185-UP

2шт.

20

232-40-15211

PIN

SN: 185-UP

2шт.

21

232-40-15220

PIN

SN: 185-UP

4шт.

22

01010-31260

BOLT

SN: 1252-UP

2шт.

|22

01000-31260

BOLT

SN: 185-1251

2шт.

23

01580-01210

NUT

SN: 1252-UP

2шт.

|23

01500-31210

NUT

SN: 185-1251

2шт.

24

01602-01236

WASHER

SN: 185-UP

2шт.

Выбрано товаров: 0