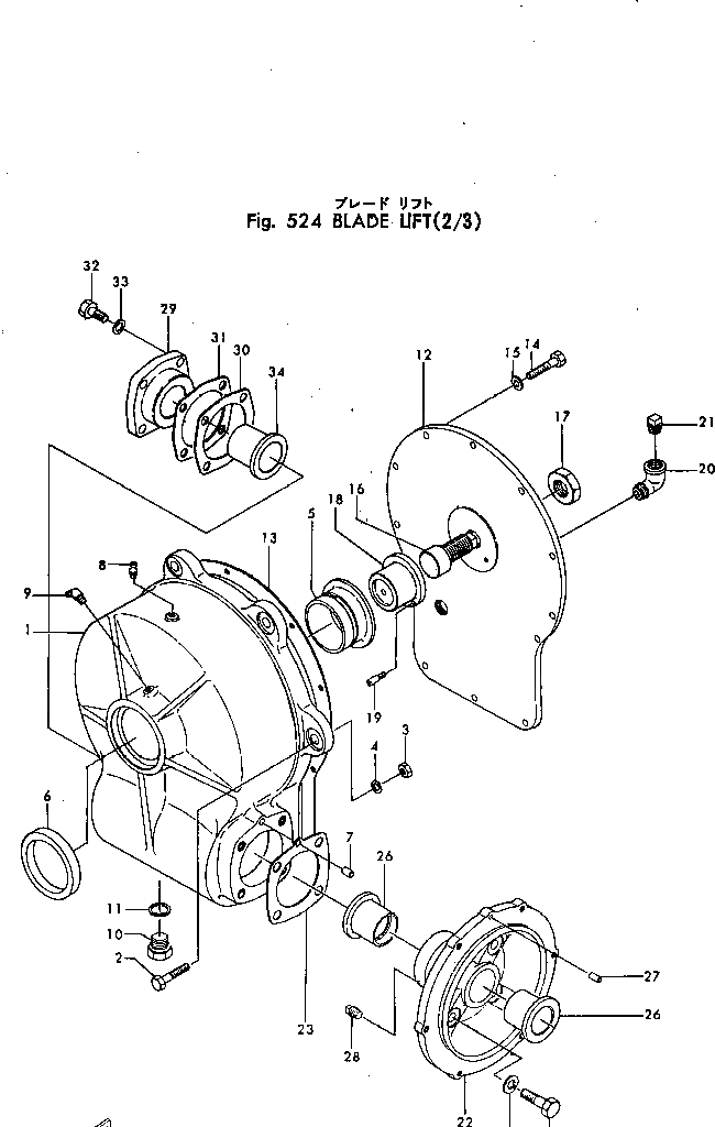
Запчасти Komatsu GD30-4 ПОДЪЕМ. ОТВАЛА (/) РАБОЧЕЕ ОБОРУДОВАНИЕ И ITS СИСТЕМА УПРАВЛЕНИЯ

Схема запчастей Komatsu GD30-4 - ПОДЪЕМ. ОТВАЛА (/) РАБОЧЕЕ ОБОРУДОВАНИЕ И ITS СИСТЕМА УПРАВЛЕНИЯ
FIT
1:1
100%

Артикул

Название

Примечание

Количество

|1

230-71-11003

BLADE LIFT ASS'Y

SN: 1252-UP

1шт.

|1

230-71-11002

BLADE LIFT ASS'Y

SN: 195-1251

1шт.

|1

230-71-11001

BLADE LIFT ASS'Y

SN: 185-194

1шт.

|1

230-71-00013

BLADE LIFT ASS'Y,L.H.

SN: 1252-UP

1шт.

|1

230-71-00012

BLADE LIFT ASS'Y,L.H.

SN: 195-1251

1шт.

|1

230-71-00011

BLADE LIFT ASS'Y,L.H.

SN: 185-194

1шт.

|1

230-71-00223

BLADE LIFT ASS'Y,R.H.

SN: 1252-UP

1шт.

|1

230-71-00222

BLADE LIFT ASS'Y,R.H.

SN: 195-1251

1шт.

|1

230-71-00221

BLADE LIFT ASS'Y,R.H.

SN: 185-194

1шт.

1

230-71-11111

CASE,L.H.

SN: 1252-UP

1шт.

|1

230-71-11110

CASE,L.H.

SN: 185-1251

1шт.

|1

230-71-11771

CASE,R.H.

SN: 1252-UP

1шт.

|1

230-71-11770

CASE,R.H.

SN: 185-1251

1шт.

2

01010-31445

BOLT

SN: 1252-UP

6шт.

|2

01000-31445

BOLT

SN: 185-1251

6шт.

3

01580-01411

NUT

SN: 1252-UP

6шт.

|3

01500-31411

NUT

SN: 185-1251

6шт.

4

01602-01442

WASHER

SN: 185-UP

6шт.

5

230-71-11120

BUSHING

SN: 185-UP

1шт.

6

07012-01070

SEAL

SN: 185-UP

1шт.

7

04020-00820

PIN

SN: 185-UP

1шт.

8

07030-01030

BREATHER

SN: 185-UP

1шт.

9

07020-00675

FITTING

SN: 185-UP

1шт.

10

07040-12414

PLUG

SN: 1252-UP

1шт.

|10

07040-02412

PLUG

SN: 185-1251

1шт.

11

07003-22430

GASKET

SN: 185-UP

1шт.

12

230-71-11131

SEAT,L.H.

SN: 1252-UP

1шт.

|12

230-71-11130

SEAT,L.H.

SN: 185-1251

1шт.

|12

230-71-11591

SEAT,R.H.

SN: 1252-UP

1шт.

|12

230-71-11590

SEAT,R.H.

SN: 185-1251

1шт.

13

230-71-11151

GASKET (KIT)

SN: 185-UP

1шт.

14

01010-30830

BOLT

SN: 1252-UP

12шт.

|14

01000-30830

BOLT

SN: 185-1251

12шт.

15

01602-00825

WASHER

SN: 185-UP

12шт.

16

230-71-11522

BOLT

SN: 1252-UP

1шт.

|16

230-71-11521

BOLT

SN: 185-1251

1шт.

17

01580-03020

NUT

SN: 1252-UP

1шт.

|17

01501-03018

NUT

SN: 801-1251

1шт.

|17

230-71-11531

NUT

SN: 185-800

1шт.

18

230-71-11511

RETAINER

SN: 185-UP

1шт.

19

230-71-11141

SCREW

SN: 185-UP

1шт.

20

230-14-11120

ELBOW

SN: 185-UP

1шт.

21

07042-01019

PLUG

SN: 185-UP

1шт.

22

230-71-11221

CASE,L.H.

SN: 1252-UP

1шт.

|22

230-71-11220

CASE,L.H.

SN: 185-1251

1шт.

|22

230-71-11611

CASE,R.H.

SN: 1252-UP

1шт.

|22

230-71-11610

CASE,R.H.

SN: 185-1251

1шт.

23

230-71-11240

GASKET (KIT)

SN: 185-UP

1шт.

24

01010-31455

BOLT

SN: 1252-UP

4шт.

|24

01000-41450

BOLT

SN: 185-1251

4шт.

25

01602-01442

WASHER

SN: 185-UP

4шт.

26

230-71-11231

BUSHING

SN: 185-UP

2шт.

27

04020-00820

PIN

SN: 185-UP

1шт.

28

07042-00617

PLUG

SN: 185-UP

1шт.

29

230-71-11160

COVER

SN: 185-UP

1шт.

30

230-71-11210

GASKET (KIT)

SN: 185-UP

1шт.

31

230-71-05310

SHIM ASS'Y

SN: 185-UP

1шт.

|31

230-71-11190

SHIM¤ 0.1MM

SN: 185-UP

1шт.

|31

230-71-11180

SHIM¤ 0.2MM

SN: 185-UP

6шт.

32

01010-31440

BOLT

SN: 1252-UP

4шт.

|32

01000-41440

BOLT

SN: 185-1251

4шт.

33

01602-01442

WASHER

SN: 185-UP

4шт.

34

230-71-11170

BUSHING

SN: 185-UP

1шт.

Выбрано товаров: 63