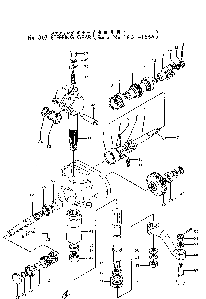
Запчасти Komatsu GD30-5M РУЛЕВ. УПРАВЛЕНИЕ ПРИВОД(№8-) КОЛЕСА¤ РУЛЕВ. УПРАВЛЕНИЕ И СИСТЕМА УПРАВЛЕНИЯS

Схема запчастей Komatsu GD30-5M - РУЛЕВ. УПРАВЛЕНИЕ ПРИВОД(№8-) КОЛЕСА¤ РУЛЕВ. УПРАВЛЕНИЕ И СИСТЕМА УПРАВЛЕНИЯS
FIT
1:1
100%

Артикул

Название

Примечание

Количество

|$0

230-40-00055

GEAR CASE ASS'Y

SN: 1431-1556

1шт.

|$1

230-40-00054

GEAR CASE ASS'Y

SN: 1252-1430

1шт.

|$2

230-40-00053

GEAR CASE ASS'Y

SN: 801-1251

1шт.

|$3

230-40-00052

GEAR CASE ASS'Y

SN: 426-800

1шт.

|$4

230-40-00051

GEAR CASE ASS'Y

SN: 185-425

1шт.

1

232-40-13211

SHAFT

SN: 1252-1556

1шт.

1

232-40-13210

SHAFT

SN: 185-1251

1шт.

2

04010-00725

KEY

SN: 185-1556

1шт.

3

232-40-13220

PINION

SN: 185-1556

1шт.

4

06000-06208

BEARING

SN: 185-1556

1шт.

5

06000-06210

BEARING

SN: 185-1556

1шт.

6

04065-09030

RING

SN: 801-1556

1шт.

6

232-40-13250

RING

SN: 185-800

1шт.

7

232-40-13260

SPACER

SN: 185-1556

1шт.

8

232-40-13270

RING

SN: 185-1556

1шт.

9

01322-30825

SCREW

SN: 1431-1556

1шт.

9

01322-00816

SCREW

SN: 801-1430

1шт.

9

232-40-13280

SCREW

SN: 185-800

1шт.

10

232-40-13290

ROLLER

SN: 185-1556

2шт.

11

232-40-13310

STOPPER

SN: 185-1556

1шт.

12

232-40-13320

SPRING

SN: 185-1556

1шт.

13

232-40-13240

SPACER

SN: 185-1556

1шт.

14

04064-03015

RING

SN: 801-1556

1шт.

14

232-40-13230

RING

SN: 185-800

1шт.

15

232-40-12350

YOKE

SN: 185-1556

1шт.

16

01593-01613

NUT

SN: 801-1556

1шт.

16

01511-01612

NUT

SN: 185-800

1шт.

17

01640-01629

WASHER

SN: 185-1556

1шт.

18

04050-04035

PIN

SN: 185-1556

1шт.

19

232-40-13410

SHAFT

SN: 185-1556

1шт.

20

232-40-13440

KEY

SN: 185-1556

1шт.

21

232-40-13430

GEAR

SN: 185-1556

1шт.

22

06000-32207

BEARING

SN: 185-1556

1шт.

23

232-40-13520

BUSHING

SN: 185-1556

1шт.

24

04064-02512

RING

SN: 801-1556

1шт.

24

232-40-13530

RING

SN: 185-800

1шт.

25

232-40-13540

RETAINER

SN: 185-1556

1шт.

26

06000-32207

BEARING

SN: 185-1556

1шт.

27

232-40-13450

SPACER

SN: 185-1556

1шт.

28

232-40-13420

GEAR

SN: 185-1556

1шт.

29

06000-06205

BEARING

SN: 185-1556

1шт.

30

01530-02210

NUT

SN: 185-1556

1шт.

31

01658-02216

WASHER

SN: 185-1556

1шт.

32

232-40-13611

SHAFT

SN: 1252-1556

1шт.

32

232-40-13610

SHAFT

SN: 185-1251

1шт.

33

364-40-11420

ROLLER

SN: 185-1556

1шт.

34

232-40-05070

SHIM ASS'Y

SN: 185-1556

1шт.

34

364-40-11450

SHIM, 0.2MM

SN: 185-1556

1шт.

34

364-40-11460

SHIM, 0.35MM

SN: 185-1556

1шт.

34

364-40-11470

SHIM, 0.5MM

SN: 185-1556

1шт.

35

232-40-13810

SHAFT

SN: 1252-1556

1шт.

35

364-40-11430

SHAFT

SN: 185-1251

1шт.

36

232-40-13820

NUT

SN: 1252-1556

1шт.

36

364-40-11440

NUT

SN: 185-1251

1шт.

37

232-40-13650

SCREW

SN: 185-1556

1шт.

38

232-40-13660

WASHER

SN: 185-1556

1шт.

39

232-40-13680

NUT

SN: 185-1556

1шт.

40

232-40-13670

WASHER

SN: 185-1556

1шт.

41

232-40-13710

JOINT

SN: 185-1556

1шт.

42

01580-32419

NUT

SN: 1252-1556

1шт.

42

01500-02418

NUT

SN: 185-1251

1шт.

43

01640-02440

WASHER

SN: 185-1556

1шт.

44

01602-02472

WASHER

SN: 185-1556

1шт.

45

230-40-13113

SHAFT

SN: 1252-1556

1шт.

45

230-40-13112

SHAFT

SN: 801-1251

1шт.

45

230-40-13111

SHAFT

SN: 185-800

1шт.

46

230-40-13126

ARM

SN: 801-1556

1шт.

46

230-40-13125

ARM

SN: 185-800

1шт.

47

230-40-13151

WASHER

SN: 185-1556

1шт.

48

230-40-13140

SPACER

SN: 801-1556

1шт.

48

232-40-05080

SHIM ASS'Y

SN: 426-800

1шт.

48

232-40-13760

SHIM, 0.5MM

SN: 426-800

1шт.

48

232-40-13750

SHIM, 1.0MM

SN: 426-800

4шт.

48

232-40-13740

SHIM, 4.0MM

SN: 426-800

1шт.

48

230-40-13140

SPACER

SN: 185-425

1шт.

49

01580-02722

NUT

SN: 1252-1556

1шт.

49

01500-02720

NUT

SN: 185-1251

1шт.

50

01640-02740

WASHER

SN: 185-1556

1шт.

51

01602-02783

WASHER

SN: 185-1556

1шт.

52

233-40-13781

JOINT

SN: 1252-1556

1шт.

52

233-40-13780

JOINT

SN: 185-1251

1шт.

53

01590-02427

NUT

SN: 1252-1556

1шт.

53

01511-02415

NUT

SN: 185-1251

1шт.

54

01640-02440

WASHER

SN: 185-1556

1шт.

55

04050-05045

PIN

SN: 185-1556

1шт.

Выбрано товаров: 85