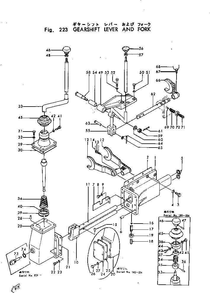
Запчасти Komatsu GD30-5M ПРИВОДSHIFT РЫЧАГ И ВИЛЫ СИЛОВАЯ ПЕРЕДАЧА

Схема запчастей Komatsu GD30-5M - ПРИВОДSHIFT РЫЧАГ И ВИЛЫ СИЛОВАЯ ПЕРЕДАЧА
FIT
1:1
100%

Артикул

Название

Примечание

Количество

|1

230-14-00230

TRANSMISSION ASS'Y

SN: 1533-UP

1шт.

|1

230-14-00229

TRANSMISSION ASS'Y

SN: 1486-1532

1шт.

|1

230-14-00228

TRANSMISSION ASS'Y

SN: 1485-1485

1шт.

|1

230-14-00229

TRANSMISSION ASS'Y

SN: 1483-1484

1шт.

|1

230-14-00228

TRANSMISSION ASS'Y

SN: 1263-1482

1шт.

|1

230-14-00227

TRANSMISSION ASS'Y

SN: 1252-1262

1шт.

|1

230-14-00226

TRANSMISSION ASS'Y

SN: 1072-1251

1шт.

|1

230-14-00225

TRANSMISSION ASS'Y

SN: 801-1071

1шт.

|1

230-14-00224

TRANSMISSION ASS'Y

SN: 310-800

1шт.

|1

230-14-00223

TRANSMISSION ASS'Y

SN: 255-309

1шт.

|1

230-14-00222

TRANSMISSION ASS'Y

SN: 235-254

1шт.

|1

230-14-00221

TRANSMISSION ASS'Y

SN: 215-234

1шт.

|1

230-14-00220

TRANSMISSION ASS'Y

SN: 185-214

1шт.

1

230-14-17115

CASE

SN: 1252-UP

1шт.

|1

230-14-17114

CASE

SN: 185-1251

1шт.

2

230-14-17121

GASKET (KIT)

SN: 185-UP

1шт.

3

01010-31030

BOLT

SN: 1252-UP

8шт.

|3

01000-31030

BOLT

SN: 185-1251

8шт.

4

01602-01030

WASHER

SN: 185-UP

8шт.

5

07046-03020

PLUG

SN: 185-UP

2шт.

6

04020-01228

PIN

SN: 185-UP

2шт.

7

230-14-17131

PLATE

SN: 185-UP

1шт.

8

01010-30612

BOLT

SN: 185-UP

2шт.

9

01602-00619

WASHER

SN: 185-UP

2шт.

10

230-14-17142

SHAFT

SN: 185-UP

1шт.

11

230-14-17152

SHAFT

SN: 185-UP

1шт.

12

230-14-17164

FORK

SN: 1252-UP

2шт.

|12

230-14-17163

FORK

SN: 185-1251

2шт.

13

232-14-17451

BOLT

SN: 1252-UP

2шт.

|13

232-14-17450

BOLT

SN: 922-1251

2шт.

|13

230-14-17172

BOLT

SN: 185-921

2шт.

14

04059-01016

WIRE

SN: 185-UP

2шт.

15

310-14-18320

PIN

SN: 185-UP

1шт.

16

04260-00952

BALL

SN: 185-UP

2шт.

17

230-14-17191

SPRING

SN: 185-UP

2шт.

18

230-14-17213

SCREW

SN: 1252-UP

2шт.

|18

230-14-17212

BOLT

SN: 185-1251

2шт.

19

01580-01613

NUT

SN: 1252-UP

2шт.

|19

01501-31608

NUT

SN: 185-1251

2шт.

20

230-14-17224

CASE

SN: 801-UP

1шт.

|20

230-14-17223

CASE

SN: 235-800

1шт.

|20

230-14-17222

CASE

SN: 185-234

1шт.

21

230-14-17232

GASKET (KIT)

SN: 185-UP

1шт.

22

01010-31030

BOLT

SN: 1252-UP

6шт.

|22

01000-31030

BOLT

SN: 185-1251

6шт.

23

01602-01030

WASHER

SN: 185-UP

6шт.

24

230-14-17241

COVER

SN: 185-234

1шт.

25

230-14-17250

GASKET (KIT)

SN: 185-234

1шт.

26

01000-30818

BOLT

SN: 185-234

6шт.

27

01602-00825

WASHER

SN: 185-234

6шт.

28

04020-01024

PIN

SN: 235-UP

2шт.

29

230-14-17272

COVER

SN: 1263-UP

1шт.

|29

230-14-17271

COVER

SN: 1252-1262

1шт.

|29

230-14-17270

COVER

SN: 235-1251

1шт.

30

230-14-17310

GASKET (KIT)

SN: 235-UP

1шт.

31

01010-31025

BOLT

SN: 235-UP

4шт.

32

01602-01030

WASHER

SN: 235-UP

4шт.

33

230-14-17263

LEVER

SN: 310-UP

1шт.

|33

230-14-17262

LEVER

SN: 235-309

1шт.

|33

230-14-17261

LEVER

SN: 185-234

1шт.

34

230-14-17281

SPRING

SN: 235-UP

1шт.

|34

230-14-17280

SPRING

SN: 185-234

1шт.

35

232-14-17620

BALL

SN: 185-234

1шт.

36

232-14-17630

PIN

SN: 185-234

1шт.

37

232-14-17650

COVER

SN: 185-234

1шт.

38

230-14-17320

COVER

SN: 185-234

1шт.

39

04068-00070

RING

SN: 235-UP

1шт.

40

230-14-17290

WASHER

SN: 235-UP

1шт.

41

230-14-17345

BOLT

SN: 1263-UP

1шт.

|41

230-14-17344

BOLT

SN: 1252-1262

1шт.

|41

230-14-17343

BOLT

SN: 235-1251

1шт.

|41

230-14-17342

BOLT

SN: 185-234

1шт.

42

01650-01012

WASHER

SN: 1252-UP

1шт.

|42

0

WASHER

SN: 185-1251

1шт.

43

01000-31014

BOLT

SN: 185-UP

1шт.

44

01602-01030

WASHER

SN: 185-UP

1шт.

45

364-14-18280

COVER

SN: 185-UP

1шт.

46

230-14-17333

KNOB

SN: 801-UP

1шт.

|46

230-14-17332

KNOB

SN: 310-800

1шт.

|46

230-14-17333

KNOB

SN: 235-309

1шт.

|46

230-14-17332

KNOB

SN: 185-234

1шт.

47

04030-00328

PIN

SN: 185-234

1шт.

48

01583-01207

NUT

SN: 1252-UP

1шт.

|48

01501-31207

NUT

SN: 235-1251

1шт.

49

230-14-17373

BRACKET

SN: 185-UP

1шт.

50

01010-31025

BOLT

SN: 1252-UP

4шт.

|50

01000-31025

BOLT

SN: 185-1251

4шт.

51

01602-01030

WASHER

SN: 185-UP

4шт.

52

01010-31055

BOLT

SN: 1252-UP

2шт.

|52

01000-31055

BOLT

SN: 185-1251

2шт.

53

01602-01030

WASHER

SN: 185-UP

2шт.

54

230-14-17380

BUSHING

SN: 185-UP

1шт.

55

230-14-17353

LEVER

SN: 310-UP

1шт.

|55

230-14-17352

LEVER

SN: 235-309

1шт.

|55

230-14-17351

LEVER

SN: 185-234

1шт.

56

230-14-17363

KNOB

SN: 801-UP

1шт.

|56

230-14-17362

KNOB

SN: 310-800

1шт.

|56

230-14-17363

KNOB

SN: 235-309

1шт.

|56

230-14-17362

KNOB

SN: 185-234

1шт.

57

01583-01207

NUT

SN: 1252-UP

1шт.

|57

01501-01207

NUT

SN: 310-1251

1шт.

|57

04030-00328

PIN

SN: 235-309

1шт.

58

230-14-17422

PIN

SN: 1252-UP

1шт.

|58

230-14-17421

PIN

SN: 185-1251

1шт.

59

01590-01416

NUT

SN: 1252-UP

1шт.

|59

01511-01411

NUT

SN: 185-1251

1шт.

60

01640-01426

WASHER

SN: 185-UP

1шт.

61

04050-03028

PIN

SN: 185-UP

1шт.

62

230-14-17434

SHAFT

SN: 1486-UP

1шт.

|62

230-14-17433

SHAFT

SN: 1485-1485

1шт.

|62

230-14-17434

SHAFT

SN: 1483-1484

1шт.

|62

230-14-17433

SHAFT

SN: 185-1482

1шт.

63

230-14-17411

PIN

SN: 185-UP

1шт.

64

01641-01220

WASHER

SN: 185-UP

1шт.

65

04050-03020

PIN

SN: 185-UP

1шт.

66

230-14-17394

FORK

SN: 1486-UP

1шт.

|66

230-14-17393

FORK

SN: 1485-1485

1шт.

|66

230-14-17394

FORK

SN: 1483-1484

1шт.

|66

230-14-17393

FORK

SN: 1252-1482

1шт.

|66

230-14-17392

FORK

SN: 185-1251

1шт.

67

232-14-17451

BOLT

SN: 1252-UP

1шт.

|67

232-14-17450

BOLT

SN: 922-1251

1шт.

|67

230-14-17172

BOLT

SN: 185-921

1шт.

68

04059-01016

WIRE

SN: 185-UP

1шт.

69

04260-00952

BALL

SN: 185-UP

1шт.

70

230-14-17191

SPRING

SN: 185-UP

1шт.

71

230-14-17213

SCREW

SN: 1252-UP

1шт.

|71

230-14-17212

BOLT

SN: 185-1251

1шт.

72

01580-01613

NUT

SN: 1252-UP

1шт.

|72

01501-01608

NUT

SN: 185-1251

1шт.

73

232-06-23290

SWITCH,BACK-UP LAMP

SN: .-UP

1шт.

|73

0

SWITCH,BACK-UP LAMP

SN: 1252-.

1шт.

|73

08074-00000

SWITCH,BACK-UP LAMP

SN: 801-1251

1шт.

74

07003-01824

GASKET

SN: 801-UP

1шт.

Выбрано товаров: 134