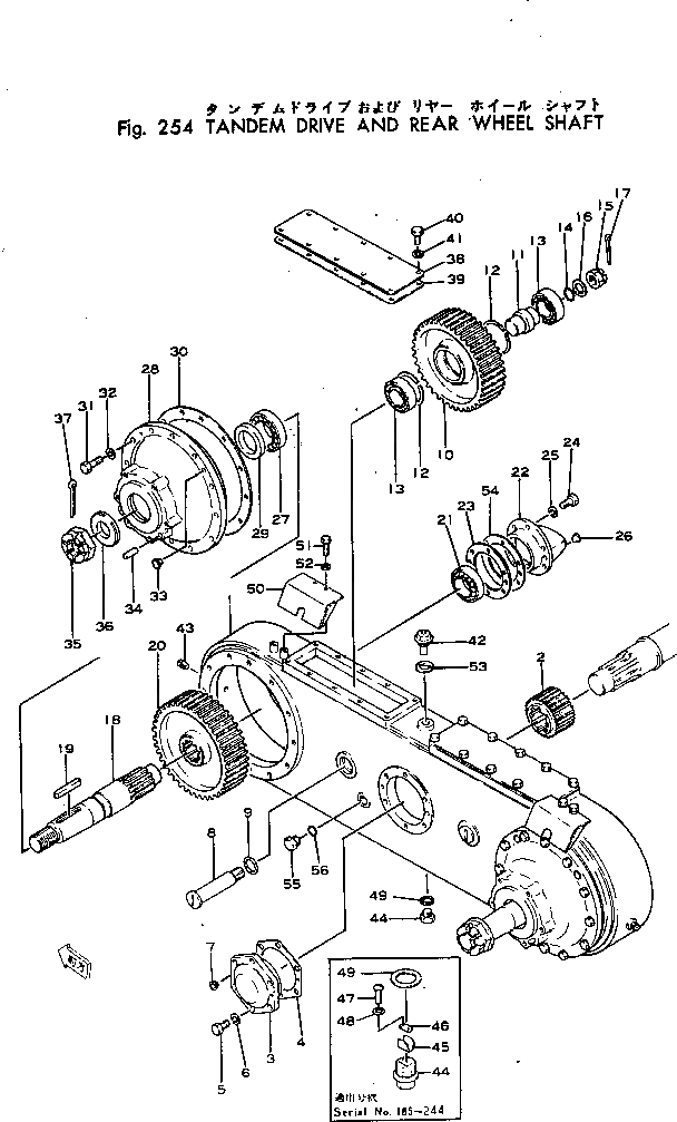
Запчасти Komatsu GD30-5M СДВОЕНН. ПРИВОД И ЗАДН. КОЛЕСА ВАЛ СИЛОВАЯ ПЕРЕДАЧА

Схема запчастей Komatsu GD30-5M - СДВОЕНН. ПРИВОД И ЗАДН. КОЛЕСА ВАЛ СИЛОВАЯ ПЕРЕДАЧА
FIT
1:1
100%

Артикул

Название

Примечание

Количество

|1

230-23-10007

TANDEM DRIVE ASS'Y

SN: 1263-UP

2шт.

|1

230-23-10006

TANDEM DRIVE ASS'Y

SN: 1252-1262

2шт.

|1

230-23-10005

TANDEM DRIVE ASS'Y

SN: 928-1251

2шт.

|1

230-23-10004

TANDEM DRIVE ASS'Y

SN: 909-927

2шт.

|1

230-23-10005

TANDEM DRIVE ASS'Y

SN: 880-908

2шт.

|1

230-23-10004

TANDEM DRIVE ASS'Y

SN: 801-879

2шт.

|1

230-23-10003

TANDEM DRIVE ASS'Y

SN: 245-800

2шт.

|1

230-23-10002

TANDEM DRIVE ASS'Y

SN: 185-244

2шт.

1

230-23-11118

CASE

SN: 1263-UP

1шт.

|1

230-23-11117

CASE

SN: 1252-1262

1шт.

|1

230-23-11116

CASE

SN: 909-1251

1шт.

|1

230-23-11370

CASE

SN: 880-908

1шт.

|1

230-23-11116

CASE

SN: 801-879

1шт.

|1

230-23-11115

CASE

SN: 245-800

1шт.

|1

230-23-11114

CASE

SN: 185-244

1шт.

2

230-23-11172

GEAR

SN: 185-UP

1шт.

3

230-23-11151

COVER

SN: 1252-UP

1шт.

|3

230-23-11150

COVER

SN: 185-1251

1шт.

4

230-23-11160

GASKET (KIT)

SN: 185-UP

1шт.

5

01010-31435

BOLT

SN: 1252-UP

6шт.

|5

01000-31435

BOLT

SN: 185-1251

6шт.

6

01602-01442

WASHER

SN: 185-UP

6шт.

7

07048-00810

PLUG

SN: 185-UP

2шт.

8

230-23-11223

SHAFT

SN: 1252-UP

2шт.

|8

230-23-11222

SHAFT

SN: 185-1251

2шт.

9

230-23-11231

GASKET

SN: 1252-UP

2шт.

|9

232-23-12350

GASKET

SN: 1060-1251

2шт.

|9

230-23-11231

GASKET

SN: 185-1059

2шт.

10

230-23-11181

GEAR

SN: 185-UP

2шт.

11

230-23-11210

SHAFT

SN: 185-UP

2шт.

12

230-23-11191

RING

SN: 185-UP

4шт.

13

06000-06312

BEARING

SN: 185-UP

4шт.

14

230-23-11240

O-RING (KIT)

SN: 185-UP

2шт.

15

01590-03335

NUT

SN: 1252-UP

2шт.

|15

01511-03320

NUT

SN: 185-1251

2шт.

16

01640-03345

WASHER

SN: 185-UP

2шт.

17

04050-06050

PIN

SN: 185-UP

2шт.

18

230-23-11264

SHAFT

SN: 1521-UP

2шт.

|18

0

SHAFT

SN: 185-1520

2шт.

|$$40

(230-23-11264{01590-04850)}

-1шт.

19

04000-02090

KEY

SN: 185-UP

2шт.

20

230-23-11252

GEAR

SN: 185-UP

2шт.

21

06000-30214

BEARING

SN: 185-UP

2шт.

22

230-23-11272

COVER

SN: 1252-UP

2шт.

|22

230-23-11271

COVER

SN: 185-1251

2шт.

23

230-23-05071

SHIM ASS'Y

SN: 801-UP

2шт.

|23

230-23-05070

SHIM ASS'Y

SN: 185-800

2шт.

|23

230-23-11281

SHIM¤ 0.5MM

SN: 185-UP

4шт.

|23

230-23-11291

SHIM¤ 0.1MM

SN: 801-UP

4шт.

|23

230-23-11291

SHIM¤ 0.1MM

SN: 185-800

5шт.

|23

230-23-11340

SHIM¤ 0.2MM

SN: 801-UP

8шт.

24

01010-31435

BOLT

SN: 1252-UP

12шт.

|24

01000-31435

BOLT

SN: 185-1251

12шт.

25

01602-01442

WASHER

SN: 185-UP

12шт.

26

07048-01310

PLUG

SN: 185-UP

4шт.

27

06000-30216

BEARING

SN: 185-UP

2шт.

28

230-23-11314

COVER

SN: 1252-UP

2шт.

|28

230-23-11313

COVER

SN: 801-1251

2шт.

|28

230-23-11312

COVER

SN: 185-800

2шт.

29

07012-00080

SEAL

SN: 801-UP

2шт.

|29

07010-00080

SEAL

SN: 185-800

2шт.

30

230-23-11330

GASKET (KIT)

SN: 185-UP

2шт.

31

01010-31435

BOLT

SN: 1252-UP

24шт.

|31

01000-31435

BOLT

SN: 185-1251

24шт.

32

01602-01442

WASHER

SN: 185-UP

24шт.

33

07048-01310

PLUG

SN: 185-UP

6шт.

34

04020-01434

PIN

SN: 801-UP

4шт.

|34

230-23-11320

PIN

SN: 185-800

4шт.

35

01590-04850

NUT

SN: 1521-UP

2шт.

|35

01592-04850

NUT

SN: 1252-1520

2шт.

|35

01510-04860

NUT

SN: 185-1251

2шт.

36

01640-04860

WASHER

SN: 185-UP

2шт.

37

04050-08080

PIN

SN: 185-UP

2шт.

38

230-23-11131

COVER

SN: 185-UP

2шт.

39

230-23-11141

GASKET (KIT)

SN: 185-UP

2шт.

40

01010-31020

BOLT

SN: 1252-UP

20шт.

|40

01000-31020

BOLT

SN: 185-1251

20шт.

41

01602-01030

WASHER

SN: 185-UP

20шт.

42

07030-03034

BREATHER

SN: 801-UP

1шт.

|42

230-23-11121

BREATHER

SN: 185-800

1шт.

43

07042-00415

PLUG

SN: 185-1262

2шт.

44

07044-13620

PLUG

SN: 245-UP

1шт.

|44

230-41-11131

PLUG

SN: 185-244

1шт.

45

GD371D148

MAGNET

SN: 185-244

1шт.

46

230-41-11140

PLATE

SN: 185-244

1шт.

47

01210-00620

SCREW

SN: 185-244

2шт.

48

01601-00615

WASHER

SN: 185-244

2шт.

49

07002-13634

O-RING

SN: 801-UP

1шт.

|49

07003-03642

GASKET

SN: 245-800

1шт.

|49

GD371D154

GASKET

SN: 185-244

1шт.

50

230-23-11360

COVER

SN: 928-UP

2шт.

|50

230-23-11360

COVER

SN: 880-908

2шт.

51

01010-31225

BOLT

SN: 1252-UP

4шт.

|51

01000-31225

BOLT

SN: 928-1251

4шт.

|51

01000-31225

BOLT

SN: 880-908

4шт.

52

01602-01236

WASHER

SN: 928-UP

4шт.

|52

01602-01236

WASHER

SN: 880-908

4шт.

53

07003-03036

GASKET

SN: 801-UP

1шт.

54

230-23-11350

GASKET

SN: 185-UP

2шт.

55

07040-12414

PLUG

SN: 1263-UP

1шт.

56

07002-12434

O-RING

SN: 1263-UP

1шт.

Выбрано товаров: 101