Запчасти Komatsu 4D120-11G СМАЗЫВ. НАСОС СИСТЕМА СМАЗКИ МАСЛ. СИСТЕМА

Схема запчастей Komatsu 4D120-11G - СМАЗЫВ. НАСОС СИСТЕМА СМАЗКИ МАСЛ. СИСТЕМА
FIT
1:1
100%

Артикул

Название

Примечание

Количество

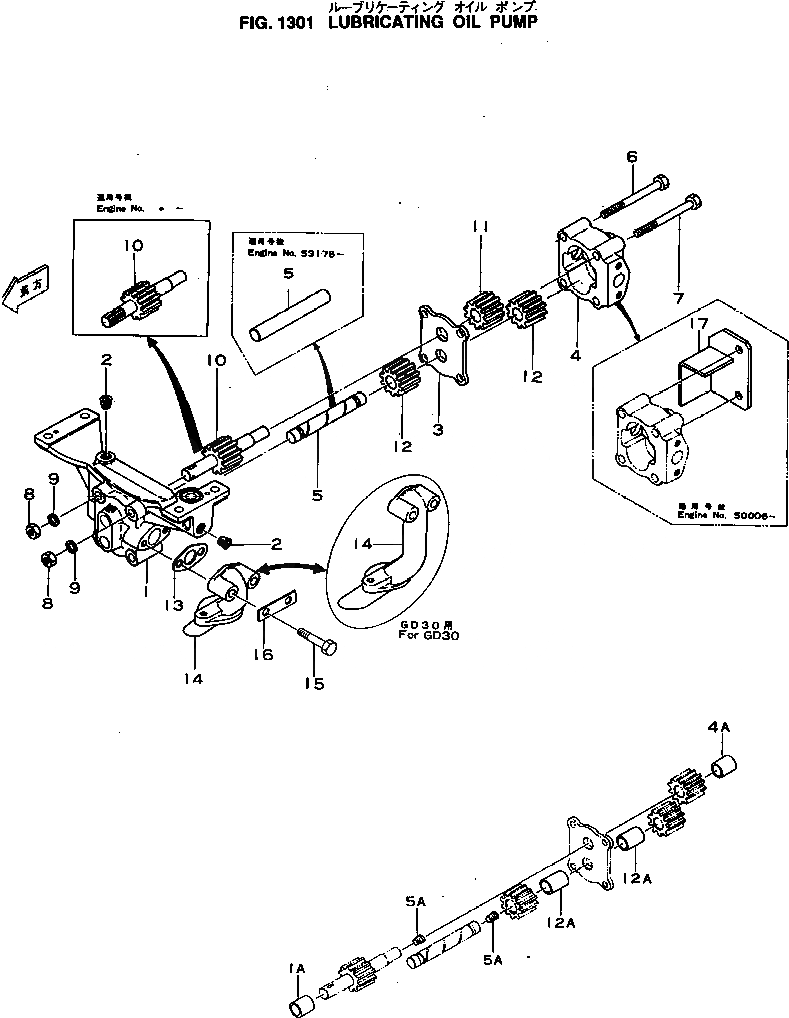
|1

6112-51-1105

OIL PUMP ASS'Y

SN: 60817-UP

1шт.

|1

6112-51-1104

OIL PUMP ASS'Y

SN: 50024-60816

1шт.

|1

0

OIL PUMP ASS'Y

SN: (53176-60186)

1шт.

|1

0

OIL PUMP ASS'Y

SN: (50051-53175)

1шт.

|1

0

OIL PUMP ASS'Y

SN: (50024-50050)

1шт.

|1

6112-53-1200

BODY ASS'Y

SN: 60817-UP

1шт.

|1

0

BODY ASS'Y

SN: 53176-60816

1шт.

|1

0

BODY ASS'Y

SN: 50051-53175

1шт.

|1

0

BODY ASS'Y

SN: 50024-50050

1шт.

1

0

BODY

SN: 60817-UP

1шт.

|1

0

BODY

SN: 53176-60816

1шт.

|1

0

BODY

SN: 50051-53175

1шт.

|1

0

BODY

SN: 50024-50050

1шт.

1A

0

BUSHING

SN: 60817-UP

1шт.

2

07043-00312

PLUG

SN: 50024-UP

2шт.

3

6110-53-1122

PLATE

SN: 60817-UP

1шт.

|3

0

PLATE

SN: 50024-60816

1шт.

|4

6112-53-1300

BODY ASS'Y

SN: 60817-UP

1шт.

4

0

BODY

SN: 60817-UP

1шт.

4A

0

BUSHING

SN: 60817-UP

1шт.

5

6110-53-1162

SHAFT

SN: 60817-UP

1шт.

|5

0

SHAFT

SN: 53176-60816

1шт.

|5

0

SHAFT

SN: 50024-53175

1шт.

5A

07043-00108

PLUG

SN: 60817-UP

2шт.

6

6110-53-1170

BOLT

SN: 50024-UP

3шт.

7

6110-53-1180

BOLT

SN: 50024-UP

1шт.

8

01582-01008

NUT

SN: 50024-UP

4шт.

9

01602-01030

WASHER

SN: 50024-UP

4шт.

10

6114-51-1310

SHAFT

SN: .-UP

1шт.

|10

0

SHAFT

SN: 60817-.

1шт.

|$$31

(6114-51-1310{6110-53-1414¤}

-1шт.

|$$32

6112-53-1500(2))

-1шт.

|10

0

SHAFT

SN: 50051-60816

1шт.

|10

0

SHAFT

SN: 50024-50050

1шт.

11

6110-53-1414

GEAR

SN: 60817-UP

1шт.

|11

0

GEAR

SN: 53176-60816

1шт.

|11

0

GEAR

SN: 50051-53175

1шт.

|11

0

GEAR

SN: 50024-50050

1шт.

|12

6112-53-1500

GEAR ASS'Y

SN: 89377-UP

2шт.

12

0

GEAR

SN: 89377-UP

1шт.

|12

0

GEAR

SN: 60817-89376

2шт.

|12

0

GEAR

SN: 53176-60816

2шт.

|12

0

GEAR

SN: 50051-53175

2шт.

|12

0

GEAR

SN: 50024-50050

2шт.

12A

0

BUSHING

SN: 89377-UP

1шт.

|12A

0

BUSHING

SN: 60817-89376

2шт.

13

6110-53-1720

GASKET (K2)

SN: 50024-UP

1шт.

14

6112-51-1711

PIPE

SN: 56970-UP

1шт.

|14

6112-51-1710

PIPE

SN: 50024-56969

1шт.

15

01010-31050

BOLT

SN: 50024-UP

2шт.

16

6110-53-1730

PLATE (K2)

SN: 50024-UP

1шт.

|1

6112-51-1105

OIL PUMP ASS'Y

SN: 60817-UP

1шт.

|1

6112-51-1104

OIL PUMP ASS'Y

SN: 50024-60816

1шт.

|1

0

OIL PUMP ASS'Y

SN: (53176-60186)

1шт.

|1

0

OIL PUMP ASS'Y

SN: (50051-53175)

1шт.

|1

0

OIL PUMP ASS'Y

SN: (50024-50050)

1шт.

|1

6112-53-1200

BODY ASS'Y

SN: 60817-UP

1шт.

|1

0

BODY ASS'Y

SN: 53176-60816

1шт.

|1

0

BODY ASS'Y

SN: 50051-53175

1шт.

|1

0

BODY ASS'Y

SN: 50024-50050

1шт.

1

0

BODY

SN: 60817-UP

1шт.

|1

0

BODY

SN: 53176-60816

1шт.

|1

0

BODY

SN: 50051-53175

1шт.

|1

0

BODY

SN: 50024-50050

1шт.

1A

0

BUSHING

SN: 60817-UP

1шт.

2

07043-00312

PLUG

SN: 50024-UP

2шт.

3

6110-53-1122

PLATE

SN: 60817-UP

1шт.

|3

0

PLATE

SN: 50024-60816

1шт.

|4

6112-53-1300

BODY ASS'Y

SN: 60817-UP

1шт.

4

0

BODY

SN: 60817-UP

1шт.

4A

0

BUSHING

SN: 60817-UP

1шт.

5

6110-53-1162

SHAFT

SN: 60817-UP

1шт.

|5

0

SHAFT

SN: 53176-60816

1шт.

|5

0

SHAFT

SN: 50024-53175

1шт.

5A

07043-00108

PLUG

SN: 60817-UP

2шт.

6

6110-53-1170

BOLT

SN: 50024-UP

3шт.

7

6110-53-1180

BOLT

SN: 50024-UP

1шт.

8

01582-01008

NUT

SN: 50024-UP

4шт.

9

01602-01030

WASHER

SN: 50024-UP

4шт.

10

6114-51-1310

SHAFT

SN: .-UP

1шт.

|10

0

SHAFT

SN: 60817-.

1шт.

|$$31

(6114-51-1310{6110-53-1414¤}

-1шт.

|$$32

6112-53-1500(2))

-1шт.

|10

0

SHAFT

SN: 50051-60816

1шт.

|10

0

SHAFT

SN: 50024-50050

1шт.

11

6110-53-1414

GEAR

SN: 60817-UP

1шт.

|11

0

GEAR

SN: 53176-60816

1шт.

|11

0

GEAR

SN: 50051-53175

1шт.

|11

0

GEAR

SN: 50024-50050

1шт.

|12

6112-53-1500

GEAR ASS'Y

SN: 89377-UP

2шт.

12

0

GEAR

SN: 89377-UP

1шт.

|12

0

GEAR

SN: 60817-89376

2шт.

|12

0

GEAR

SN: 53176-60816

2шт.

|12

0

GEAR

SN: 50051-53175

2шт.

|12

0

GEAR

SN: 50024-50050

2шт.

12A

0

BUSHING

SN: 89377-UP

1шт.

|12A

0

BUSHING

SN: 60817-89376

2шт.

13

6110-53-1720

GASKET (K2)

SN: 50024-UP

1шт.

14

6112-51-1711

PIPE

SN: 56970-UP

1шт.

|14

6112-51-1710

PIPE

SN: 50024-56969

1шт.

15

01010-31050

BOLT

SN: 50024-UP

2шт.

16

6110-53-1730

PLATE (K2)

SN: 50024-UP

1шт.

Выбрано товаров: 102