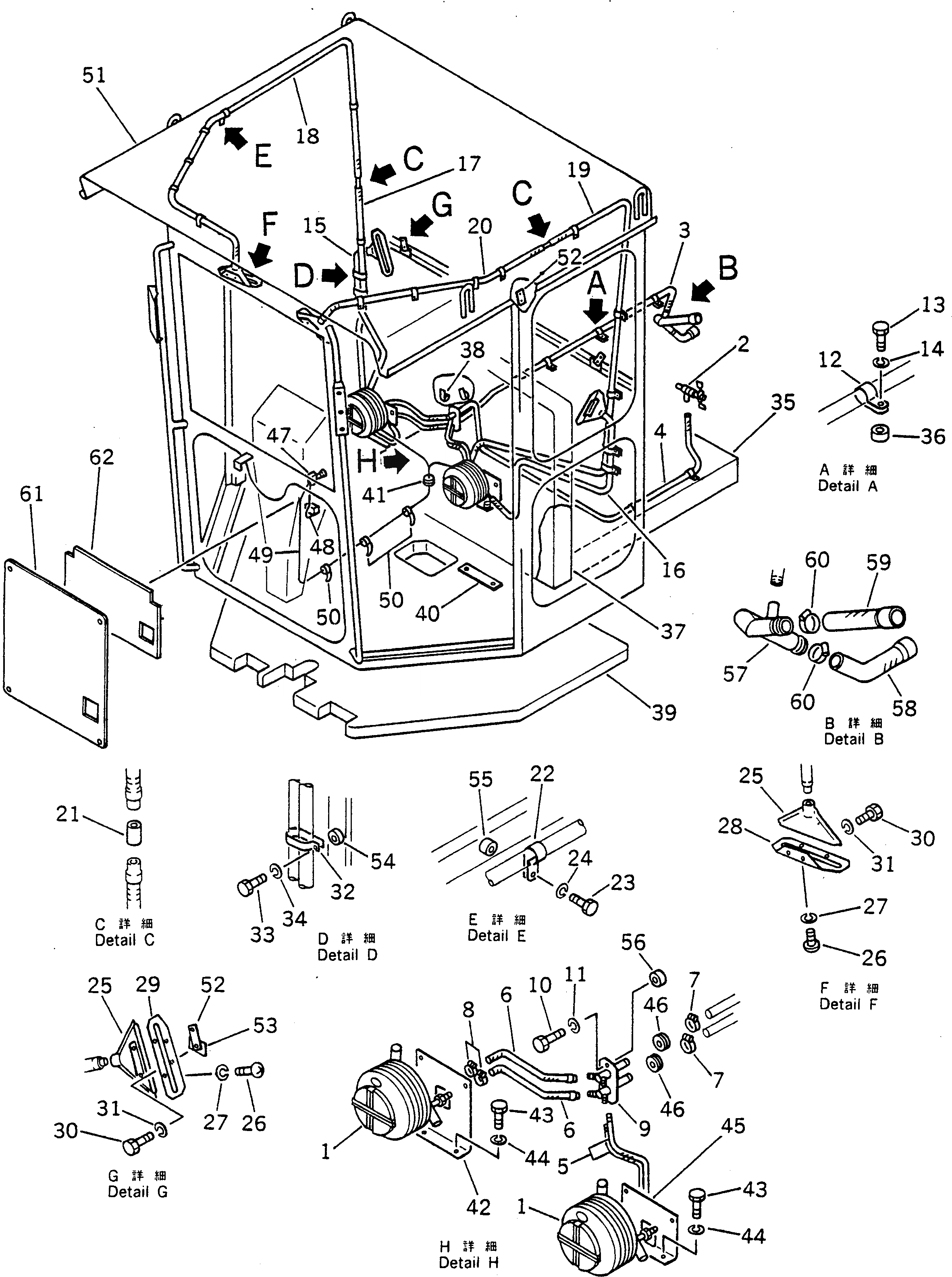
Запчасти Komatsu GD300A-1 ОБОГРЕВАТЕЛЬ. (ДЛЯ X-СОЕДИНИТЕЛЬН. ЗВЕНО СИДЕНЬЕ) ОПЦИОННЫЕ КОМПОНЕНТЫ

Схема запчастей Komatsu GD300A-1 - ОБОГРЕВАТЕЛЬ. (ДЛЯ X-СОЕДИНИТЕЛЬН. ЗВЕНО СИДЕНЬЕ) ОПЦИОННЫЕ КОМПОНЕНТЫ
FIT
1:1
100%

Артикул

Название

Примечание

Количество

1

09480-02400

HEATER

SN: 2001-UP

2шт.

2

09482-10000

VALVE

SN: 2001-UP

1шт.

3

09483-00524

HOSE

SN: 2001-UP

1шт.

4

09483-00518

HOSE

SN: 2001-UP

1шт.

5

09483-00407

HOSE

SN: 2001-UP

2шт.

6

09483-00405

HOSE

SN: 2001-UP

2шт.

7

07281-00259

CLAMP

SN: 2001-UP

4шт.

8

07281-00229

CLAMP

SN: 2001-UP

8шт.

9

237-807-1110

TEE

SN: 2001-UP

1шт.

10

01010-50816

BOLT

SN: 2001-UP

2шт.

11

01602-20825

WASHER,SPRING

SN: 2001-UP

2шт.

12

232-807-1570

CLIP

SN: 2001-UP

6шт.

13

01010-51016

BOLT

SN: 2001-UP

6шт.

14

01602-21030

WASHER,SPRING

SN: 2001-UP

6шт.

15

09485-03708

HOSE

SN: 2001-UP

1шт.

16

09485-03715

HOSE

SN: 2001-UP

1шт.

17

09485-03716

HOSE

SN: 2001-UP

1шт.

18

09485-03724

HOSE

SN: 2001-UP

1шт.

19

09485-03724

HOSE

SN: 2001-UP

1шт.

20

09485-03718

HOSE

SN: 2001-UP

1шт.

21

232-807-1361

JOINT

SN: 2001-UP

2шт.

22

232-807-1551

CLIP

SN: 2001-UP

14шт.

23

01010-51016

BOLT

SN: 2001-UP

14шт.

24

01602-21030

WASHER,SPRING

SN: 2001-UP

14шт.

25

09486-10000

NOZZLE

SN: 2001-UP

4шт.

26

01220-40512

SCREW

SN: 2001-UP

8шт.

27

01601-20513

WASHER,SPRING

SN: 2001-UP

8шт.

28

238-807-1230

BRACKET

SN: 2001-UP

3шт.

29

237-807-1160

BRACKET

SN: 2001-UP

1шт.

30

01010-50816

BOLT

SN: 2001-UP

8шт.

31

01602-20825

WASHER,SPRING

SN: 2001-UP

8шт.

32

230-807-1680

CLIP

SN: 2001-UP

4шт.

33

01010-50816

BOLT

SN: 2001-UP

4шт.

34

01602-20825

WASHER,SPRING

SN: 2001-UP

4шт.

35

237-807-1280

FRAME,REAR (MODIFIED PART)

SN: 2001-UP

1шт.

36

01571-01016

SEAT (WELDED)

SN: 2001-UP

4шт.

37

237-807-1391

PANEL,(MODIFIED PART)

SN: 2001-UP

1шт.

38

565-44-13250

CLIP (WELDED)

SN: 2001-UP

2шт.

39

237-807-1290

FRAME,(MODIFIED PART)

SN: 2001-UP

1шт.

40

237-807-1120

PLATE (WELDED)

SN: 2001-UP

2шт.

41

08037-01008

GROMMET

SN: 2001-UP

1шт.

42

232-807-1781

PLATE

SN: 2001-UP

1шт.

43

01010-51016

BOLT

SN: 2001-UP

4шт.

44

01602-21030

WASHER,SPRING

SN: 2001-UP

4шт.

45

232-957-5210

BRACKET

SN: 2001-UP

1шт.

46

08037-02512

GROMMET

SN: 2001-UP

4шт.

47

09481-02400

SWITCH

SN: 2001-UP

1шт.

48

237-807-1330

CABLE

SN: 2001-UP

1шт.

49

237-807-1340

HARNESS

SN: 2001-UP

1шт.

50

08034-00519

BAND

SN: 2001-UP

5шт.

51

237-807-1360

CABIN,(MODIFIED PART)

SN: 2001-UP

1шт.

52

01573-28207

SEAT (WELDED)

SN: 2001-UP

6шт.

53

238-807-1120

SEAT (WELDED)

SN: 2001-UP

1шт.

54

01571-00814

SEAT (WELDED)

SN: 2001-UP

4шт.

55

01571-01016

SEAT (WELDED)

SN: 2001-UP

14шт.

56

234-46-12810

SEAT (WELDED)

SN: 2001-UP

2шт.

57

237-807-1250

TUBE

SN: 2001-UP

1шт.

58

237-807-1260

HOSE

SN: 2001-UP

1шт.

59

237-807-1270

HOSE

SN: 2001-UP

1шт.

60

07281-00609

CLAMP

SN: 2001-UP

2шт.

61

237-807-2210

PLATE,(MODIFIED PART)

SN: 2001-UP

1шт.

62

237-807-2220

WOOL,(MODIFIED PART)

SN: 2001-UP

1шт.

Выбрано товаров: 0