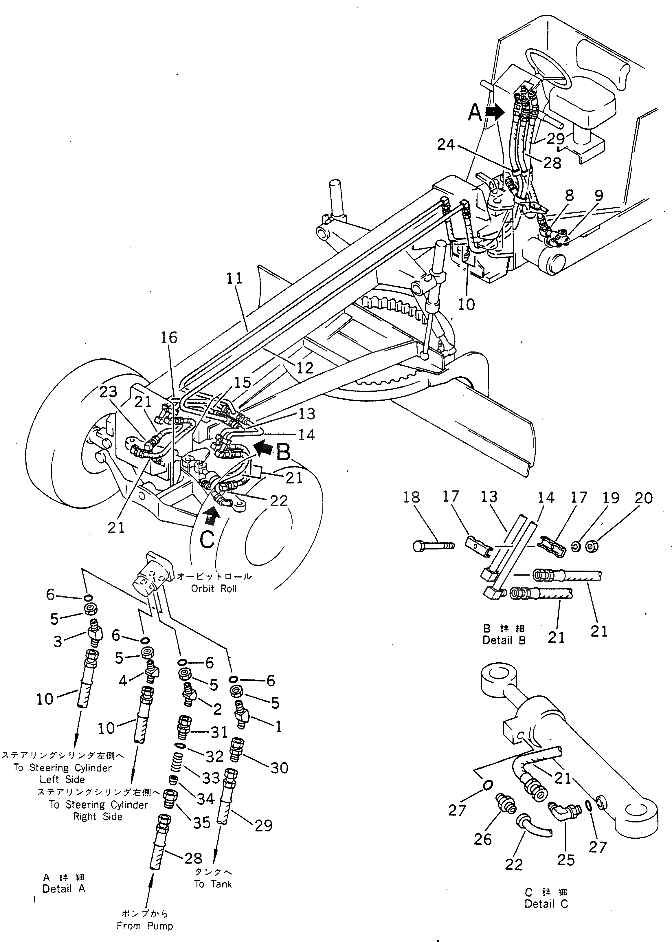
Запчасти Komatsu GD300A-1 ГИДРАВЛИКА РУЛ. УПРАВЛЕНИЯ(№-) СИСТЕМАУПРАВЛЕНИЯ ПОВОРОТОМ

Схема запчастей Komatsu GD300A-1 - ГИДРАВЛИКА РУЛ. УПРАВЛЕНИЯ(№-) СИСТЕМАУПРАВЛЕНИЯ ПОВОРОТОМ
FIT
1:1
100%

Артикул

Название

Примечание

Количество

1

237-40-13110

ELBOW

SN: 2001-UP

1шт.

2

237-40-13120

NIPPLE

SN: 2001-UP

1шт.

3

237-40-13130

NIPPLE

SN: 2001-UP

1шт.

4

237-40-13140

NIPPLE

SN: 2001-UP

1шт.

5

237-40-13150

NUT

SN: 2001-UP

4шт.

6

237-40-13160

O-RING (KIT)

SN: 2001-UP

4шт.

8

236-41-13190

ELBOW

SN: 2050-UP

1шт.

9

237-40-12300

VALVE ASS'Y

SN: 2001-UP

1шт.

10

07113-00321

HOSE

SN: 2001-UP

2шт.

11

237-40-13210

TUBE

SN: 2001-UP

1шт.

12

237-40-13220

TUBE

SN: 2001-UP

1шт.

13

237-40-13270

TUBE

SN: 2001-UP

1шт.

14

237-40-13280

TUBE

SN: 2001-UP

1шт.

15

237-40-13290

TUBE

SN: 2001-UP

1шт.

16

237-40-13310

TUBE

SN: 2001-UP

1шт.

17

237-60-14130

CLIP

SN: 2001-UP

4шт.

18

01010-31050

BOLT

SN: 2001-UP

2шт.

19

01602-01030

WASHER,SPRING

SN: 2001-UP

2шт.

20

01580-01008

NUT

SN: 2001-UP

2шт.

21

07109-20306

HOSE

SN: 2001-UP

4шт.

22

237-40-13250

TUBE

SN: 2001-UP

1шт.

23

237-40-13260

TUBE

SN: 2001-UP

1шт.

24

08034-00834

BAND

SN: 2001-UP

4шт.

25

07235-10315

ELBOW

SN: 2001-UP

2шт.

26

07230-10315

UNION

SN: 2001-UP

2шт.

27

07002-12034

O-RING

SN: 2001-UP

4шт.

28

07108-20511

HOSE

SN: 2062-UP

1шт.

28

0

HOSE

SN: 2050-2061

1шт.

29

07108-20513

HOSE

SN: 2050-UP

1шт.

30

237-40-13170

NIPPLE

SN: 2050-UP

1шт.

31

238-40-13350

NIPPLE

SN: 2050-UP

1шт.

32

07002-12034

O-RING

SN: 2050-UP

1шт.

33

234-60-16350

SPRING

SN: 2050-UP

1шт.

34

238-40-13260

VALVE

SN: 2050-UP

1шт.

35

237-40-13180

NIPPLE

SN: 2050-UP

1шт.

Выбрано товаров: 35