Запчасти Komatsu GD300A-1 ЭЛЕКТРИКА (ЦЕНТР.) КОМПОНЕНТЫ ДВИГАТЕЛЯ И ЭЛЕКТРИКА

Схема запчастей Komatsu GD300A-1 - ЭЛЕКТРИКА (ЦЕНТР.) КОМПОНЕНТЫ ДВИГАТЕЛЯ И ЭЛЕКТРИКА
FIT
1:1
100%

Артикул

Название

Примечание

Количество

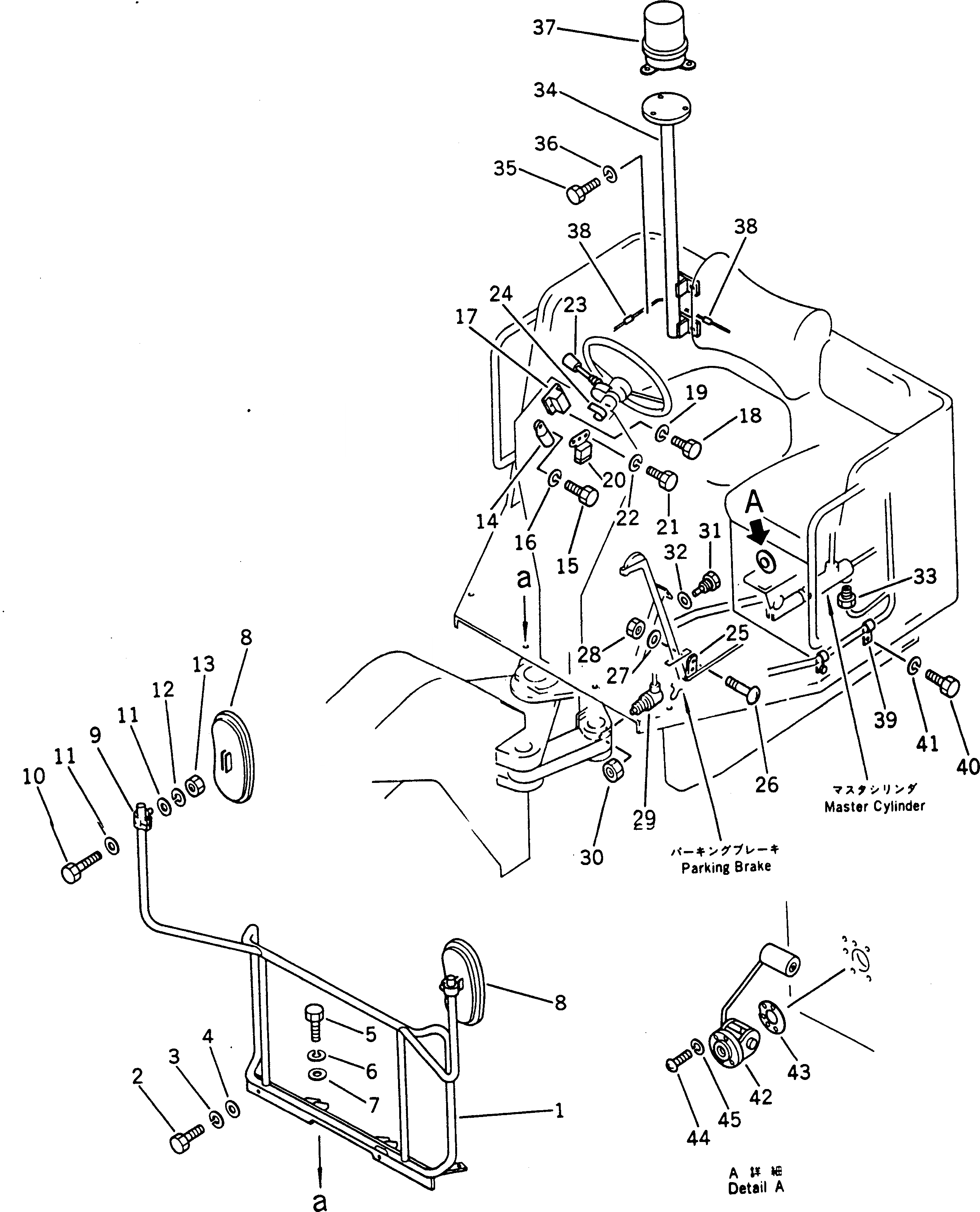
1

237-06-14211

BRACKET

SN: 2001-UP

1шт.

2

01010-31025

BOLT

SN: 2001-UP

6шт.

3

01602-01030

WASHER,SPRING

SN: 2001-UP

6шт.

4

01640-21016

WASHER

SN: 2001-UP

6шт.

5

01010-31230

BOLT

SN: 2001-UP

2шт.

6

01602-01236

WASHER,SPRING

SN: 2001-UP

2шт.

7

01640-21223

WASHER

SN: 2001-UP

2шт.

8

08174-10001

MIRROR

SN: 2001-UP

2шт.

9

232-06-15151

PIVOT

SN: 2001-UP

2шт.

10

01010-30825

BOLT

SN: 2001-UP

2шт.

11

01643-30823

WASHER

SN: 2001-UP

4шт.

12

01602-00825

WASHER,SPRING

SN: 2001-UP

2шт.

13

01580-00806

NUT

SN: 2001-UP

2шт.

14

08077-22400

FLASHER

SN: 2001-UP

1шт.

15

01010-30612

BOLT

SN: 2001-UP

1шт.

16

01602-00619

WASHER,SPRING

SN: 2001-UP

1шт.

17

6130-82-4120

RESISTOR

SN: 2001-UP

1шт.

18

01010-30610

BOLT

SN: 2001-UP

2шт.

19

01602-00619

WASHER,SPRING

SN: 2001-UP

2шт.

20

08163-02400

RELAY,HORN

SN: 2001-UP

1шт.

21

01010-30612

BOLT

SN: 2001-UP

2шт.

22

01602-00619

WASHER,SPRING

SN: 2001-UP

2шт.

23

237-06-15210

SWITCH,TURN SIGNAL

SN: 2001-UP

1шт.

24

237-06-15220

SEAT

SN: 2001-UP

1шт.

25

237-06-15300

SWITCH,PARKING BRAKE

SN: 2001-UP

1шт.

26

01220-30330

SCREW

SN: 2001-UP

2шт.

27

237-06-15330

WASHER

SN: 2001-UP

2шт.

28

01580-00302

NUT

SN: 2001-UP

4шт.

29

236-06-23220

SWITCH,ARTICULATE LOCK

SN: 2001-UP

1шт.

30

236-06-23230

NUT

SN: 2001-UP

1шт.

31

236-06-23290

SWITCH,BACK LAMP

SN: 2001-UP

1шт.

32

07005-01812

GASKET

SN: 2001-UP

1шт.

33

08071-12400

SWITCH,BRAKE LAMP

SN: 2001-UP

1шт.

34

237-06-14250

BRACKET

SN: 2001-UP

1шт.

35

01010-31020

BOLT

SN: 2001-UP

4шт.

36

01602-01030

WASHER,SPRING

SN: 2001-UP

4шт.

37

08154-12400

LAMP ASS'Y,BEACON

SN: 2001-UP

1шт.

|37

08103-02460

BULB¤ 35W

SN: 2001-UP

1шт.

|37

08154-10003

GLOBE

SN: 2001-UP

1шт.

38

232-856-5250

CLIP

SN: 2001-UP

3шт.

39

08036-02514

CLIP

SN: 2001-UP

2шт.

40

01010-31016

BOLT

SN: 2001-UP

2шт.

41

01602-01030

WASHER,SPRING

SN: 2001-UP

2шт.

42

237-06-15140

SENSOR,FUEL

SN: 2001-UP

1шт.

43

237-06-15190

PACKING

SN: 2001-UP

1шт.

44

01220-30412

SCREW

SN: 2001-UP

5шт.

45

01602-00410

WASHER,SPRING

SN: 2001-UP

5шт.

Выбрано товаров: 0