Запчасти Komatsu GD300A-1 КАРДАНН. ВАЛ СДВОЕНН. ПРИВОД И КОЛЕСА

Схема запчастей Komatsu GD300A-1 - КАРДАНН. ВАЛ СДВОЕНН. ПРИВОД И КОЛЕСА
FIT
1:1
100%

Артикул

Название

Примечание

Количество

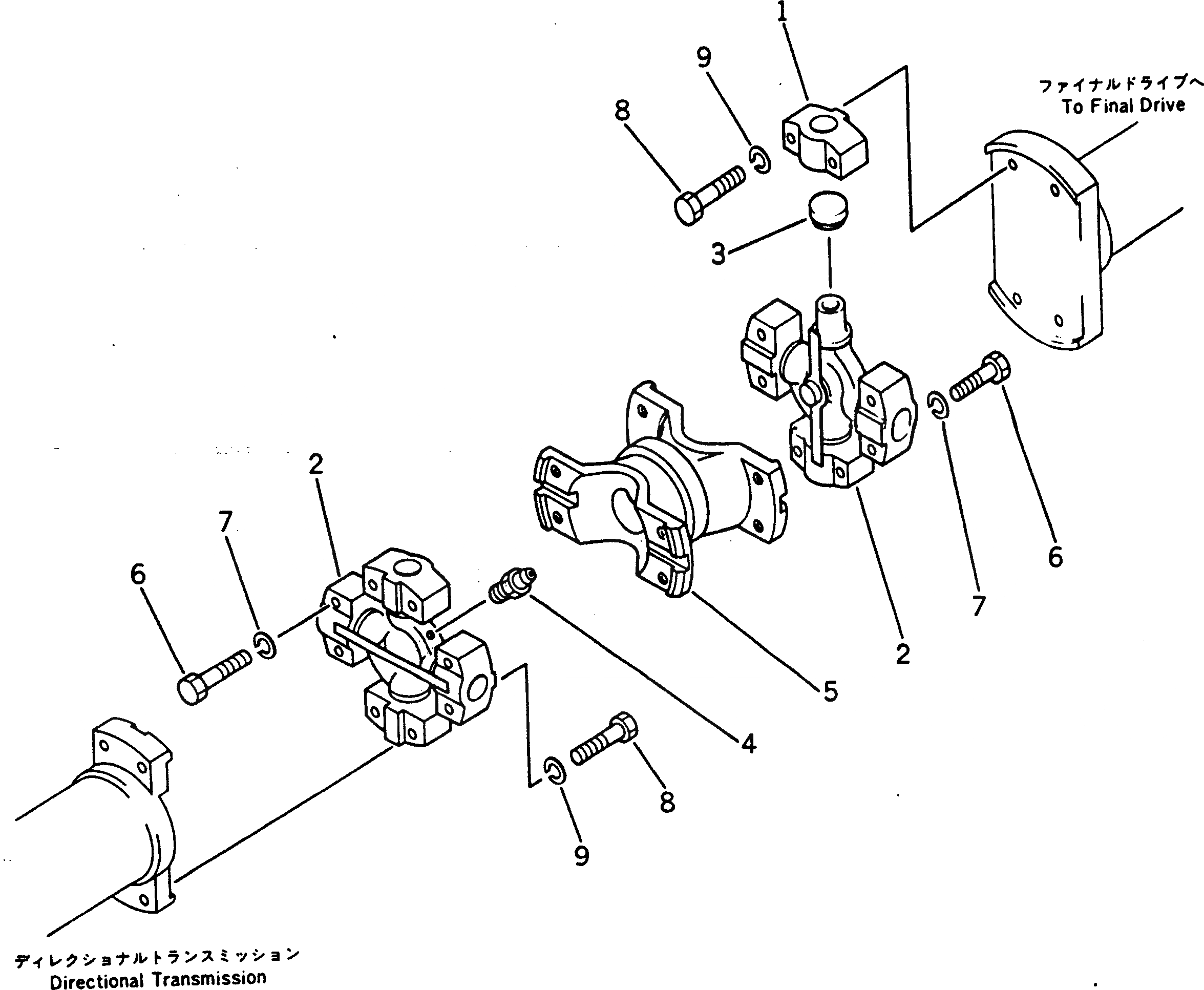
|1

141-10-00541

UNIVERSAL JOINT A.

SN: 2001-UP

1шт.

|1

141-10-36102

SHAFT ASS'Y

SN: 2001-UP

2шт.

1

170-66-11210

BEARING

SN: 2001-UP

4шт.

2

145-14-35110

SPIDER ASS'Y

SN: 2001-UP

1шт.

3

170-66-11380

SEAL,DUST

SN: 2001-UP

4шт.

4

07020-00000

FITTING,GREASE

SN: 2001-UP

1шт.

5

141-10-36121

YOKE

SN: 2001-UP

1шт.

6

131-10-56110

BOLT

SN: 2001-UP

8шт.

7

01602-01030

WASHER,SPRING

SN: 2001-UP

8шт.

8

01010-61045

BOLT

SN: 2001-UP

8шт.

9

01602-01030

WASHER,SPRING

SN: 2001-UP

8шт.

Выбрано товаров: 0