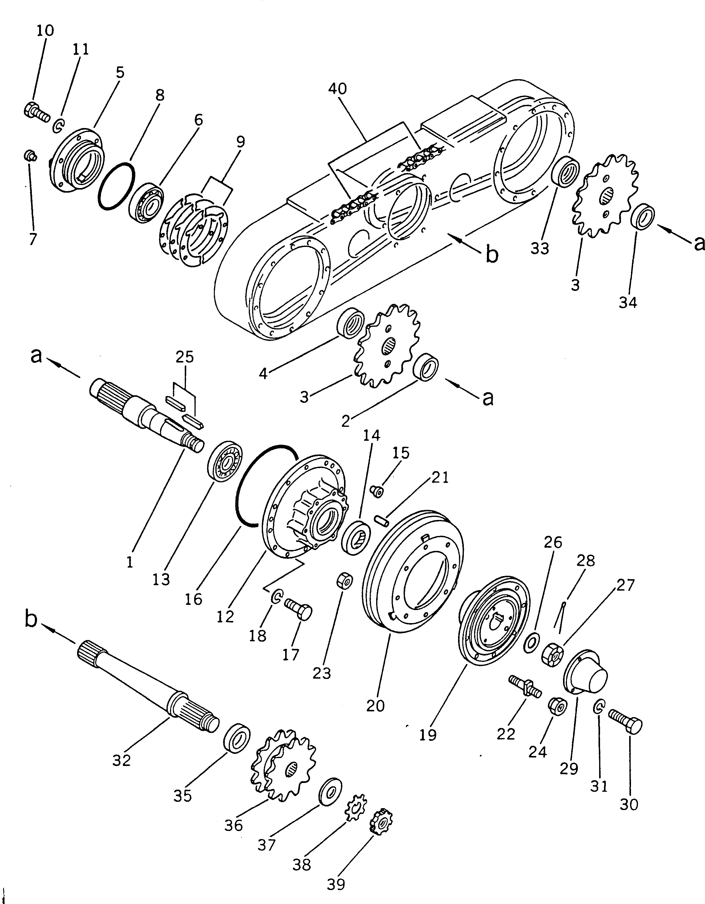
Запчасти Komatsu GD300A-1 СДВОЕНН. ПРИВОД ПРИВОД СДВОЕНН. ПРИВОД И КОЛЕСА

Схема запчастей Komatsu GD300A-1 - СДВОЕНН. ПРИВОД ПРИВОД СДВОЕНН. ПРИВОД И КОЛЕСА
FIT
1:1
100%

Артикул

Название

Примечание

Количество

|1

237-23-00012

TANDEM DRIVE ASS'Y,L.H.

SN: 2001-UP

1шт.

|1

237-23-00052

TANDEM DRIVE ASS'Y,R.H.

SN: 2001-UP

1шт.

|$$3

THESE ASSEMBLIES CONSIST OF ALL PARTS SHOWN IN FIGS.321 AND 322.

-1шт.

1

237-23-11310

SHAFT

SN: 2001-UP

2шт.

2

237-23-11340

SPACER

SN: 2001-UP

1шт.

3

237-23-11320

SPROCKET

SN: 2001-UP

2шт.

4

237-23-11330

SPACER

SN: 2001-UP

1шт.

5

237-23-11161

COVER

SN: 2001-UP

2шт.

6

06002-30214

BEARING

SN: 2001-UP

2шт.

7

07048-01310

PLUG

SN: 2001-UP

4шт.

8

07000-15160

O-RING (KIT)

SN: 2001-UP

2шт.

9

237-23-00030

SHIM ASS'Y (KIT)

SN: 2001-UP

2шт.

|9

0

SHIM¤ 0.1MM

SN: 2001-UP

4шт.

|9

0

SHIM¤ 0.2MM

SN: 2001-UP

8шт.

|9

0

SHIM¤ 1.0MM

SN: 2001-UP

4шт.

10

01010-31435

BOLT

SN: 2001-UP

12шт.

11

01602-01442

WASHER,SPRING

SN: 2001-UP

12шт.

12

237-23-11171

HOUSING

SN: 2001-UP

2шт.

13

06002-30216

BEARING

SN: 2001-UP

2шт.

14

07012-00080

SEAL,OIL (KIT)

SN: 2001-UP

2шт.

15

07048-01310

PLUG

SN: 2001-UP

6шт.

16

07000-15325

O-RING (KIT)

SN: 2001-UP

2шт.

17

01010-31435

BOLT

SN: 2001-UP

24шт.

18

01602-01442

WASHER,SPRING

SN: 2001-UP

24шт.

19

233-23-13112

HUB

SN: 2001-UP

1шт.

20

233-23-22120

DRUM,BRAKE

SN: 2001-UP

1шт.

21

233-23-22320

PIN

SN: 2001-UP

4шт.

22

233-23-13142

BOLT,HUB

SN: 2001-UP

8шт.

23

01580-02016

NUT

SN: 2001-UP

8шт.

24

234-23-13210

NUT,HUB

SN: 2026-UP

8шт.

|24

0

NUT,HUB

SN: 2001-2025

8шт.

25

04000-02000

KEY

SN: 2001-UP

4шт.

26

01640-24860

WASHER

SN: 2001-UP

2шт.

27

01590-04850

NUT

SN: 2001-UP

2шт.

28

04050-18085

PIN,COTTER (KIT)

SN: 2001-UP

2шт.

29

234-23-13131

COVER

SN: 2001-UP

2шт.

30

01010-31222

BOLT

SN: 2001-UP

6шт.

31

01602-01236

WASHER,SPRING

SN: 2001-UP

6шт.

32

237-23-11210

SHAFT

SN: 2001-UP

1шт.

33

237-23-11350

SPACER

SN: 2001-UP

1шт.

34

237-23-11360

SPACER

SN: 2001-UP

1шт.

35

237-23-11230

SPACER

SN: 2001-UP

1шт.

36

237-23-11290

SPROCKET

SN: 2001-UP

2шт.

37

230-22-12280

WASHER

SN: 2001-UP

1шт.

38

01530-06214

NUT

SN: 2001-UP

1шт.

39

01658-26223

WASHER (KIT)

SN: 2001-UP

1шт.

40

237-23-11420

CHAIN ASS'Y

SN: 2001-UP

2шт.

Выбрано товаров: 0