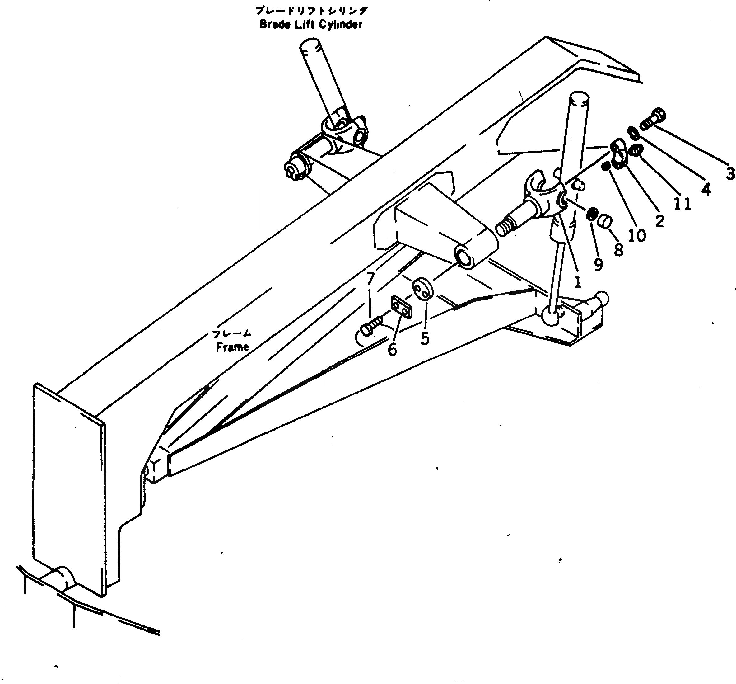
Запчасти Komatsu GD300A-1 ПОДЪЕМ. ОТВАЛА КОРПУС РАБОЧЕЕ ОБОРУДОВАНИЕ

Схема запчастей Komatsu GD300A-1 - ПОДЪЕМ. ОТВАЛА КОРПУС РАБОЧЕЕ ОБОРУДОВАНИЕ
FIT
1:1
100%

Артикул

Название

Примечание

Количество

|1

237-70-00151

BRACKET ASS'Y

SN: 2001-UP

2шт.

|1

233-71-00192

YOKE ASS'Y

SN: 2001-UP

1шт.

1

0

YOKE

SN: 2001-UP

1шт.

2

0

CAP

SN: 2001-UP

2шт.

3

01010-31225

BOLT

SN: 2001-UP

4шт.

4

01602-01236

WASHER,SPRING

SN: 2001-UP

4шт.

5

233-71-11522

HOLDER

SN: 2001-UP

1шт.

6

04081-06512

LOCK

SN: 2001-UP

1шт.

7

01010-31435

BOLT

SN: 2001-UP

2шт.

8

233-71-11541

BUSHING

SN: 2001-UP

2шт.

9

07145-00035

SEAL,DUST

SN: 2001-UP

2шт.

10

144-70-15251

PIN

SN: 2001-UP

2шт.

11

07020-00000

FITTING,GREASE

SN: 2001-UP

4шт.

Выбрано товаров: 0