Запчасти Komatsu GD300A-1 КОЛЬЦЕВ.РЕВЕРС (/) РАБОЧЕЕ ОБОРУДОВАНИЕ

Схема запчастей Komatsu GD300A-1 - КОЛЬЦЕВ.РЕВЕРС (/) РАБОЧЕЕ ОБОРУДОВАНИЕ
FIT
1:1
100%

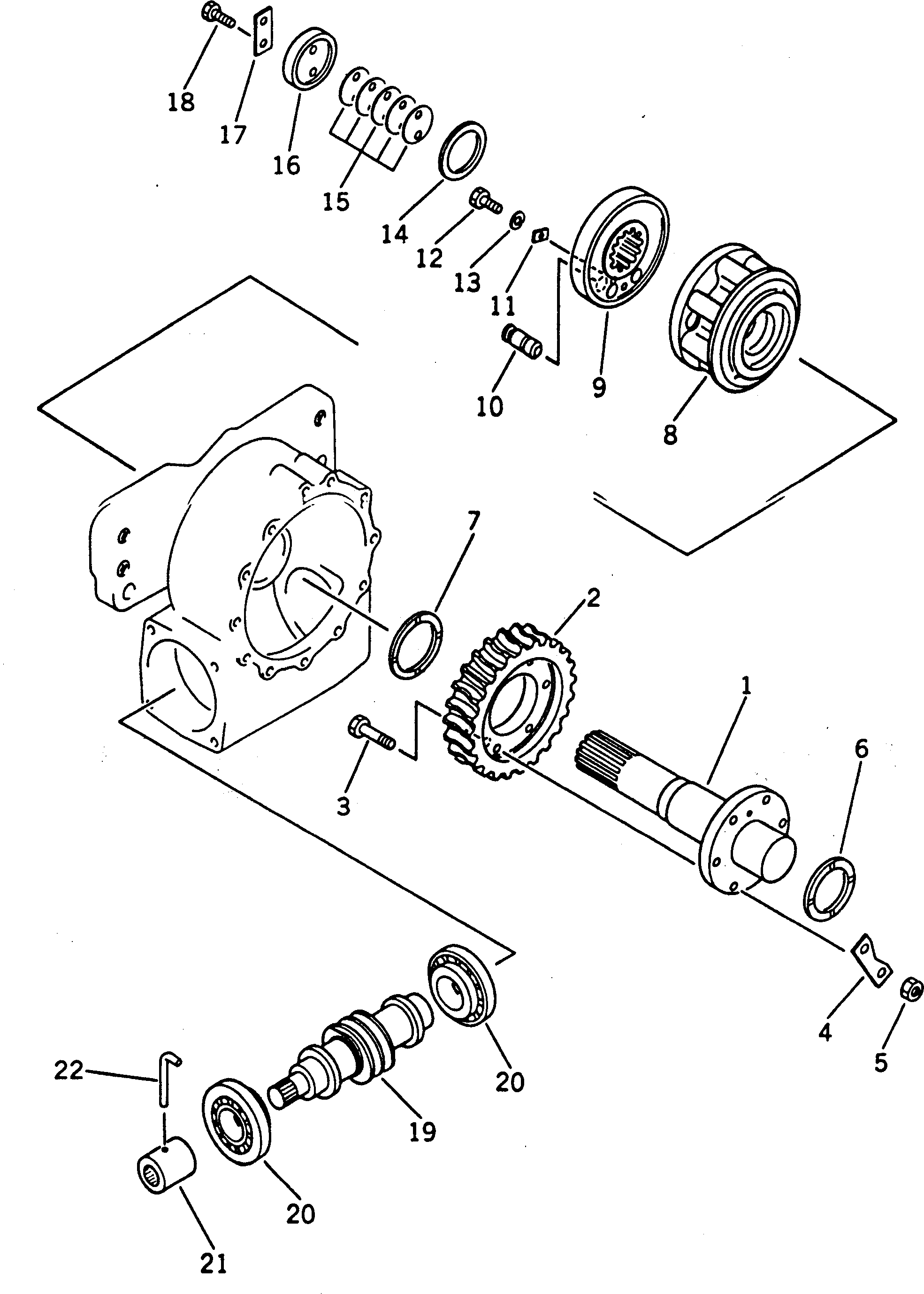
Артикул

Название

Примечание

Количество

|1

237-70-00220

GEAR ASS'Y,CIRCLE REVERSE

SN: 2001-UP

1шт.

|$$2

THIS ASSEMBLY CONSISTS OF ALL PARTS SHOWN IN FIGS.721 AND 722.

-1шт.

1

232-70-54420

SHAFT

SN: 2001-UP

1шт.

2

234-71-13161

GEAR

SN: 2001-UP

1шт.

3

01090-51455

BOLT

SN: 2001-UP

6шт.

4

232-70-54470

LOCK

SN: 2001-UP

3шт.

5

01582-11411

NUT

SN: 2001-UP

6шт.

6

232-70-54430

WASHER

SN: 2001-UP

1шт.

7

232-70-54450

WASHER

SN: 2001-UP

1шт.

8

233-71-13354

GEAR

SN: 2001-UP

1шт.

9

234-71-13242

JOINT

SN: 2001-UP

1шт.

10

230-71-13131

PIN,SHEAR

SN: 2001-UP

1шт.

11

232-71-13532

PLATE

SN: 2001-UP

1шт.

12

01010-50820

BOLT

SN: 2001-UP

1шт.

13

01602-20825

WASHER,SPRING

SN: 2001-UP

1шт.

14

233-70-25150

SPACER

SN: 2001-UP

1шт.

15

238-70-00190

SHIM ASS'Y

SN: 2001-UP

1шт.

|15

0

SHIM¤ 0.5MM

SN: 2001-UP

10шт.

16

232-70-54330

HOLDER

SN: 2001-UP

1шт.

17

04081-06012

LOCK

SN: 2001-UP

1шт.

18

01010-51235

BOLT

SN: 2001-UP

2шт.

19

238-70-16141

WORM

SN: 2001-UP

1шт.

20

06002-30310

BEARING

SN: 2001-UP

2шт.

21

238-70-16160

COUPLING

SN: 2001-UP

1шт.

22

234-71-13280

PIN

SN: 2001-UP

1шт.

Выбрано товаров: 25