Запчасти Komatsu GD305A-1 ЭЛЕКТРИКА (ПЕРЕДН. ЛИНИЯ)(№-) КОМПОНЕНТЫ ДВИГАТЕЛЯ И ЭЛЕКТРИКА

Схема запчастей Komatsu GD305A-1 - ЭЛЕКТРИКА (ПЕРЕДН. ЛИНИЯ)(№-) КОМПОНЕНТЫ ДВИГАТЕЛЯ И ЭЛЕКТРИКА
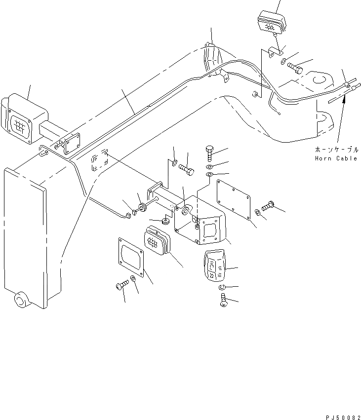
1
1
2
2
3
4
5
6
7
8
9
10
11
11
12
12
13
14
15
16
17
18
18
19
20
21
22
23
FIT
1:1
100%

Артикул

Название

Примечание

Количество

1

23E-06-12171

BRACKET,L.H.

SN: 6001-6500

1шт.

|1

23E-06-12181

BRACKET,R.H.

SN: 6001-6500

1шт.

2

08037-03614

GROMMET

SN: 6001-6500

4шт.

3

08037-01610

GROMMET

SN: 6001-6500

2шт.

4

421-06-13102

LAMP ASS'Y,HEAD

SN: 6001-@

2шт.

|4

421-06-13110

BULB¤ 85/65W

SN: 6001-@

1шт.

|4

421-06-13120

CUSHION

SN: 6001-@

4шт.

5

23D-06-11110

WIRE ASS'Y

SN: 6001-6500

2шт.

6

01010-51016

BOLT

SN: 6001-@

2шт.

7

01643-31032

WASHER

SN: 6001-@

2шт.

8

01641-21016

WASHER

SN: 6001-@

2шт.

9

23E-06-12161

COVER

SN: 6001-@

2шт.

10

23E-06-12151

COVER

SN: 6001-@

2шт.

11

01220-40612

SCREW

SN: 6001-@

20шт.

12

01643-30623

WASHER

SN: 6001-@

20шт.

13

421-06-13301

LAMP ASS'Y,TURN SIGNAL¤ L.H.

SN: 6001-@

1шт.

|13

421-06-13401

LAMP ASS'Y,TURN SIGNAL¤ R.H.

SN: 6001-@

1шт.

|13

421-06-13310

BULB¤ 10/4W

SN: 6001-@

1шт.

|13

22W-06-12310

LENS,L.H.

SN: 6001-@

1шт.

|13

22W-06-12320

LENS,R.H.

SN: 6001-@

1шт.

|13

08105-12420

BULB¤ 25W

SN: 6001-@

2шт.

|13

01220-50450

SCREW

SN: 6001-@

2шт.

|13

01220-50416

SCREW

SN: 6001-@

2шт.

|13

01641-40405

WASHER

SN: 6001-@

4шт.

14

01220-40512

SCREW

SN: 6001-@

8шт.

15

01601-20513

WASHER,SPRING

SN: 6001-@

8шт.

16

01010-51030

BOLT

SN: 6001-@

8шт.

17

01643-31032

WASHER

SN: 6001-@

8шт.

18

23D-06-13350

LAMP ASS'Y,WORK¤ FRONT

SN: 6072-6500

2шт.

|18

22W-06-12381

LAMP ASS'Y,WORK¤ FRONT

SN: 6001-6071

2шт.

|18

22W-06-12280

HOUSING

SN: 6001-6071

1шт.

|18

22W-06-12170

BULB

SN: 6001-6500

1шт.

|18

22W-06-12120

RING

SN: 6001-6071

1шт.

|18

22W-06-12290

CUSHION

SN: 6001-6071

1шт.

|18

22W-06-12130

RING

SN: 6001-6071

1шт.

19

23E-06-12210

BRACKET

SN: 6001-6500

2шт.

20

01010-51430

BOLT

SN: 6001-@

2шт.

21

01643-31445

WASHER

SN: 6001-@

2шт.

22

23D-06-11120

WIRE ASS'Y

SN: 6001-6500

1шт.

23

08036-11214

CLIP

SN: 6001-@

1шт.

Выбрано товаров: 40