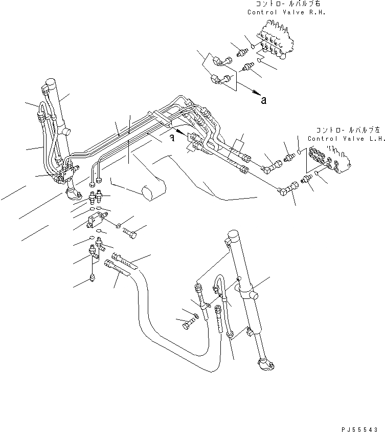
Запчасти Komatsu GD305A-1 ГИДРОЛИНИЯ (ЦИЛИНДР ПОДЪЕМА ОТВАЛА ЛИНИЯ) (ДЛЯ НАКЛОНЯЕМ.)(№-) ГИДРАВЛИКА

Схема запчастей Komatsu GD305A-1 - ГИДРОЛИНИЯ (ЦИЛИНДР ПОДЪЕМА ОТВАЛА ЛИНИЯ) (ДЛЯ НАКЛОНЯЕМ.)(№-) ГИДРАВЛИКА
1
1
2
2
3
3
3
3
4
4
5
6
6
7
8
9
10
11
11
12
12
13
13
14
15
16
16
17
18
18
19
19
20
21
22
23
23
24
25
26
27
FIT
1:1
100%

Артикул

Название

Примечание

Количество

1

237-60-23120

NIPPLE

SN: 6501-UP

2шт.

2

237-60-23120

NIPPLE

SN: 6501-UP

2шт.

3

07000-12018

O-RING

SN: 6501-UP

4шт.

4

23E-60-14710

TUBE

SN: 6501-UP

2шт.

5

23A-60-14151

TUBE

SN: 6501-UP

2шт.

|5

23A-60-17111

TUBE,(FOR DRAWBAR SHIFT)

SN: 6501-UP

2шт.

6

230-09-23090

HOSE

SN: 6501-UP

4шт.

7

23E-60-15120

TUBE

SN: 6501-UP

1шт.

8

23E-60-15140

TUBE

SN: 6501-UP

1шт.

9

23E-60-15110

TUBE

SN: 6501-UP

1шт.

10

23E-60-15130

TUBE

SN: 6501-UP

1шт.

11

07230-10422

UNION

SN: 6501-UP

4шт.

12

07002-12034

O-RING

SN: 6501-UP

4шт.

13

235-61-14800

VALVE ASS'Y,L.H.

SN: 6501-UP

1шт.

|13

235-61-14800

VALVE ASS'Y,R.H.

SN: 6501-UP

1шт.

14

01010-50855

BOLT

SN: 6501-UP

4шт.

15

01643-30823

WASHER

SN: 6501-UP

4шт.

16

07235-50315

ELBOW

SN: 6501-UP

4шт.

17

07042-30108

PLUG

SN: .-UP

4шт.

|17

07042-50108

PLUG

SN: 6501-.

4шт.

18

07002-12034

O-RING

SN: 6501-UP

4шт.

19

230-09-03090

HOSE

SN: 6501-UP

2шт.

20

230-09-03120

HOSE

SN: 6501-UP

2шт.

21

23D-60-14980

TUBE

SN: 6501-UP

1шт.

22

23D-60-14292

TUBE

SN: 6501-UP

1шт.

23

23E-63-12102

CYLINDER ASS'Y,BLADE LIFT

SN: 6501-UP

2шт.

24

232-60-63160

CLIP

SN: 6501-UP

2шт.

25

08036-21814

CLIP

SN: 6501-UP

2шт.

26

01010-51020

BOLT

SN: 6501-UP

2шт.

27

01643-31032

WASHER

SN: 6501-UP

2шт.

Выбрано товаров: 30