Запчасти Komatsu GD305A-1 ТОПЛИВН. И ГИДР. БАК.(№-) КОМПОНЕНТЫ ДВИГАТЕЛЯ И ЭЛЕКТРИКА

Схема запчастей Komatsu GD305A-1 - ТОПЛИВН. И ГИДР. БАК.(№-) КОМПОНЕНТЫ ДВИГАТЕЛЯ И ЭЛЕКТРИКА
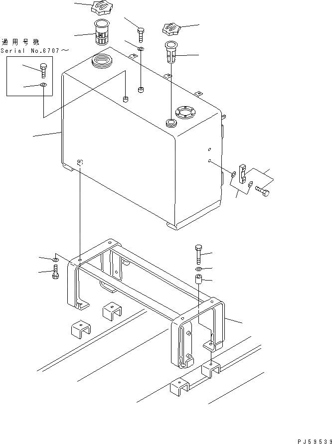
1
2
2
3
3
4
5
6
7
8
9
10
11
12
13
14
15
FIT
1:1
100%

Артикул

Название

Примечание

Количество

1

23E-04-11211

TANK

SN: 6701-UP

1шт.

|1

23E-04-11210

TANK

SN: 6501-6700

1шт.

2

01010-51625

BOLT

SN: 6707-UP

2шт.

|2

01010-51625

BOLT

SN: 6001-6706

1шт.

3

01640-21626

WASHER

SN: 6707-UP

2шт.

|3

01640-21626

WASHER

SN: 6001-6706

1шт.

4

238-04-12130

STRAINER

SN: 6001-UP

1шт.

5

07050-21200

CAP

SN: 6001-UP

1шт.

|5

07050-21202

GASKET

SN: 6001-UP

1шт.

6

07056-10045

STRAINER

SN: 6001-UP

1шт.

7

07051-20000

CAP

SN: 6001-UP

1шт.

|7

07051-00003

GASKET

SN: 6001-UP

1шт.

8

23A-60-13500

GAUGE

SN: 6001-UP

1шт.

9

07005-01012

GASKET

SN: 6001-UP

4шт.

10

23D-04-11421

BRACKET

SN: 6701-UP

1шт.

|10

23D-04-11420

BRACKET

SN: 6501-6700

1шт.

11

238-04-11140

SPACER

SN: 6001-UP

4шт.

12

01010-51685

BOLT

SN: 6001-UP

4шт.

13

01643-31645

WASHER

SN: 6001-UP

4шт.

14

01010-51650

BOLT

SN: 6001-UP

4шт.

15

01643-31645

WASHER

SN: 6001-UP

4шт.

Выбрано товаров: 21