Запчасти Komatsu GD305A-1 КОНДИЦ. ВОЗДУХА (/) (КОМПРЕССОР И КОМПОНЕНТЫ) РАМА И ЧАСТИ КОРПУСА

Схема запчастей Komatsu GD305A-1 - КОНДИЦ. ВОЗДУХА (/) (КОМПРЕССОР И КОМПОНЕНТЫ) РАМА И ЧАСТИ КОРПУСА
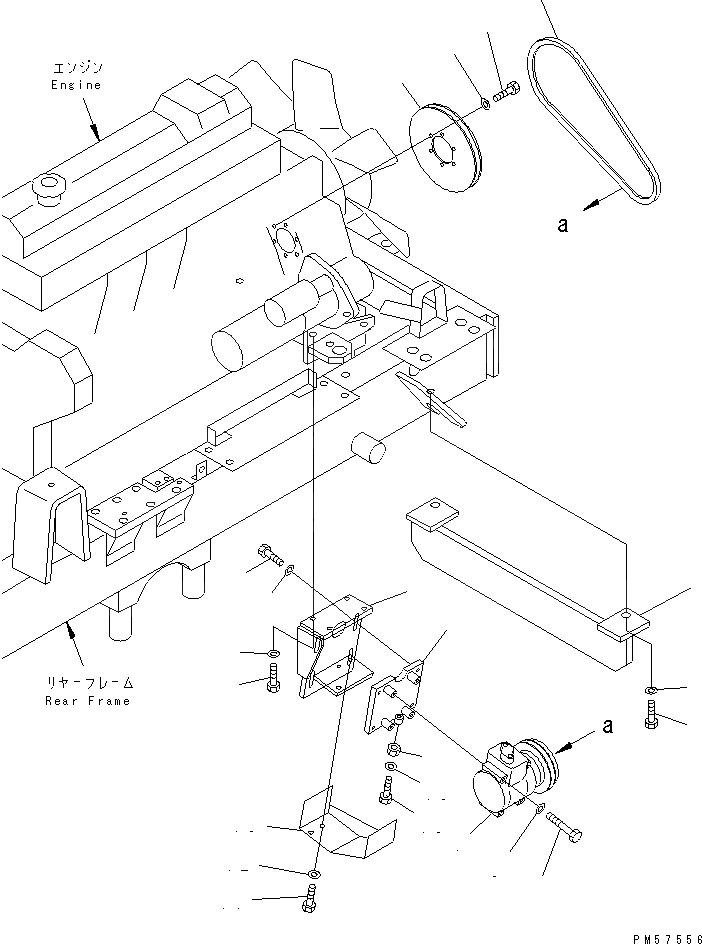
1
2
3
4
5
6
7
8
9
10
11
12
13
14
15
16
17
18
19
20
21
22
FIT
1:1
100%

Артикул

Название

Примечание

Количество

1

20Y-979-3110

AIR COMPRESSOR A.

SN: 6734-UP

1шт.

2

01010-50885

BOLT

SN: 6734-UP

4шт.

3

01643-30823

WASHER

SN: 6734-UP

4шт.

4

23D-809-3330

BRACKET

SN: 6734-UP

1шт.

5

01010-51040

BOLT

SN: 6734-UP

4шт.

6

01643-31032

WASHER

SN: 6734-UP

4шт.

7

23D-809-3320

BRACKET

SN: 6734-UP

1шт.

8

01010-51035

BOLT

SN: 6734-UP

4шт.

9

01643-31032

WASHER

SN: 6734-UP

4шт.

10

23D-809-3310

COVER

SN: 6734-UP

1шт.

11

01010-51020

BOLT

SN: 6734-UP

2шт.

12

01643-31032

WASHER

SN: 6734-UP

2шт.

13

01016-51080

BOLT

SN: 6734-UP

1шт.

14

01580-11008

NUT

SN: 6734-UP

1шт.

15

01643-31032

WASHER

SN: 6734-UP

1шт.

16

04120-21751

V-BELT

SN: 6734-UP

1шт.

17

23D-809-2130

PULLEY

SN: 6734-UP

1шт.

18

01010-51045

BOLT

SN: 6734-UP

6шт.

19

01643-31032

WASHER

SN: 6734-UP

6шт.

20

23D-809-1430

PROTECTOR

SN: 6734-UP

1шт.

21

01010-52040

BOLT

SN: 6734-UP

2шт.

22

01643-32060

WASHER

SN: 6734-UP

2шт.

Выбрано товаров: 22