Запчасти Komatsu S4D102E-1L КРЕПЛЕНИЕ ТУРБОНАГНЕТАТЕЛЯ(№-) ДВИГАТЕЛЬ

Схема запчастей Komatsu S4D102E-1L - КРЕПЛЕНИЕ ТУРБОНАГНЕТАТЕЛЯ(№-) ДВИГАТЕЛЬ
1
2
3
4
5
6
1
2
3
4
5
6
FIT
1:1
100%

Артикул

Название

Примечание

Количество

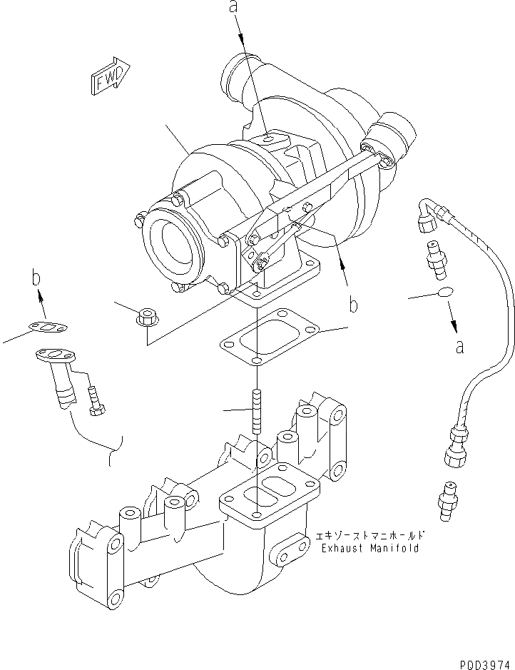
1

6732-81-8810

STUD

SN: 26200278-UP

4шт.

2

6732-81-8820

NUT

SN: 26200278-UP

4шт.

|3

6733-81-8122

TURBOCHARGER

SN: 26233234-UP

1шт.

3

0

TURBOCHARGER ASS'Y

SN: 26233234-UP

1шт.

4

6736-51-8710

O-RING

SN: 26233234-UP

1шт.

5

6735-51-8120

GASKET

SN: 26233234-UP

1шт.

6

6732-81-8840

GASKET

SN: 26200278-UP

1шт.

1

6732-81-8810

STUD

SN: 26200278-UP

4шт.

2

6732-81-8820

NUT

SN: 26200278-UP

4шт.

|3

6733-81-8122

TURBOCHARGER

SN: 26233234-UP

1шт.

3

0

TURBOCHARGER ASS'Y

SN: 26233234-UP

1шт.

4

6736-51-8710

O-RING

SN: 26233234-UP

1шт.

5

6735-51-8120

GASKET

SN: 26233234-UP

1шт.

6

6732-81-8840

GASKET

SN: 26200278-UP

1шт.

Выбрано товаров: 0