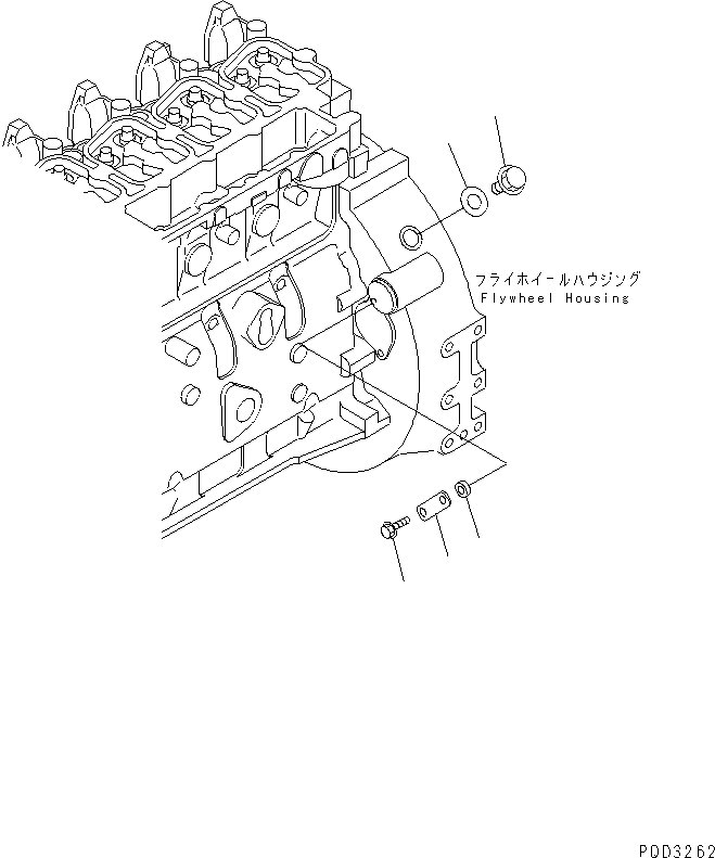
Запчасти Komatsu S4D102E-1L КАРТЕР МАХОВИКА ЗАГЛУШКА(№77-) ДВИГАТЕЛЬ

Схема запчастей Komatsu S4D102E-1L - КАРТЕР МАХОВИКА ЗАГЛУШКА(№77-) ДВИГАТЕЛЬ
1
2
3
4
5
1
2
3
4
5
FIT
1:1
100%

Артикул

Название

Примечание

Количество

1

01435-00825

BOLT

SN: 26225776-UP

1шт.

2

6301-11-4630

PLATE

SN: 26225776-UP

1шт.

3

6110-23-6490

SPACER

SN: 26225776-UP

1шт.

4

6204-21-5180

PLUG,DRAIN

SN: 26225776-UP

1шт.

5

07005-02216

GASKET

SN: 26225776-UP

1шт.

1

01435-00825

BOLT

SN: 26225776-UP

1шт.

2

6301-11-4630

PLATE

SN: 26225776-UP

1шт.

3

6110-23-6490

SPACER

SN: 26225776-UP

1шт.

4

6204-21-5180

PLUG,DRAIN

SN: 26225776-UP

1шт.

5

07005-02216

GASKET

SN: 26225776-UP

1шт.

Выбрано товаров: 10