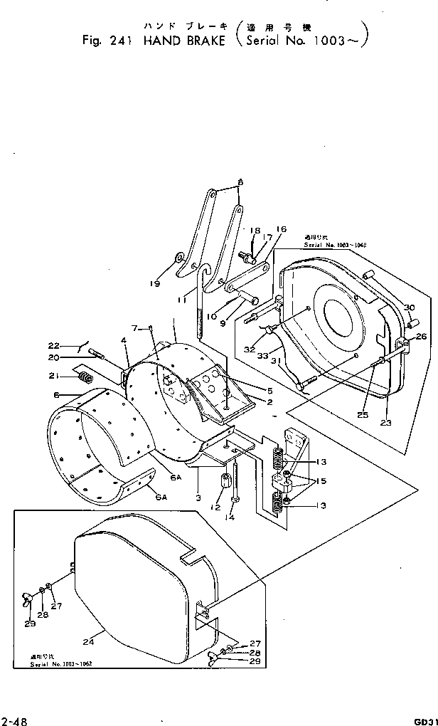
Запчасти Komatsu GD31-1 HAND ТОРМОЗ. СИЛОВАЯ ПЕРЕДАЧА

Схема запчастей Komatsu GD31-1 - HAND ТОРМОЗ. СИЛОВАЯ ПЕРЕДАЧА
FIT
1:1
100%

Артикул

Название

Примечание

Количество

|$0

232-32-00051

BAND ASS'Y

SN: 1063-2299

1шт.

|$1

232-32-00050

BAND ASS'Y

SN: 1003-1062

1шт.

1

0

BAND

SN: 1003-2299

1шт.

2

0

BRACKET

SN: .-UP

1шт.

2

0

BRACKET

SN: 1003-.

1шт.

3

0

BRACKET

SN: .-UP

1шт.

3

0

BRACKET

SN: 1003-.

1шт.

4

0

SUPPORT

SN: .-UP

1шт.

4

0

SUPPORT

SN: 1003-.

1шт.

5

0

RIVET

SN: 1063-.

14шт.

5

0

RIVET

SN: 1003-1062

14шт.

|$11

232-32-00060

LINING ASS'Y

SN: 1003-2299

1шт.

6

232-32-12151

LINING

SN: .-UP

1шт.

6

232-32-12150

LINING

SN: 1003-.

1шт.

6A

232-32-12160

LINING

SN: .-2299

2шт.

7

04412-00508

RIVET

SN: 1003-UP

28шт.

8

232-32-12211

LEVER

SN: 1003-UP

2шт.

9

04205-11445

PIN

SN: 1003-UP

1шт.

10

04050-14022

PIN

SN: 1003-UP

1шт.

11

232-32-12220

BOLT

SN: 1003-2299

1шт.

12

232-32-12230

NUT

SN: 1003-2299

1шт.

13

232-32-12240

SPRING

SN: 1003-UP

2шт.

14

232-32-12250

BOLT

SN: 1003-2299

1шт.

15

01500-30807

NUT

SN: 1003-2299

2шт.

16

232-32-12260

SUPPORT

SN: 1003-UP

1шт.

17

232-32-12270

BOLT

SN: 1003-UP

1шт.

18

04050-14022

PIN

SN: 1003-UP

1шт.

19

01641-21423

WASHER

SN: 1003-2299

1шт.

20

232-32-12280

BOLT

SN: 1003-2299

1шт.

21

232-32-12290

SPRING

SN: 1003-UP

1шт.

22

04059-01620

WIRE

SN: 1003-UP

1шт.

|$31

232-32-00070

COVER ASS'Y

SN: 1003-2299

1шт.

23

232-32-12310

COVER

SN: 1003-UP

1шт.

24

232-32-12320

COVER

SN: 1003-2299

1шт.

25

232-32-12330

SCREW

SN: 1003-UP

2шт.

26

232-32-12340

PIN

SN: 1003-UP

2шт.

27

01640-20816

WASHER

SN: 1003-UP

2шт.

28

01602-20825

WASHER

SN: 1003-UP

2шт.

29

01540-20840

NUT

SN: 1003-UP

2шт.

30

232-32-12250

BOLT

SN: 1003-UP

2шт.

31

01044-41045

BOLT

SN: 1003-2299

2шт.

32

01004-41016

BOLT

SN: 1003-2299

1шт.

33

04059-01063

WIRE

SN: 1003-UP

1шт.

Выбрано товаров: 43