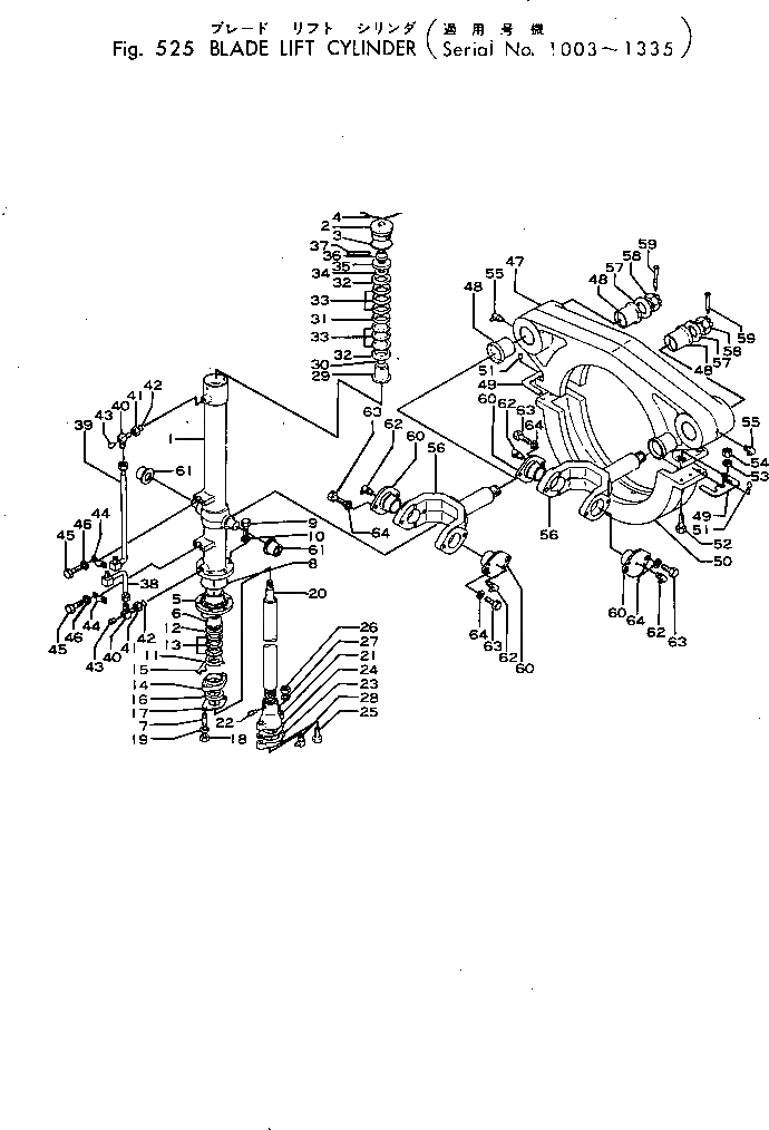
Запчасти Komatsu GD31-1 ЦИЛИНДР ПОДЪЕМА ОТВАЛА(№-) РАБОЧЕЕ ОБОРУДОВАНИЕ И ITS СИСТЕМА УПРАВЛЕНИЯ

Схема запчастей Komatsu GD31-1 - ЦИЛИНДР ПОДЪЕМА ОТВАЛА(№-) РАБОЧЕЕ ОБОРУДОВАНИЕ И ITS СИСТЕМА УПРАВЛЕНИЯ
FIT
1:1
100%

Артикул

Название

Примечание

Количество

|$0

233-71-00010

CYLINDER ASS'Y

SN: 1003-@

2шт.

1

233-71-11110

CYLINDER

SN: 1003-1335

1шт.

2

233-71-11160

COVER

SN: 1003-1335

1шт.

3

07000-05085

O-RING (KIT)

SN: 1003-1335

1шт.

4

04059-01620

WIRE

SN: 1003-1335

1шт.

|$5

233-71-00020

COVER ASS'Y

SN: 1003-1335

1шт.

5

233-71-11210

COVER

SN: 1003-1335

1шт.

6

306-61-12221

BUSHING

SN: 1336-UP

1шт.

6

0

BUSHING

SN: 1003-1335

1шт.

7

01100-31240

STUD

SN: 1003-1335

2шт.

8

07000-05095

O-RING (KIT)

SN: 1003-1335

1шт.

9

01000-31235

BOLT

SN: 1003-1335

6шт.

10

01602-01236

WASHER

SN: 1003-1335

6шт.

11

232-27-12220

RETAINER

SN: 1003-1335

1шт.

12

306-61-12231

SEAT

SN: 1336-UP

1шт.

12

0

SEAT

SN: 1003-1335

1шт.

13

306-61-12241

PACKING

SN: 1336-UP

3шт.

13

0

PACKING

SN: 1003-1335

3шт.

14

233-71-11230

GLAND

SN: 1003-1335

1шт.

15

233-71-11240

SHIM, 0.5MM (KIT)

SN: 1003-1335

10шт.

16

232-27-12250

SEAL

SN: 1003-1335

1шт.

17

233-71-11250

PLATE

SN: 1003-1335

1шт.

18

01500-31210

NUT

SN: 1003-1335

2шт.

19

01602-01236

WASHER

SN: 1003-1335

2шт.

|$24

233-71-00030

PISTON ROD ASS'Y

SN: 1003-1335

1шт.

20

233-71-11310

ROD

SN: 1003-1335

1шт.

21

233-71-11380

BODY

SN: 1003-1335

1шт.

22

01324-00816

SCREW

SN: 1003-1335

1шт.

23

0

CAP

SN: 1003-1335

1шт.

24

232-71-11340

SHIM, 0.2MM (KIT)

SN: 1003-@

4шт.

25

01000-31665

BOLT

SN: 1003-@

2шт.

26

01500-31613

NUT

SN: 1003-@

2шт.

27

01602-01648

WASHER

SN: 1003-@

2шт.

28

07020-00675

FITTING

SN: 1003-@

1шт.

29

233-71-11320

PISTON

SN: 1003-1335

1шт.

30

07000-03030

O-RING (KIT)

SN: 1003-1335

1шт.

31

261-61-13250

SEAT

SN: 1003-1335

1шт.

32

261-61-13230

RETAINER

SN: 1003-1335

2шт.

33

232-71-11241

V-PACKING

SN: 1003-1335

6шт.

34

233-71-11350

SHIM, 0.6MM (KIT)

SN: 1003-1335

6шт.

34

233-71-11360

SHIM, 0.2MM (KIT)

SN: 1003-1335

2шт.

35

233-71-11370

WASHER

SN: 1003-1335

1шт.

36

01511-32415

NUT

SN: 1003-1335

1шт.

37

04050-05045

PIN

SN: 1003-@

1шт.

38

233-71-11131

TUBE

SN: 1003-1335

2шт.

39

233-71-11141

TUBE

SN: 1003-1335

2шт.

40

233-27-12420

ELBOW

SN: 1003-1335

4шт.

41

01501-42009

NUT

SN: 1003-1335

4шт.

42

07000-03017

O-RING (KIT)

SN: 1003-1335

4шт.

43

07042-00108

PLUG

SN: 1003-1335

4шт.

44

232-71-11161

BAND

SN: 1103-1335

4шт.

44

232-71-11161

BAND

SN: 1003-1102

2шт.

45

01000-40816

BOLT

SN: 1103-1335

8шт.

45

01000-40816

BOLT

SN: 1003-1102

4шт.

46

01602-10825

WASHER

SN: 1103-1335

8шт.

46

01602-10825

WASHER

SN: 1003-1102

4шт.

|$56

233-71-00041

BRACKET ASS'Y

SN: 1103-@

1шт.

|$57

233-71-00040

BRACKET ASS'Y

SN: 1003-1102

1шт.

47

233-71-11411

BRACKET

SN: 1103-@

1шт.

47

233-71-11410

BRACKET

SN: 1003-1102

1шт.

48

233-71-11440

BUSHING

SN: 1103-@

4шт.

49

233-71-11450

SHIM, 0.5MM (KIT)

SN: 1103-@

8шт.

50

233-71-11421

BRACKET

SN: 1103-@

1шт.

50

233-71-11420

BRACKET

SN: 1003-1102

1шт.

50

233-71-11430

JOINT

SN: 1003-@

1шт.

51

04020-01228

PIN

SN: 1003-@

2шт.

52

01000-41875

BOLT

SN: 1003-@

4шт.

53

01500-41816

NUT

SN: 1003-@

4шт.

54

01602-11854

WASHER

SN: 1003-@

4шт.

55

07020-00000

FITTING

SN: 1003-@

2шт.

56

233-71-11510

YOKE

SN: 1003-@

2шт.

57

233-71-11520

WASHER

SN: 1003-@

2шт.

58

01511-44525

NUT

SN: 1003-@

2шт.

59

04050-08075

PIN

SN: 1003-@

2шт.

|$74

233-71-00050

COVER ASS'Y

SN: 1003-@

4шт.

60

233-71-11530

COVER

SN: 1003-@

1шт.

61

233-71-11540

BUSHING

SN: 1003-@

1шт.

62

07020-00675

FITTING

SN: 1003-@

1шт.

63

01000-41230

BOLT

SN: 1003-@

8шт.

64

01602-11236

WASHER

SN: 1003-@

8шт.

Выбрано товаров: 80