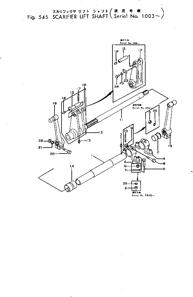
Запчасти Komatsu GD31-1 SCARIFIER LIFT ВАЛ РАБОЧЕЕ ОБОРУДОВАНИЕ И ITS СИСТЕМА УПРАВЛЕНИЯ

Схема запчастей Komatsu GD31-1 - SCARIFIER LIFT ВАЛ РАБОЧЕЕ ОБОРУДОВАНИЕ И ITS СИСТЕМА УПРАВЛЕНИЯ
FIT
1:1
100%

Артикул

Название

Примечание

Количество

|$0

233-71-16010

SHAFT ASS'Y

SN: 1003-UP

1шт.

1

233-71-16110

SHAFT

SN: 1003-UP

1шт.

2

232-71-16121

BUSHING

SN: 1003-UP

1шт.

3

07020-00000

FITTING

SN: 1003-UP

1шт.

4

232-71-16210

BLOCK

SN: 1003-UP

2шт.

5

01002-32095

BOLT

SN: 1003-1915

4шт.

6

01510-32022

NUT

SN: 1003-1915

4шт.

7

04050-04040

PIN

SN: 1003-1915

4шт.

8

232-71-16220

BOLT

SN: 1003-1335

2шт.

8

01003-32010

BOLT

SN: 1336-1915

2шт.

9

01510-32022

NUT

SN: 1003-1915

2шт.

10

04050-04040

PIN

SN: 1003-1915

2шт.

11

233-71-16310

SHAFT

SN: 1003-UP

1шт.

|$13

233-71-00140

ARM ASS'Y

SN: 1003-1915

1шт.

12

233-71-16320

ARM

SN: 1003-1915

1шт.

13

07020-00000

FITTING

SN: 1003-UP

1шт.

14

233-71-16330

BUSHING

SN: 1003-UP

1шт.

15

232-71-16340

PIN

SN: 1003-1915

1шт.

16

232-71-16350

WASHER

SN: 1003-1915

1шт.

17

04050-08060

PIN

SN: 1003-1915

1шт.

18

07020-00000

FITTING

SN: 1003-UP

2шт.

19

233-71-16410

ARM

SN: 1003-UP

2шт.

19

232-70-13120

STUD

SN: 1003-4151

1шт.

20

01000-31690

BOLT

SN: 1003-2299

4шт.

21

01500-31613

NUT

SN: 1003-2299

4шт.

22

01602-01648

WASHER

SN: 1003-2299

4шт.

Выбрано товаров: 26