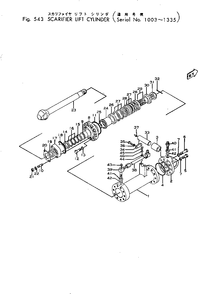
Запчасти Komatsu GD31-1 SCARIFIER ГИДРОЦИЛИНДР ПОДЪЕМА(№-) РАБОЧЕЕ ОБОРУДОВАНИЕ И ITS СИСТЕМА УПРАВЛЕНИЯ

Схема запчастей Komatsu GD31-1 - SCARIFIER ГИДРОЦИЛИНДР ПОДЪЕМА(№-) РАБОЧЕЕ ОБОРУДОВАНИЕ И ITS СИСТЕМА УПРАВЛЕНИЯ
FIT
1:1
100%

Артикул

Название

Примечание

Количество

|1

233-71-00100

CYLINDER ASS'Y

SN: 1003-@

1шт.

1

233-71-15110

CYLINDER

SN: 1003-1335

1шт.

|2

233-27-00110

COVER ASS'Y

SN: 1003-1335

1шт.

2

233-27-12130

COVER

SN: 1003-1335

1шт.

3

232-27-12120

BUSHING

SN: 1003-@

1шт.

4

07000-03115

O-RING (KIT)

SN: 1003-1335

1шт.

5

01000-41640

BOLT

SN: 1003-1335

8шт.

6

01000-31665

BOLT

SN: 1003-1335

2шт.

7

01602-01648

WASHER

SN: 1003-1335

10шт.

|8

233-27-00120

COVER ASS'Y

SN: 1003-1335

1шт.

8

233-27-12210

COVER

SN: 1003-1335

1шт.

9

306-61-12221

BUSHING

SN: 1336-@

1шт.

|9

0

BUSHING

SN: 1003-1335

1шт.

10

01100-31240

STUD

SN: 1003-1335

2шт.

11

07000-03115

O-RING (KIT)

SN: 1003-1335

1шт.

12

01000-31640

BOLT

SN: 1003-1335

10шт.

13

01602-01648

WASHER

SN: 1003-1335

10шт.

14

232-27-12220

RETAINER

SN: 1003-1335

1шт.

15

306-61-12231

SEAT

SN: 1336-@

1шт.

|15

0

SEAT

SN: 1003-1335

1шт.

16

306-61-12241

PACKING

SN: 1336-@

3шт.

|16

0

PACKING

SN: 1003-1335

3шт.

17

233-27-12230

COVER

SN: 1003-1335

1шт.

18

233-27-12240

SHIM¤ 0.5MM (KIT)

SN: 1003-1335

10шт.

19

232-27-12250

SEAL

SN: 1003-1335

1шт.

20

233-27-12250

PLATE

SN: 1003-1335

1шт.

21

01500-31210

NUT

SN: 1003-1335

2шт.

22

01602-01236

WASHER

SN: 1003-1335

2шт.

23

233-71-15210

ROD

SN: 1003-1335

1шт.

24

232-71-11350

PISTON

SN: 1003-1335

1шт.

25

07000-03040

O-RING (KIT)

SN: 1003-1335

1шт.

26

233-27-12350

RETAINER

SN: 1003-1335

2шт.

27

232-60-91340

PACKING

SN: 1003-1335

6шт.

28

233-27-12360

SEAT

SN: 1003-1335

1шт.

29

364-61-12460

SHIM

SN: 1336-@

6шт.

|29

0

SHIM¤ 0.5MM (KIT)

SN: 1003-1335

6шт.

30

232-71-11360

COVER

SN: 1003-1335

1шт.

31

232-27-12350

NUT

SN: 1003-1335

1шт.

32

04050-08070

PIN

SN: 1003-1335

1шт.

33

233-71-15310

PIN

SN: 1003-@

1шт.

34

233-71-15320

LOCK

SN: 1003-@

1шт.

35

01000-31016

BOLT

SN: 1003-@

2шт.

36

01602-01030

WASHER

SN: 1003-@

2шт.

37

07020-00000

FITTING

SN: 1003-@

1шт.

38

233-71-15411

TUBE

SN: 1003-1335

1шт.

39

233-27-12420

ELBOW

SN: 1003-1335

1шт.

40

233-71-15420

JOINT

SN: 1003-1335

1шт.

41

01501-42009

NUT

SN: 1003-1335

2шт.

42

07000-03017

O-RING (KIT)

SN: 1003-1335

2шт.

43

07042-00108

PLUG

SN: 1003-1335

1шт.

44

232-71-11611

BAND

SN: 1003-1335

1шт.

45

01000-40816

BOLT

SN: 1003-1335

2шт.

46

01602-10825

WASHER

SN: 1003-1335

2шт.

Выбрано товаров: 53