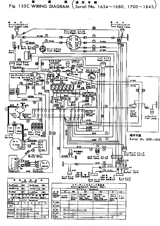
Запчасти Komatsu GD31-3H ЭЛЕКТРОПРОВОДКА DIAGRAM(№7-8) КОМПОНЕНТЫ ДВИГАТЕЛЯ И ЭЛЕКТРИКА

Схема запчастей Komatsu GD31-3H - ЭЛЕКТРОПРОВОДКА DIAGRAM(№7-8) КОМПОНЕНТЫ ДВИГАТЕЛЯ И ЭЛЕКТРИКА
FIT
1:1
100%

Артикул

Название

Примечание

Количество

1

232-06-11112

CABLE

SN: 1336-@

1шт.

2

232-06-11121

CABLE

SN: 1003-@

1шт.

3

232-06-11132

HARNESS

SN: 1336-@

1шт.

4

232-06-11143

CABLE

SN: 1336-@

1шт.

5

232-06-11263

HARNESS

SN: 1336-@

1шт.

6

232-06-11173

HARNESS

SN: 1336-@

1шт.

7

232-06-11183

HARNESS

SN: 1336-1810

1шт.

7

232-06-11193

HARNESS

SN: 1811-1843

1шт.

8

232-06-11192

HARNESS

SN: 1336-1810

1шт.

9

232-06-11211

CABLE

SN: 1336-@

1шт.

10

232-06-11232

CABLE

SN: 1336-@

1шт.

11

232-06-11242

CABLE

SN: 1336-@

1шт.

12

232-06-11253

HARNESS

SN: 1336-@

1шт.

13

232-06-11273

HARNESS

SN: 1336-@

1шт.

14

232-06-11321

CABLE

SN: 1336-@

1шт.

15

232-06-11343

HARNESS

SN: 1336-@

1шт.

16

232-06-11282

HARNESS

SN: 1336-@

1шт.

17

232-06-11312

HARNESS

SN: 1501-@

1шт.

18

232-06-11292

HARNESS

SN: 1336-@

1шт.

19

232-06-11391

CABLE

SN: 1003-@

1шт.

20

232-06-11410

CABLE

SN: 1501-@

1шт.

21

232-06-11420

CABLE

SN: 1501-@

1шт.

|$22

233-06-11110

WIRING HARNESS

SN: 1634-1680

1шт.

|$23

233-06-11110

WIRING HARNESS

SN: 1700-@

1шт.

22

233-06-11121

WIRING HARNESS

SN: 1681-1810

1шт.

23

233-06-11120

WIRING HARNESS

SN: 1634-1680

1шт.

Выбрано товаров: 0