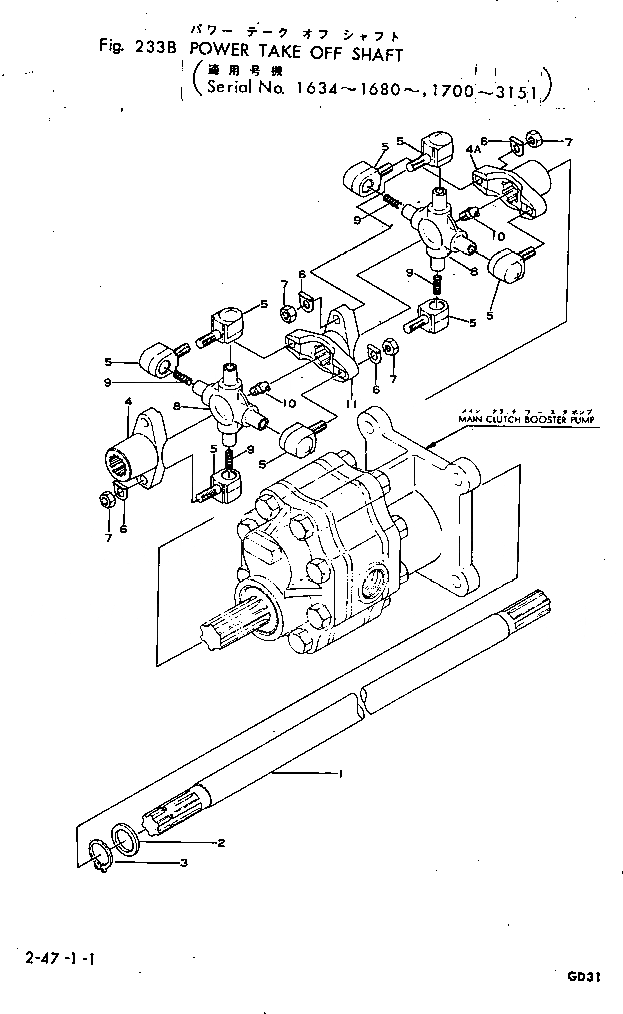
Запчасти Komatsu GD31-3H МЕХ-М ОТБОРА МОЩНОСТИ ВАЛ(№7-) СИЛОВАЯ ПЕРЕДАЧА

Схема запчастей Komatsu GD31-3H - МЕХ-М ОТБОРА МОЩНОСТИ ВАЛ(№7-) СИЛОВАЯ ПЕРЕДАЧА
FIT
1:1
100%

Артикул

Название

Примечание

Количество

|$0

233-14-00024

TRANSMISSION ASS'Y

SN: 2960-4000

1шт.

|$1

233-14-00022

TRANSMISSION ASS'Y

SN: 1700-2959

1шт.

|$2

233-14-00022

TRANSMISSION ASS'Y

SN: 1634-1680

1шт.

1

232-11-16172

SHAFT

SN: 1646-UP

1шт.

1

232-11-16171

SHAFT

SN: 1501-1645

1шт.

2

232-14-18150

WASHER

SN: 1003-UP

1шт.

3

04064-02512

RING

SN: 1501-UP

1шт.

|$7

232-43-00101

JOINT ASS'Y

SN: 1700-3151

1шт.

|$8

232-43-00100

JOINT ASS'Y

SN: 1634-1680

1шт.

4

232-14-18232

JOINT

SN: 1916-3151

1шт.

4

232-14-18231

JOINT

SN: 1501-1915

1шт.

4A

232-43-33120

JOINT

SN: 2028-3151

1шт.

4A

232-14-18231

JOINT

SN: 1700-2027

1шт.

4A

232-14-18231

JOINT

SN: 1634-1680

1шт.

|$14

232-43-23100

JOINT ASS'Y

SN: 1003-3151

2шт.

5

0

BLOCK

SN: 1003-3151

4шт.

6

0

LOCK

SN: 1003-3151

4шт.

7

0

NUT

SN: 1003-3151

4шт.

8

0

SPIDER

SN: 1003-3151

1шт.

9

0

SPRING

SN: 1003-3151

4шт.

10

0

FITTING

SN: 1003-3151

1шт.

11

232-11-16120

JOINT

SN: 1700-3151

1шт.

11

232-11-16120

JOINT

SN: 1634-1680

1шт.

Выбрано товаров: 0