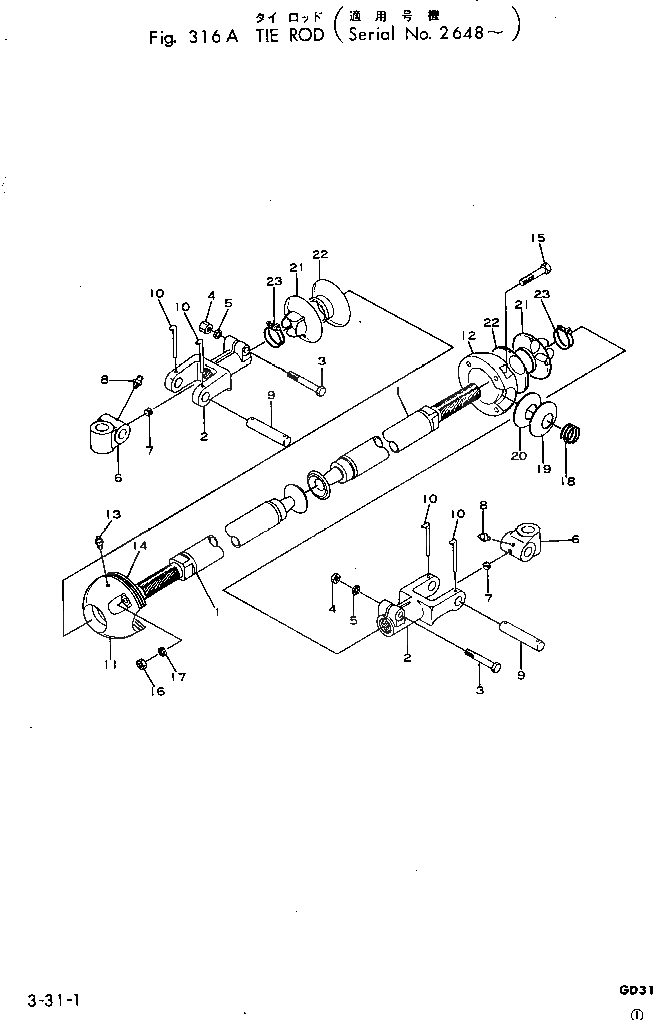
Запчасти Komatsu GD31-3H ПОПЕРЕЧНАЯ РУЛЕВ. ТЯГА(№8-) КОЛЕСА¤ РУЛЕВ. УПРАВЛЕНИЕ И СИСТЕМА УПРАВЛЕНИЯS

Схема запчастей Komatsu GD31-3H - ПОПЕРЕЧНАЯ РУЛЕВ. ТЯГА(№8-) КОЛЕСА¤ РУЛЕВ. УПРАВЛЕНИЕ И СИСТЕМА УПРАВЛЕНИЯS
FIT
1:1
100%

Артикул

Название

Примечание

Количество

|$0

233-40-00152

TIE ROD ASS'Y

SN: 3536-4000

1шт.

|$1

233-40-00151

TIE ROD ASS'Y

SN: 3512-3535

1шт.

|$2

233-40-00150

TIE ROD ASS'Y

SN: 2648-3511

1шт.

1

233-40-15115

ROD

SN: 3512-UP

2шт.

1

0

ROD

SN: 3512-3535

2шт.

1

233-40-15113

ROD

SN: 2648-3511

2шт.

2

232-40-15181

YOKE

SN: 2648-UP

2шт.

3

01010-31260

BOLT

SN: 2648-UP

2шт.

4

01580-01210

NUT

SN: 2648-UP

2шт.

6

232-40-15193

JOINT

SN: 3512-UP

2шт.

6

0

JOINT

SN: 2648-3511

2шт.

7

07043-00108

PLUG

SN: 2648-4097

2шт.

8

07020-00000

FITTING

SN: 2648-4097

2шт.

9

232-40-15211

PIN

SN: 2648-UP

2шт.

10

232-40-15220

PIN

SN: 2648-UP

4шт.

|$15

232-40-00150

CAP ASS'Y

SN: 2648-UP

1шт.

11

0

CAP

SN: 2648-UP

1шт.

12

0

CAP

SN: 2648-UP

1шт.

13

07020-00000

FITTING

SN: 2648-UP

1шт.

14

231-40-05020

SHIM ASS'Y

SN: 2648-UP

4шт.

14

232-40-15580

SHIM, 0.2MM

SN: 2648-UP

4шт.

14

232-40-15590

SHIM, 0.1MM

SN: 2648-UP

2шт.

15

01010-31040

BOLT

SN: 2648-UP

4шт.

16

01580-01008

NUT

SN: 2648-UP

4шт.

17

01602-01030

WASHER

SN: 2648-UP

4шт.

18

232-40-15550

SPRING

SN: 2648-UP

1шт.

19

232-40-15570

FENDER

SN: 2648-UP

1шт.

20

232-40-15560

GASKET

SN: 2648-UP

1шт.

21

234-40-15192

COVER

SN: 2648-UP

2шт.

22

234-40-15182

PACKING

SN: 2648-UP

2шт.

23

07281-00609

CLAMP

SN: 4001-UP

2шт.

23

0

CLAMP

SN: 2648-4000

2шт.

Выбрано товаров: 0