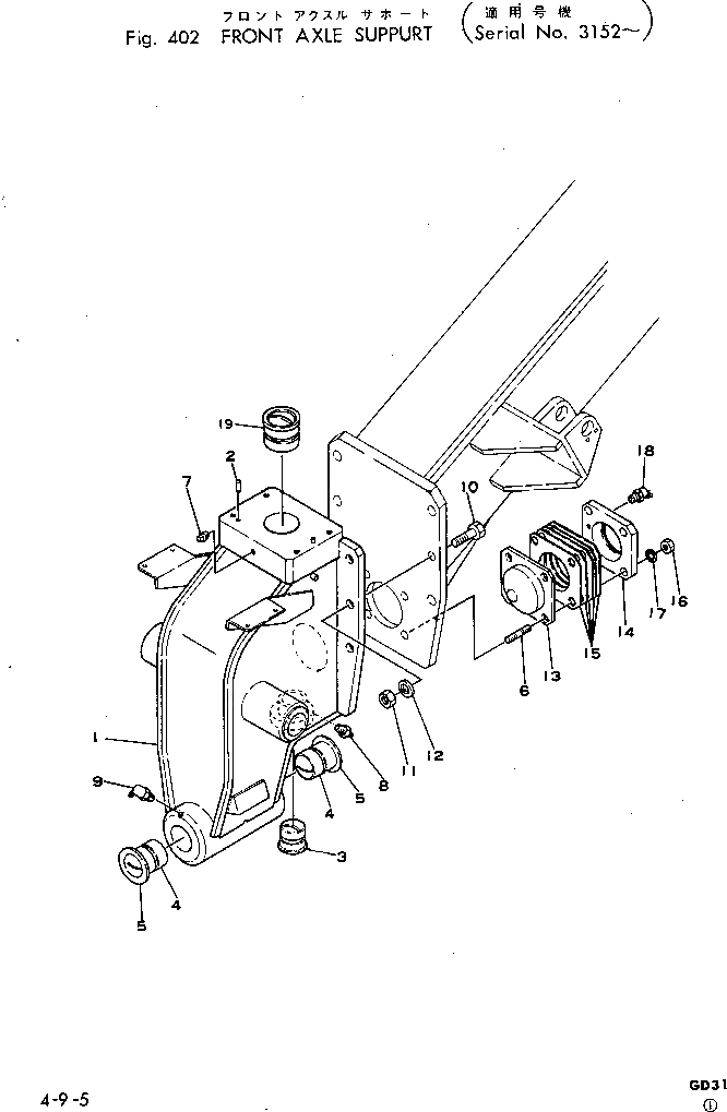
Запчасти Komatsu GD31-3H ПЕРЕДНИЙ МОСТ SUPPURT(№-) РАМА И КУЗОВ

Схема запчастей Komatsu GD31-3H - ПЕРЕДНИЙ МОСТ SUPPURT(№-) РАМА И КУЗОВ
FIT
1:1
100%

Артикул

Название

Примечание

Количество

|$0

233-46-00019

FRAME ASS'Y

SN: 3152-4000

1шт.

1

233-46-13314

SUPPORT

SN: 3152-4000

1шт.

2

04020-01228

PIN

SN: 1003-UP

2шт.

3

232-46-13131

BUSHING

SN: 2648-UP

1шт.

4

234-46-11330

BUSHING

SN: 1811-UP

2шт.

5

234-46-11340

BUSHING

SN: 1811-UP

2шт.

6

01124-82080

STUD

SN: 2300-UP

4шт.

7

07042-00108

PLUG

SN: 1003-4121

1шт.

8

07020-00000

FITTING

SN: 1003-UP

1шт.

9

07020-00675

FITTING

SN: 1003-UP

2шт.

10

01010-82480

BOLT

SN: 2300-UP

6шт.

11

01580-12419

NUT

SN: 2300-UP

6шт.

12

01602-02472

WASHER

SN: 1336-UP

6шт.

13

233-46-13151

SOCKET

SN: 1336-UP

1шт.

14

233-46-13160

COVER

SN: 1003-UP

1шт.

15

233-46-05011

SHIM ASS'Y

SN: 1336-UP

1шт.

15

233-46-13210

SHIM, 0.5MM

SN: 1336-UP

1шт.

15

233-46-13220

SHIM, 1.0MM

SN: 1336-UP

4шт.

16

01580-02016

NUT

SN: 2300-UP

4шт.

17

01602-02060

WASHER

SN: 1336-UP

4шт.

18

07020-00675

FITTING

SN: 1003-UP

1шт.

Выбрано товаров: 21