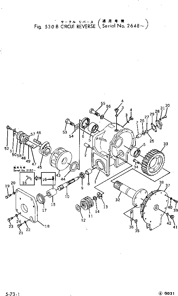
Запчасти Komatsu GD31-3H КОЛЬЦЕВ.РЕВЕРС(№8-) РАБОЧЕЕ ОБОРУДОВАНИЕ И ITS СИСТЕМА УПРАВЛЕНИЯ

Схема запчастей Komatsu GD31-3H - КОЛЬЦЕВ.РЕВЕРС(№8-) РАБОЧЕЕ ОБОРУДОВАНИЕ И ITS СИСТЕМА УПРАВЛЕНИЯ
FIT
1:1
100%

Артикул

Название

Примечание

Количество

|$0

233-71-00207

GEAR ASS'Y

SN: 4338-UP

1шт.

|$1

0

GEAR ASS'Y

SN: 3152-4337

1шт.

|$2

0

CIRCLE REVERSE ASS'Y

SN: 2648-3151

1шт.

|$3

233-71-00212

CASE ASS'Y

SN: 3512-5117

1шт.

|$4

233-71-00211

CASE ASS'Y

SN: 2648-3151

1шт.

1

234-71-13113

CASE

SN: 3152-5117

1шт.

1

234-71-13112

CASE

SN: 2648-3151

1шт.

2

232-71-13150

PIN

SN: 2648-UP

2шт.

3

07002-11823

O-RING

SN: 3152-UP

1шт.

3

07002-11823

O-RING

SN: 2648-3151

2шт.

4

07040-01812

PLUG

SN: 3152-UP

1шт.

4

07040-01812

PLUG

SN: 2648-3151

2шт.

5

234-71-13190

BUSHING

SN: 2648-UP

2шт.

6

07012-00062

SEAL

SN: 2648-UP

1шт.

7

232-71-13140

BUSHING

SN: 2648-UP

1шт.

8

232-71-13280

BUSHING

SN: 2648-UP

1шт.

9

07011-00028

SEAL

SN: 2648-UP

1шт.

10

233-71-13460

SHAFT

SN: 2648-UP

1шт.

11

232-71-13421

GEAR

SN: 2648-4337

1шт.

12

232-71-13431

WASHER

SN: 2648-UP

1шт.

12

0

WASHER

SN: (2648-3523)

1шт.

13

232-71-13441

WASHER

SN: 2648-UP

1шт.

13

0

WASHER

SN: (2648-3523)

1шт.

14

234-71-13270

COLLAR

SN: 2648-UP

1шт.

15

233-71-13471

COUPLING

SN: 3512-UP

1шт.

15

233-71-13470

COUPLING

SN: 2648-3151

1шт.

16

234-71-13280

PIN

SN: 3152-UP

1шт.

16

04025-00424

PIN

SN: 2648-3151

1шт.

17

233-71-13620

SPACER

SN: 2648-UP

1шт.

18

233-71-13610

PLATE

SN: 2648-UP

1шт.

19

01010-51245

BOLT

SN: 2648-UP

3шт.

20

01602-21236

WASHER

SN: 2648-UP

3шт.

21

01010-51230

BOLT

SN: 2648-UP

1шт.

22

01602-21236

WASHER

SN: 2648-UP

1шт.

23

01010-51240

BOLT

SN: 2648-UP

4шт.

24

01602-21236

WASHER

SN: 2648-UP

4шт.

25

01593-11613

NUT

SN: 2648-UP

1шт.

26

01640-21626

WASHER

SN: 2648-UP

1шт.

27

04050-04025

PIN

SN: 2648-UP

1шт.

28

232-71-13220

CAP

SN: 2648-UP

1шт.

29

232-71-13230

GASKET

SN: 2648-UP

1шт.

30

01010-50820

BOLT

SN: 2648-UP

2шт.

31

01602-20825

WASHER

SN: 2648-UP

2шт.

32

234-71-13182

SHAFT

SN: 3152-UP

1шт.

32

233-71-13512

SHAFT

SN: 2648-3151

1шт.

33

234-71-13161

GEAR

SN: 2648-4337

1шт.

34

01090-31455

BOLT

SN: 2648-UP

6шт.

35

01582-11411

NUT

SN: 2648-UP

6шт.

36

234-71-13170

PLATE

SN: 2648-UP

3шт.

37

234-71-13122

COVER

SN: 2648-UP

1шт.

38

234-71-13131

GASKET

SN: 2648-UP

1шт.

39

01010-50820

BOLT

SN: 2648-UP

13шт.

40

01602-20825

WASHER

SN: 2648-UP

13шт.

41

07040-01812

PLUG

SN: 2648-UP

1шт.

42

07002-11823

O-RING

SN: 2648-UP

1шт.

43

233-71-13354

GEAR

SN: 3152-UP

1шт.

43

233-71-13353

GEAR

SN: 2648-3151

1шт.

44

232-71-13630

SPACER

SN: 2648-3151

1шт.

45

234-71-13242

JOINT

SN: .-UP

1шт.

45

234-71-13241

JOINT

SN: 3152-.

1шт.

45

233-71-13530

JOINT

SN: 2648-3151

1шт.

46

232-71-13611

PIN

SN: 2648-4529

1шт.

47

232-71-13532

PLATE

SN: 5118-UP

1шт.

47

0

PLATE

SN: 2648-5117

1шт.

48

01010-50820

BOLT

SN: 2648-UP

1шт.

49

01602-20825

WASHER

SN: 2648-UP

1шт.

50

04080-06012

HOLDER

SN: 3512-4973

1шт.

50

131-14-44560

PLATE

SN: 2648-3151

1шт.

51

04081-06012

LOCK

SN: 3152-UP

1шт.

51

04081-04512

LOCK

SN: 2648-3151

1шт.

52

01010-31230

BOLT

SN: 3152-4973

2шт.

52

01010-31025

BOLT

SN: 2648-3151

2шт.

53

01010-52245

BOLT

SN: 2648-UP

1шт.

54

232-71-13650

LOCK

SN: 2648-UP

1шт.

55

01010-52250

BOLT

SN: 2648-UP

4шт.

56

01602-22268

WASHER

SN: 2648-UP

4шт.

57

233-71-13630

SPACER

SN: 3152-UP

1шт.

Выбрано товаров: 77