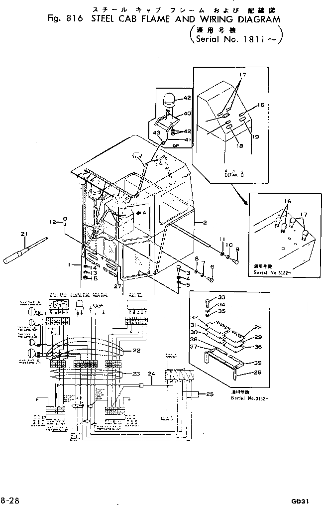
Запчасти Komatsu GD31-3H СТАЛЬНАЯ КАБИНА FLAME И ЭЛЕКТРОПРОВОДКА DIAGRAM ОПЦИОННЫЕ КОМПОНЕНТЫ

Схема запчастей Komatsu GD31-3H - СТАЛЬНАЯ КАБИНА FLAME И ЭЛЕКТРОПРОВОДКА DIAGRAM ОПЦИОННЫЕ КОМПОНЕНТЫ
FIT
1:1
100%

Артикул

Название

Примечание

Количество

|1

232-855-0014

FRAME ASS'Y

SN: 3152-UP

1шт.

|1

232-855-0013

FRAME ASS'Y

SN: 2648-3151

1шт.

|1

232-855-0012

FRAME ASS'Y

SN: 2300-2647

1шт.

|1

232-855-0011

FRAME ASS'Y

SN: 1811-2299

1шт.

1

232-855-1713

FRAME

SN: 2648-3151

1шт.

|1

232-855-1712

FRAME

SN: 2300-2647

1шт.

|1

232-855-1711

FRAME

SN: 1811-2299

1шт.

|1

01580-01008

NUT

SN: 2300-3151

6шт.

|1

01500-31008

NUT

SN: 1811-2299

6шт.

2

232-855-1723

FRAME

SN: 2648-3151

1шт.

|2

232-855-1722

FRAME

SN: 2300-2647

1шт.

|2

232-855-1721

FRAME

SN: 1811-2299

1шт.

3

01010-31025

BOLT

SN: 2300-UP

6шт.

|3

01000-31025

BOLT

SN: 1811-2299

6шт.

4

01602-01030

WASHER

SN: 1811-UP

6шт.

5

01640-21016

WASHER

SN: 1811-UP

6шт.

5A

01580-11008

NUT

SN: 3152-UP

6шт.

6

01010-31018

BOLT

SN: 1811-UP

23шт.

7

01602-01030

WASHER

SN: 1811-UP

23шт.

8

01640-21016

WASHER

SN: 1811-UP

23шт.

9

01010-31025

BOLT

SN: 2300-UP

4шт.

|9

01040-31025

BOLT

SN: 1811-2299

4шт.

10

01602-01030

WASHER

SN: 1811-UP

4шт.

11

01640-21016

WASHER

SN: 1811-UP

4шт.

12

01010-31040

BOLT

SN: .-UP

4шт.

|12

01010-31030

BOLT

SN: 3152-.

4шт.

|12

01010-31025

BOLT

SN: 2300-3151

4шт.

|12

01000-31025

BOLT

SN: 1811-2299

4шт.

13

01602-01030

WASHER

SN: 1811-UP

4шт.

14

01640-21223

WASHER

SN: 3152-UP

4шт.

|14

01640-21016

WASHER

SN: 1811-3151

4шт.

15

01580-01008

NUT

SN: 2300-UP

4шт.

|15

01500-31008

NUT

SN: 1811-2299

4шт.

16

236-06-23370

SWITCH,FOG

SN: .-UP

1шт.

|16

0

SWITCH,FOG

SN: 3152-.

1шт.

|16

08060-00000

SWITCH,FOG

SN: 1811-3151

2шт.

|16

236-06-23360

SWITCH,ROOM

SN: .-UP

1шт.

|16

0

SWITCH,ROOM

SN: 3152-.

1шт.

17

08182-00000

SWITCH,WIPER

SN: 1811-UP

2шт.

18

232-855-1910

PLATE¤ NAME,ROOM LAMP

SN: 1811-3151

1шт.

19

232-855-1920

PLATE¤ NAME,FOG LAMP

SN: 1811-3151

1шт.

20

232-855-1930

PLATE¤ NAME,WIPER

SN: 1811-3151

1шт.

21

09031-00100

DRIVER

SN: 1811-UP

1шт.

22

232-855-2140

HARNESS

SN: 1811-UP

1шт.

23

232-855-8561

HARNESS,WIRE

SN: 3152-UP

1шт.

|23

232-855-8560

HARNESS,WIRE

SN: 2300-3151

1шт.

|23

232-855-2130

HARNESS

SN: 1811-2299

1шт.

24

232-855-2260

CABLE

SN: 3152-UP

1шт.

|24

230-855-2140

CABLE

SN: 1811-3151

1шт.

25

232-55-11772

CABLE

SN: 3152-UP

2шт.

|25

232-55-11771

CABLE

SN: 1811-3151

2шт.

26

232-855-2112

BRACKET (WELDED)

SN: 3152-UP

1шт.

|26

232-855-2111

BRACKET

SN: 2648-3151

1шт.

|26

232-855-2110

BRACKET

SN: 1811-2647

1шт.

27

232-855-2121

BRACKET

SN: 2648-3151

1шт.

|27

232-855-2120

BRACKET

SN: 1811-2647

1шт.

28

232-855-8640

PLATE

SN: 3152-UP

1шт.

29

232-855-8650

PLATE

SN: 3152-UP

1шт.

30

232-855-8660

PLATE

SN: 3152-UP

1шт.

31

232-855-8670

PLATE

SN: 3152-UP

1шт.

32

232-855-8680

PLATE

SN: 3152-UP

1шт.

33

01010-31020

BOLT

SN: 3152-UP

3шт.

34

01602-01030

WASHER

SN: 3152-UP

3шт.

35

01640-21223

WASHER

SN: 3152-UP

3шт.

36

232-855-8740

PLATE

SN: 3152-UP

1шт.

37

232-855-8630

BRACKET (WELDED)

SN: 3152-UP

1шт.

38

232-855-8720

BRACKET (WELDED)

SN: 3152-UP

1шт.

39

232-855-8710

BRACKET (WELDED)

SN: 3152-UP

1шт.

40

232-806-5520

BRACKET,(FOR COLD WEATHER)

SN: 3645-UP

1шт.

41

232-806-5530

CABLE,(FOR COLD WEATHER)

SN: 3645-UP

1шт.

42

08154-32400

LAMP ASS'Y,(FOR COLD WEATHER)

SN: .-UP

1шт.

|42

0

LAMP ASS'Y,(FOR COLD WEATHER)

SN: 3645-.

1шт.

43

232-855-8280

GROMMET,(FOR COLD WEATHER)

SN: 3645-UP

1шт.

Выбрано товаров: 73