Запчасти Komatsu GD31-3H OНОВ.AY SNOW PНИЗ. (/) ОПЦИОННЫЕ КОМПОНЕНТЫ

Схема запчастей Komatsu GD31-3H - OНОВ.AY SNOW PНИЗ. (/) ОПЦИОННЫЕ КОМПОНЕНТЫ
FIT
1:1
100%

Артикул

Название

Примечание

Количество

|1

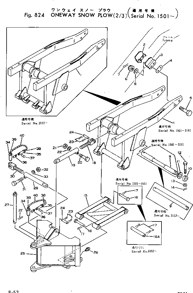
233-970-0132

SUPPORT ASS'Y

SN: 3152-UP

1шт.

|1

233-970-0131

SUPPORT ASS'Y

SN: 2300-3151

1шт.

|1

233-970-0130

SUPPORT ASS'Y

SN: 1501-2299

1шт.

1

233-970-1241

FRAME

SN: 3152-UP

1шт.

|1

233-970-1240

FRAME

SN: 1501-3151

1шт.

2

233-970-1260

BRACKET,L.H.

SN: 1501-UP

1шт.

3

233-970-1270

BRACKET,R.H.

SN: 1501-UP

1шт.

4

GD31WA314

SHIM

SN: 1501-UP

6шт.

5

01010-52090

BOLT

SN: 2300-UP

4шт.

|5

01002-32090

BOLT

SN: 1501-2299

4шт.

6

01580-12016

NUT

SN: 2300-UP

4шт.

|6

01510-02022

NUT

SN: 1501-2299

4шт.

7

01602-22060

WASHER

SN: 2300-UP

4шт.

|7

04050-04040

PIN

SN: 1501-2299

4шт.

8

01640-22032

WASHER

SN: 2300-UP

4шт.

9

233-970-1281

SHAFT

SN: 3152-UP

1шт.

|9

233-970-1280

SHAFT

SN: 1501-3151

1шт.

10

233-970-1430

COLLAR

SN: 3152-UP

2шт.

|10

230-970-1480

COLLAR

SN: 1501-3151

2шт.

11

233-970-1440

SHIM

SN: 3152-UP

6шт.

|11

230-970-1490

SHIM¤ 1.6MM

SN: 1501-3151

6шт.

12

01013-51400

BOLT

SN: 3152-UP

2шт.

|12

01012-51290

BOLT

SN: 2300-3151

2шт.

|12

01002-31290

BOLT

SN: 1501-2299

2шт.

13

01590-11416

NUT

SN: 3152-UP

2шт.

|13

01590-11215

NUT

SN: 2300-3151

2шт.

|13

01510-01214

NUT

SN: 1501-2299

2шт.

14

04050-03028

PIN

SN: 2300-UP

2шт.

|14

04050-03025

PIN

SN: 1501-2299

2шт.

15

233-970-5410

ARM

SN: 1501-UP

1шт.

16

232-970-1520

PIN

SN: 3152-UP

2шт.

|16

232-970-1520

PIN

SN: 1501-3151

4шт.

17

232-970-1521

PIN

SN: 3152-UP

2шт.

18

04050-06060

PIN

SN: 3152-UP

6шт.

|18

04050-06060

PIN

SN: 1501-3151

4шт.

19

232-970-1820

JOINT

SN: 1501-UP

1шт.

20

233-970-5420

ROD

SN: 1501-UP

1шт.

21

01010-51680

BOLT

SN: 2300-UP

1шт.

|21

01000-31680

BOLT

SN: 1501-2299

1шт.

22

01580-11613

NUT

SN: 2300-UP

1шт.

|22

01500-01613

NUT

SN: 1501-2299

1шт.

23

01602-21648

WASHER

SN: 1501-UP

1шт.

24

04050-05040

PIN

SN: 1501-UP

4шт.

25

232-970-1840

SHAFT

SN: 1501-UP

2шт.

26

233-970-5310

SUPPORT

SN: 1501-UP

1шт.

27

07020-00675

FITTING

SN: 1501-UP

2шт.

28

233-970-5320

SHAFT

SN: 1501-UP

1шт.

29

04050-06060

PIN

SN: 1501-UP

1шт.

30

233-970-5330

SUPPORT

SN: 1501-UP

1шт.

31

233-970-5340

YOKE

SN: 1501-UP

1шт.

32

01010-51680

BOLT

SN: 2300-UP

1шт.

|32

01000-31680

BOLT

SN: 1501-2299

1шт.

33

01580-11613

NUT

SN: 2300-UP

1шт.

|33

01500-31613

NUT

SN: 1501-2299

1шт.

34

01602-21648

WASHER

SN: 1501-UP

1шт.

35

233-970-5350

PIN

SN: 1501-UP

2шт.

36

233-970-5370

PIN

SN: 1501-UP

2шт.

37

233-970-5360

PIN

SN: 1501-UP

2шт.

38

04402-00414

RIVET

SN: 1501-UP

2шт.

39

232-64-11260

RING

SN: 1501-UP

2шт.

40

232-64-11270

RING

SN: 1501-UP

2шт.

41

232-64-11280

CHAIN

SN: 1501-UP

2шт.

Выбрано товаров: 62