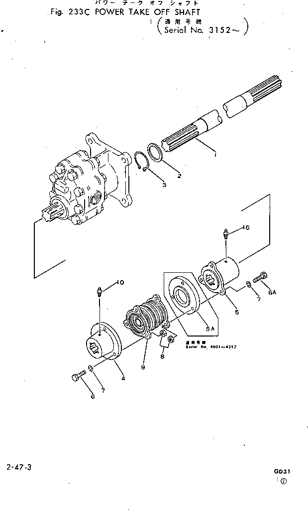
Запчасти Komatsu GD31-3H МЕХ-М ОТБОРА МОЩНОСТИ ВАЛ(№-) СИЛОВАЯ ПЕРЕДАЧА

Схема запчастей Komatsu GD31-3H - МЕХ-М ОТБОРА МОЩНОСТИ ВАЛ(№-) СИЛОВАЯ ПЕРЕДАЧА
FIT
1:1
100%

Артикул

Название

Примечание

Количество

|1

233-14-00024

TRANSMISSION ASS'Y

SN: 2960-UP

1шт.

1

232-11-16172

SHAFT

SN: 1646-UP

1шт.

2

232-14-18150

WASHER

SN: 1003-UP

1шт.

3

04064-02512

RING

SN: 1501-UP

1шт.

4

233-43-17310

FLANGE

SN: 3152-UP

1шт.

5

232-43-33130

FLANGE

SN: 3152-4217

1шт.

6

01010-51030

BOLT

SN: 3152-4000

6шт.

7

01602-21030

WASHER

SN: 3152-UP

6шт.

8

01580-11008

NUT

SN: 3152-UP

6шт.

9

232-43-33100

JOINT ASS'Y

SN: 3152-UP

1шт.

10

07020-00000

FITTING

SN: 3152-UP

2шт.

Выбрано товаров: 11