Запчасти Komatsu GD31-3H ПЕДАЛЬ ТОРМОЗАS(№7-) КОЛЕСА¤ РУЛЕВ. УПРАВЛЕНИЕ И СИСТЕМА УПРАВЛЕНИЯS

Схема запчастей Komatsu GD31-3H - ПЕДАЛЬ ТОРМОЗАS(№7-) КОЛЕСА¤ РУЛЕВ. УПРАВЛЕНИЕ И СИСТЕМА УПРАВЛЕНИЯS
FIT
1:1
100%

Артикул

Название

Примечание

Количество

|1

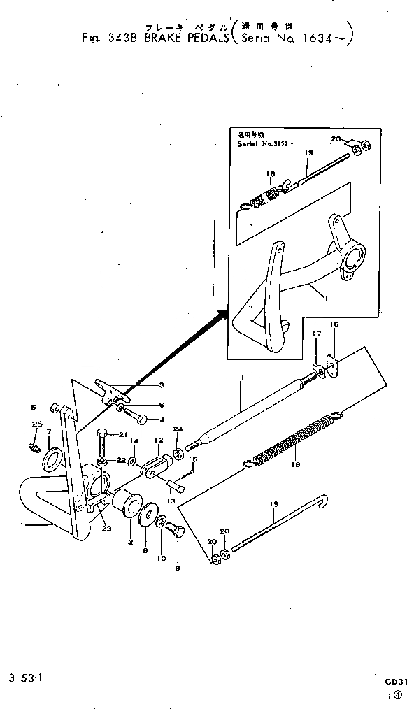
232-43-00038

PEDAL ASS'Y

SN: 3295-4000

1шт.

|1

232-43-00037

PEDAL ASS'Y

SN: 3224-3294

1шт.

|1

232-43-00036

PEDAL ASS'Y

SN: 3152-3223

1шт.

|1

232-43-00035

PEDAL ASS'Y

SN: 2444-3151

1шт.

|1

232-43-00034

PEDAL ASS'Y

SN: 1700-2443

1шт.

|1

232-43-00034

PEDAL ASS'Y

SN: 1634-1680

1шт.

1

232-43-13117

ARM

SN: 3295-4000

1шт.

|1

232-43-13116

ARM

SN: 3224-3294

1шт.

|1

232-43-13115

ARM

SN: 3152-3223

1шт.

|1

232-43-13114

ARM

SN: 2444-3151

1шт.

|1

232-43-13113

ARM

SN: 1700-2443

1шт.

|1

232-43-13113

ARM

SN: 1634-1680

1шт.

2

232-43-13121

BUSHING

SN: 1700-UP

1шт.

|2

232-43-13121

BUSHING

SN: 1634-1680

1шт.

3

232-43-13130

PEDAL

SN: 1003-UP

1шт.

4

01010-31040

BOLT

SN: 2300-UP

1шт.

|4

01000-31040

BOLT

SN: 1336-2299

1шт.

5

01580-01008

NUT

SN: 2300-4000

1шт.

|5

01500-01008

NUT

SN: 1003-2299

1шт.

6

01602-01030

WASHER

SN: 1003-UP

1шт.

7

232-43-13510

WASHER

SN: 1700-UP

1шт.

|7

232-43-13510

WASHER

SN: 1634-1680

1шт.

8

232-43-13520

WASHER

SN: 1700-UP

1шт.

|8

232-43-13520

WASHER

SN: 1634-1680

1шт.

9

01010-31630

BOLT

SN: 2300-UP

1шт.

|9

01000-31630

BOLT

SN: 1700-2299

1шт.

|9

01000-31630

BOLT

SN: 1634-1680

1шт.

10

01602-01648

WASHER

SN: 1700-UP

1шт.

|10

01602-01648

WASHER

SN: 1634-1680

1шт.

11

232-43-13142

ROD

SN: 3295-UP

1шт.

|11

232-43-13141

ROD

SN: 3152-3294

1шт.

|11

232-801-2661

ROD

SN: 1916-3151

1шт.

|11

232-43-13140

ROD

SN: 1634-1915

1шт.

12

04211-01478

YOKE

SN: 3295-UP

1шт.

|12

04211-01266

YOKE

SN: 1003-3294

1шт.

13

04205-11438

PIN

SN: 3295-UP

1шт.

|13

04205-01235

PIN

SN: 1003-3294

1шт.

14

01641-21220

WASHER

SN: 1003-1633

1шт.

15

04050-04022

PIN

SN: 3295-UP

1шт.

|15

04050-03020

PIN

SN: 1003-3294

1шт.

16

232-43-13150

HOOK

SN: 1003-3223

1шт.

17

01650-01412

WASHER

SN: 1003-UP

1шт.

18

232-43-13162

SPRING

SN: .-UP

1шт.

|18

232-43-13161

SPRING

SN: 3224-.

1шт.

|18

232-43-13160

SPRING

SN: 1003-3223

1шт.

19

232-43-13171

BOLT

SN: 2300-UP

1шт.

|19

232-43-13170

BOLT

SN: 1003-2299

1шт.

20

01580-01008

NUT

SN: 2300-UP

2шт.

|20

01500-31008

NUT

SN: 1003-2299

2шт.

21

01016-31260

BOLT

SN: 1336-UP

1шт.

22

01580-01210

NUT

SN: 2300-UP

1шт.

|22

01504-31207

NUT

SN: 1336-2299

1шт.

23

232-43-13551

CUSHION

SN: 3152-UP

1шт.

|23

232-43-13550

CUSHION

SN: 1634-3151

1шт.

24

01583-11408

NUT

SN: 3295-UP

1шт.

25

07020-00000

FITTING

SN: 4125-UP

1шт.

Выбрано товаров: 56