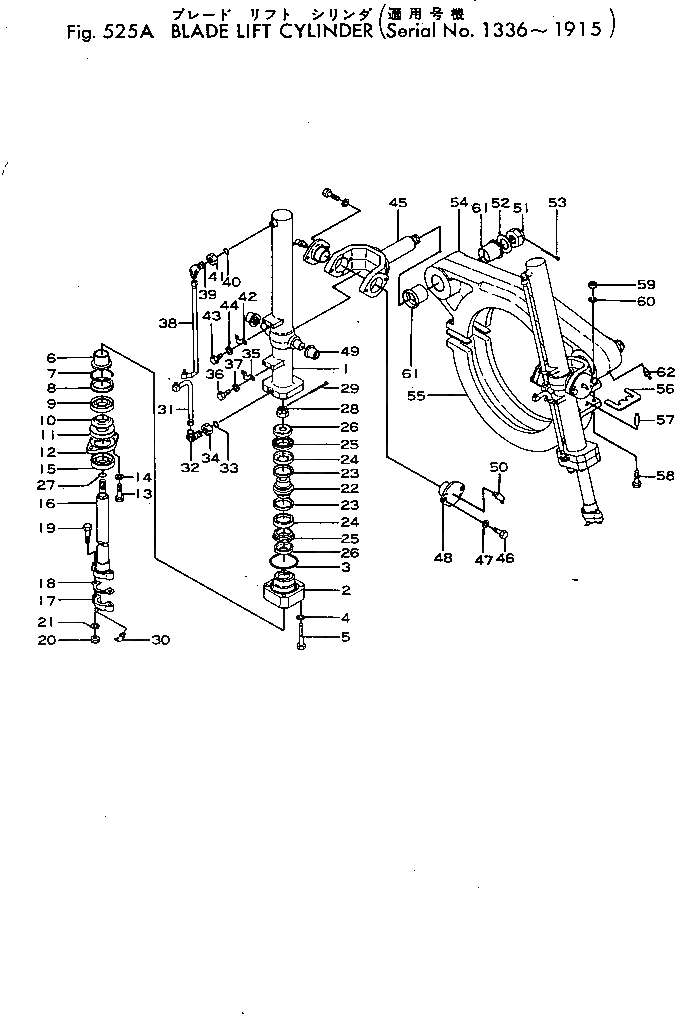
Запчасти Komatsu GD31-3H ЦИЛИНДР ПОДЪЕМА ОТВАЛА(№-9) РАБОЧЕЕ ОБОРУДОВАНИЕ И ITS СИСТЕМА УПРАВЛЕНИЯ

Схема запчастей Komatsu GD31-3H - ЦИЛИНДР ПОДЪЕМА ОТВАЛА(№-9) РАБОЧЕЕ ОБОРУДОВАНИЕ И ITS СИСТЕМА УПРАВЛЕНИЯ
FIT
1:1
100%

Артикул

Название

Примечание

Количество

|1

233-71-00011

CYLINDER ASS'Y

SN: 1336-1915

2шт.

1

233-71-11111

CYLINDER

SN: 1336-1915

1шт.

2

233-71-11211

COVER

SN: 1336-1915

1шт.

3

07000-03092

O-RING

SN: 1336-1915

1шт.

4

01040-31660

BOLT

SN: 1336-1915

4шт.

5

01602-01648

WASHER

SN: 1336-1915

4шт.

6

131-60-16241

BUSHING

SN: 1336-1915

1шт.

7

131-60-16250

RING

SN: 1336-1915

1шт.

8

131-60-16260

RETAINER

SN: 1336-1915

1шт.

9

131-60-16271

U-RING

SN: 1336-1915

1шт.

10

131-60-16281

HEEL

SN: 1336-1915

1шт.

11

131-60-16290

BUSHING

SN: 1336-1915

1шт.

12

233-71-11231

GLAND

SN: 1336-1915

1шт.

13

01040-31240

BOLT

SN: 1336-1915

2шт.

14

01602-01236

WASHER

SN: 1336-1915

2шт.

15

130-09-11631

SEAL

SN: 1336-1915

2шт.

16

233-71-11311

ROD

SN: 1336-1915

1шт.

17

232-71-12130

CAP

SN: 1336-1915

1шт.

18

232-71-11340

SHIM¤ 0.2MM

SN: 1003-1915

2шт.

19

01000-31665

BOLT

SN: 1003-1915

2шт.

20

01500-31613

NUT

SN: 1003-1915

2шт.

21

01602-01648

WASHER

SN: 1003-1915

2шт.

22

233-71-11321

PISTON

SN: 1336-1915

1шт.

23

233-71-11270

RING

SN: 1336-1915

2шт.

24

233-71-11290

HEEL

SN: 1336-1915

2шт.

25

233-71-11280

U-RING

SN: 1336-1915

2шт.

26

233-71-11371

HOLDER

SN: 1336-1915

2шт.

27

07000-03020

O-RING

SN: 1336-1915

1шт.

28

01513-32426

NUT

SN: 1336-1915

1шт.

29

04050-05045

PIN

SN: 1003-1915

1шт.

30

07020-00675

FITTING

SN: 1003-1915

1шт.

31

233-71-11132

TUBE

SN: 1336-1915

1шт.

32

07232-00522

ELBOW

SN: 1336-1915

1шт.

33

07000-03022

O-RING

SN: 1336-1915

1шт.

34

07239-02410

NUT

SN: 1336-1915

1шт.

35

07282-02288

CLAMP

SN: 1336-1915

1шт.

36

01040-31020

BOLT

SN: 1336-1915

2шт.

37

01602-01030

WASHER

SN: 1336-1915

2шт.

38

233-71-11142

TUBE

SN: 1336-1915

1шт.

39

07232-00522

ELBOW

SN: 1336-1915

1шт.

40

07000-03022

O-RING

SN: 1336-1915

1шт.

41

07239-02410

NUT

SN: 1336-1915

1шт.

42

07282-02288

CLAMP

SN: 1336-1915

1шт.

43

01040-31020

BOLT

SN: 1336-1915

2шт.

44

01602-01030

WASHER

SN: 1336-1915

2шт.

45

233-71-11510

YOKE

SN: 1003-1915

2шт.

46

01000-31230

BOLT

SN: 1003-1915

8шт.

47

01602-01236

WASHER

SN: 1003-@

8шт.

|48

233-71-00050

COVER ASS'Y

SN: 1003-1915

4шт.

48

233-71-11530

COVER

SN: 1003-1915

1шт.

49

233-71-11540

BUSHING

SN: 1003-1915

1шт.

50

07020-00675

FITTING

SN: 1003-1915

1шт.

51

01511-34525

NUT

SN: 1003-1915

2шт.

52

233-71-11520

WASHER

SN: 1003-1915

2шт.

53

04050-08075

PIN

SN: 1003-1915

2шт.

53

233-71-00041

BRACKET ASS'Y

SN: 1003-1633

1шт.

54

233-71-11411

BRACKET

SN: 1003-@

1шт.

55

233-71-11421

BRACKET

SN: 1003-@

1шт.

55

233-71-11430

JOINT

SN: 1003-@

1шт.

56

233-71-11450

SHIM¤ 0.5MM

SN: 1003-1633

8шт.

57

04020-01228

PIN

SN: 1003-@

2шт.

58

01000-31875

BOLT

SN: 1003-@

4шт.

59

01500-31816

NUT

SN: 1003-@

4шт.

60

01602-01854

WASHER

SN: 1003-@

4шт.

61

233-71-11440

BUSHING

SN: 1003-1915

4шт.

62

07020-00000

FITTING

SN: 1003-@

2шт.

Выбрано товаров: 66