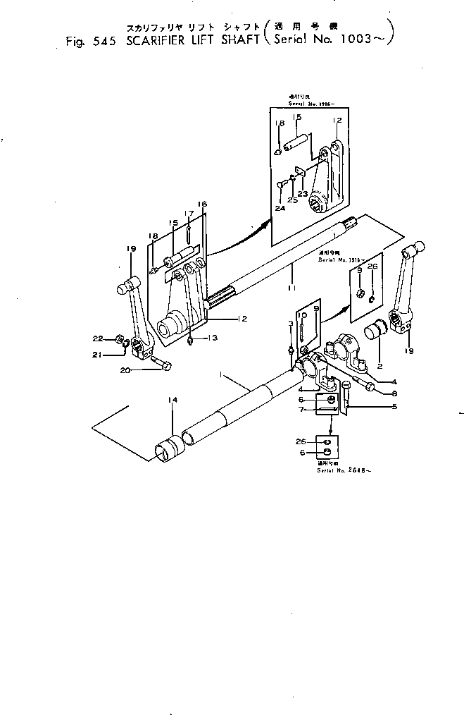
Запчасти Komatsu GD31-3H SCARIFIER LIFT ВАЛ РАБОЧЕЕ ОБОРУДОВАНИЕ И ITS СИСТЕМА УПРАВЛЕНИЯ

Схема запчастей Komatsu GD31-3H - SCARIFIER LIFT ВАЛ РАБОЧЕЕ ОБОРУДОВАНИЕ И ITS СИСТЕМА УПРАВЛЕНИЯ
FIT
1:1
100%

Артикул

Название

Примечание

Количество

|1

233-71-16010

SHAFT ASS'Y

SN: 1003-UP

1шт.

1

233-71-16110

SHAFT

SN: 1003-UP

1шт.

2

232-71-16121

BUSHING

SN: 1003-UP

1шт.

3

07020-00000

FITTING

SN: 1003-UP

1шт.

4

232-71-16210

BLOCK

SN: 1003-UP

2шт.

5

01010-62095

BOLT

SN: 2648-UP

4шт.

|5

01012-32095

BOLT

SN: 1003-2647

4шт.

6

01580-12016

NUT

SN: 2648-UP

4шт.

|6

01590-02022

NUT

SN: 2300-2647

4шт.

7

04050-04040

PIN

SN: 1003-1915

4шт.

8

01011-62005

BOLT

SN: 2648-UP

2шт.

|8

01013-32010

BOLT

SN: 2300-2647

2шт.

|8

01001-32050

BOLT

SN: 1336-2299

2шт.

9

01580-02016

NUT

SN: 2648-UP

2шт.

|9

01590-02022

NUT

SN: 1003-2647

2шт.

10

04050-04040

PIN

SN: 1003-1915

2шт.

11

233-71-16310

SHAFT

SN: 1003-UP

1шт.

|12

233-71-00141

ARM ASS'Y

SN: 1916-UP

1шт.

|12

233-71-00140

ARM ASS'Y

SN: 1003-1915

1шт.

12

233-71-16341

ARM

SN: 1916-UP

1шт.

|12

233-71-16320

ARM

SN: 1003-1915

1шт.

13

07020-00000

FITTING

SN: 1003-UP

1шт.

14

233-71-16330

BUSHING

SN: 1003-UP

1шт.

15

09241-40120

PIN

SN: 1916-UP

2шт.

|15

232-71-16340

PIN

SN: 1003-1915

1шт.

16

232-71-16350

WASHER

SN: 1003-1915

1шт.

17

04050-08060

PIN

SN: 1003-1915

1шт.

18

07020-00000

FITTING

SN: 1003-UP

2шт.

19

233-71-16410

ARM

SN: 1003-UP

2шт.

|19

232-70-13120

STUD

SN: 1003-4151

1шт.

20

01010-31690

BOLT

SN: 1003-UP

4шт.

21

01580-11613

NUT

SN: 1003-UP

4шт.

22

01602-21648

WASHER

SN: 2300-UP

4шт.

23

04082-00212

LOCK

SN: 1916-UP

2шт.

24

01010-51225

BOLT

SN: 1916-UP

4шт.

25

01602-21236

WASHER

SN: 1916-UP

4шт.

26

01602-22060

WASHER

SN: 2648-UP

4шт.

Выбрано товаров: 37