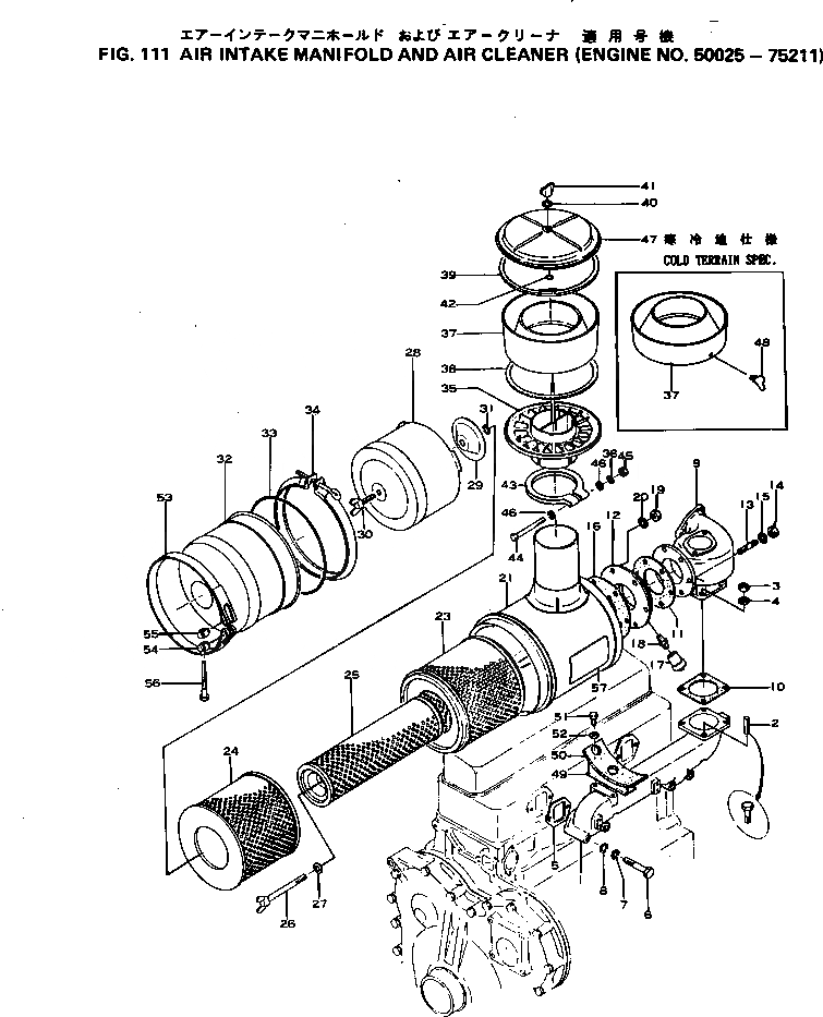
Запчасти Komatsu S4D120-11G ТРУБОПРОВОД ВПУСКА ВОЗДУХА И ВОЗДУХООЧИСТИТЕЛЬ(№-7) ГОЛОВКА ЦИЛИНДРОВ

Схема запчастей Komatsu S4D120-11G - ТРУБОПРОВОД ВПУСКА ВОЗДУХА И ВОЗДУХООЧИСТИТЕЛЬ(№-7) ГОЛОВКА ЦИЛИНДРОВ
FIT
1:1
100%

Артикул

Название

Примечание

Количество

|$0

6112-11-4102

MANIFOLD ASS'Y

SN: 70450-75211

1шт.

|$1

6112-11-4101

MANIFOLD ASS'Y

SN: 50081-70449

1шт.

|$2

6112-10-4100

MANIFOLD ASS'Y

SN: 50025-50080

1шт.

1

0

MANIFOLD

SN: 50081-75211

1шт.

1

0

MANIFOLD

SN: 50025-50080

1шт.

2

01010-31030

BOLT

SN: 50081-75211

4шт.

2

01140-31025

STUD

SN: 50025-50080

4шт.

3

01582-01008

NUT

SN: 50025-50080

4шт.

4

01602-01030

WASHER

SN: 50025-75211

4шт.

5

6110-11-4810

GASKET (K1)

SN: 50025-75211

2шт.

6

01010-31095

BOLT

SN: 70450-75211

4шт.

6

01040-31095

BOLT

SN: 50025-70449

4шт.

7

01602-01030

WASHER

SN: 50025-75211

4шт.

8

01640-21016

WASHER

SN: 50025-75211

4шт.

9

6110-81-9450

CONNECTOR

SN: 50025-75211

1шт.

10

6110-11-4420

GASKET (K1)

SN: 50025-75211

1шт.

11

6110-11-4430

GASKET (K1)

SN: 50025-75211

1шт.

|$17

6112-10-4200

PIPE ASS'Y

SN: 50025-75211

1шт.

12

0

PIPE

SN: 50025-75211

1шт.

13

01100-30825

STUD

SN: 50025-75211

6шт.

14

01580-00806

NUT

SN: 70450-75211

6шт.

14

01500-30807

NUT

SN: 50025-70449

6шт.

15

01602-00825

WASHER

SN: 50025-75211

6шт.

16

6675-11-4381

GASKET (K1)

SN: 54932-@

1шт.

16

6675-11-4380

GASKET

SN: 50025-54931

1шт.

|$25

600-181-0310

INDICATOR

SN: 69225-@

1шт.

|$26

6110-83-9600

INDICATOR

SN: 50025-69224

1шт.

17

600-181-0340

INDICATOR

SN: 69225-@

1шт.

17

6110-83-9610

INDICATOR

SN: 50025-69224

1шт.

18

600-181-0320

ADAPTER

SN: 69225-@

1шт.

18

6110-83-9620

ADAPTER

SN: 50025-69224

1шт.

19

01580-01008

NUT

SN: 50025-@

8шт.

20

01602-01030

WASHER

SN: 50025-@

8шт.

|$33

6112-81-7200

AIR CLEANER ASS'Y

SN: 50025-@

1шт.

21

6112-81-7210

BODY

SN: 50025-@

1шт.

|$35

6675-81-7011

ELEMENT ASS'Y

SN: 50025-@

1шт.

23

6675-81-7021

ELEMENT,OUTER

SN: 50025-@

1шт.

24

6675-81-7231

ELEMENT,OUTER

SN: 50025-@

1шт.

25

0

ELEMENT,INNER

SN: 50025-@

1шт.

26

6675-81-7160

BOLT

SN: 50025-@

1шт.

27

6675-81-7170

WASHER

SN: 50025-@

1шт.

28

6112-81-7250

RETAINER

SN: 50025-@

1шт.

29

6112-81-7260

PLATE

SN: 50025-@

1шт.

30

6112-81-7270

BOLT

SN: 50025-@

1шт.

31

6112-81-7280

RING

SN: 50025-@

1шт.

32

6112-81-7220

COVER

SN: 50025-@

1шт.

33

6112-81-7230

O-RING

SN: 50025-@

1шт.

34

6112-81-7240

BAND ASS'Y

SN: 50025-@

1шт.

|$48

6643-81-7502

PRE-CLEANER ASS'Y

SN: 50025-@

1шт.

|$49

600-181-2700

PRE-CLEANER ASS'Y,(A)

SN: 61639-@

1шт.

35

6643-81-7513

STOPPER

SN: 50025-@

1шт.

35

6643-81-7590

TRAP,(A)

SN: 61639-@

1шт.

36

01602-01030

WASHER

SN: 50025-@

1шт.

37

6003000-7-12

CASE

SN: 50025-@

1шт.

37

600-181-2760

CASE,(A)

SN: 61639-@

1шт.

38

6003000-8-20

GASKET

SN: 50025-@

1шт.

39

6003000-8-30

GASKET

SN: 50025-@

1шт.

40

6643-81-7561

WASHER

SN: 50025-@

1шт.

41

6643-81-7572

NUT

SN: 50025-@

1шт.

42

04064-01610

RING

SN: 50025-@

1шт.

43

6003008-2-26

CLAMP

SN: 50025-@

1шт.

44

6003008-2-40

BOLT

SN: 50025-@

1шт.

45

01582-01008

NUT

SN: 50025-@

1шт.

46

01640-21020

WASHER

SN: 50025-@

2шт.

47

6643-81-7551

COVER

SN: 50025-@

1шт.

48

600-181-2820

COCK,(A)

SN: 61639-@

1шт.

49

6112-11-4610

BRACKET

SN: 50025-@

1шт.

50

6112-11-4620

FELT

SN: 50025-@

1шт.

51

01010-31020

BOLT

SN: 50025-@

2шт.

52

01602-01030

WASHER

SN: 50025-@

2шт.

53

6675-11-4610

BAND

SN: 50025-@

1шт.

54

6643-11-4620

PIN

SN: 50025-@

1шт.

55

6643-11-4630

PIN, WITH THREAD

SN: 50025-@

1шт.

56

6643-11-4640

BOLT

SN: 50025-@

1шт.

57

6110-81-1312

PLATE, CAUTION

SN: 50025-@

1шт.

|$0

6112-11-4102

MANIFOLD ASS'Y

SN: 70450-75211

1шт.

|$1

6112-11-4101

MANIFOLD ASS'Y

SN: 50081-70449

1шт.

|$2

6112-10-4100

MANIFOLD ASS'Y

SN: 50025-50080

1шт.

1

0

MANIFOLD

SN: 50081-75211

1шт.

1

0

MANIFOLD

SN: 50025-50080

1шт.

2

01010-31030

BOLT

SN: 50081-75211

4шт.

2

01140-31025

STUD

SN: 50025-50080

4шт.

3

01582-01008

NUT

SN: 50025-50080

4шт.

4

01602-01030

WASHER

SN: 50025-75211

4шт.

5

6110-11-4810

GASKET (K1)

SN: 50025-75211

2шт.

6

01010-31095

BOLT

SN: 70450-75211

4шт.

6

01040-31095

BOLT

SN: 50025-70449

4шт.

7

01602-01030

WASHER

SN: 50025-75211

4шт.

8

01640-21016

WASHER

SN: 50025-75211

4шт.

9

6110-81-9450

CONNECTOR

SN: 50025-75211

1шт.

10

6110-11-4420

GASKET (K1)

SN: 50025-75211

1шт.

11

6110-11-4430

GASKET (K1)

SN: 50025-75211

1шт.

|$17

6112-10-4200

PIPE ASS'Y

SN: 50025-75211

1шт.

12

0

PIPE

SN: 50025-75211

1шт.

13

01100-30825

STUD

SN: 50025-75211

6шт.

14

01580-00806

NUT

SN: 70450-75211

6шт.

14

01500-30807

NUT

SN: 50025-70449

6шт.

15

01602-00825

WASHER

SN: 50025-75211

6шт.

16

6675-11-4381

GASKET (K1)

SN: 54932-@

1шт.

16

6675-11-4380

GASKET

SN: 50025-54931

1шт.

|$25

600-181-0310

INDICATOR

SN: 69225-@

1шт.

|$26

6110-83-9600

INDICATOR

SN: 50025-69224

1шт.

17

600-181-0340

INDICATOR

SN: 69225-@

1шт.

17

6110-83-9610

INDICATOR

SN: 50025-69224

1шт.

18

600-181-0320

ADAPTER

SN: 69225-@

1шт.

18

6110-83-9620

ADAPTER

SN: 50025-69224

1шт.

19

01580-01008

NUT

SN: 50025-@

8шт.

20

01602-01030

WASHER

SN: 50025-@

8шт.

|$33

6112-81-7200

AIR CLEANER ASS'Y

SN: 50025-@

1шт.

21

6112-81-7210

BODY

SN: 50025-@

1шт.

|$35

6675-81-7011

ELEMENT ASS'Y

SN: 50025-@

1шт.

23

6675-81-7021

ELEMENT,OUTER

SN: 50025-@

1шт.

24

6675-81-7231

ELEMENT,OUTER

SN: 50025-@

1шт.

25

0

ELEMENT,INNER

SN: 50025-@

1шт.

26

6675-81-7160

BOLT

SN: 50025-@

1шт.

27

6675-81-7170

WASHER

SN: 50025-@

1шт.

28

6112-81-7250

RETAINER

SN: 50025-@

1шт.

29

6112-81-7260

PLATE

SN: 50025-@

1шт.

30

6112-81-7270

BOLT

SN: 50025-@

1шт.

31

6112-81-7280

RING

SN: 50025-@

1шт.

32

6112-81-7220

COVER

SN: 50025-@

1шт.

33

6112-81-7230

O-RING

SN: 50025-@

1шт.

34

6112-81-7240

BAND ASS'Y

SN: 50025-@

1шт.

|$48

6643-81-7502

PRE-CLEANER ASS'Y

SN: 50025-@

1шт.

|$49

600-181-2700

PRE-CLEANER ASS'Y,(A)

SN: 61639-@

1шт.

35

6643-81-7513

STOPPER

SN: 50025-@

1шт.

35

6643-81-7590

TRAP,(A)

SN: 61639-@

1шт.

36

01602-01030

WASHER

SN: 50025-@

1шт.

37

6003000-7-12

CASE

SN: 50025-@

1шт.

37

600-181-2760

CASE,(A)

SN: 61639-@

1шт.

38

6003000-8-20

GASKET

SN: 50025-@

1шт.

39

6003000-8-30

GASKET

SN: 50025-@

1шт.

40

6643-81-7561

WASHER

SN: 50025-@

1шт.

41

6643-81-7572

NUT

SN: 50025-@

1шт.

42

04064-01610

RING

SN: 50025-@

1шт.

43

6003008-2-26

CLAMP

SN: 50025-@

1шт.

44

6003008-2-40

BOLT

SN: 50025-@

1шт.

45

01582-01008

NUT

SN: 50025-@

1шт.

46

01640-21020

WASHER

SN: 50025-@

2шт.

47

6643-81-7551

COVER

SN: 50025-@

1шт.

48

600-181-2820

COCK,(A)

SN: 61639-@

1шт.

49

6112-11-4610

BRACKET

SN: 50025-@

1шт.

50

6112-11-4620

FELT

SN: 50025-@

1шт.

51

01010-31020

BOLT

SN: 50025-@

2шт.

52

01602-01030

WASHER

SN: 50025-@

2шт.

53

6675-11-4610

BAND

SN: 50025-@

1шт.

54

6643-11-4620

PIN

SN: 50025-@

1шт.

55

6643-11-4630

PIN, WITH THREAD

SN: 50025-@

1шт.

56

6643-11-4640

BOLT

SN: 50025-@

1шт.

57

6110-81-1312

PLATE, CAUTION

SN: 50025-@

1шт.

Выбрано товаров: 150