Запчасти Komatsu S4D120-11G КОЛЕНВАЛ¤PUSH ROD И КОРОМЫСЛО БЛОК ЦИЛИНДРОВ

Схема запчастей Komatsu S4D120-11G - КОЛЕНВАЛ¤PUSH ROD И КОРОМЫСЛО БЛОК ЦИЛИНДРОВ
FIT
1:1
100%

Артикул

Название

Примечание

Количество

|1

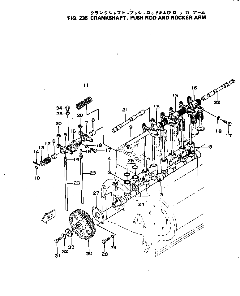
6112-40-1100

CAMSHAFT ASS'Y

SN: 50025-UP

1шт.

1

0

CAMSHAFT

SN: 50025-UP

1шт.

2

04020-00514

PIN

SN: 50025-UP

1шт.

|3

6110-40-2200

GUIDE ASS'Y

SN: 50025-UP

2шт.

3

0

GUIDE

SN: 50025-UP

1шт.

4

6110-21-1130

SPACER

SN: 50025-UP

2шт.

|5

6110-40-5101

ROCKER ARM A.,FRONT

SN: 50025-UP

1шт.

|5

6110-40-5021

ROCKER ARM A.,REAR

SN: 50025-UP

1шт.

|5

6110-40-5401

ROCKER ARM A.

SN: 50025-UP

2шт.

5

0

ARM

SN: 50025-UP

1шт.

6

6110-41-5423

BUSHING

SN: 50025-UP

1шт.

|7

6110-40-5501

ROCKER ARM A.

SN: 50025-UP

2шт.

7

0

ARM

SN: 50025-UP

1шт.

8

6110-41-5423

BUSHING

SN: 50025-UP

1шт.

|9

6110-40-5200

SHAFT ASS'Y

SN: 50025-UP

1шт.

9

0

SHAFT

SN: 50025-UP

1шт.

10

6110-41-5221

PLUG

SN: 50025-UP

2шт.

11

6110-41-5320

SPRING

SN: 50025-UP

1шт.

12

6110-41-5330

SPRING

SN: 50025-UP

2шт.

13

6110-41-5310

WASHER

SN: 50025-UP

2шт.

14

04050-04035

PIN (K1)

SN: 50025-UP

2шт.

15

6110-43-5120

BRACKET

SN: 50025-UP

1шт.

16

6110-43-5110

BRACKET

SN: 50025-UP

1шт.

17

6110-43-5140

SCREW

SN: 50025-UP

1шт.

18

01602-01030

WASHER

SN: 50025-UP

1шт.

19

6110-43-5430

SCREW

SN: 50025-UP

4шт.

20

6110-41-5440

NUT

SN: 50025-UP

4шт.

21

6110-43-8110

SHAFT,(FOR FRONT ROCKER ARM A.)

SN: 50025-UP

1шт.

22

6110-43-8120

SHAFT,(FOR REAR ROCKER ARM A.)

SN: 50025-UP

1шт.

23

6110-43-3110

ROD

SN: 50025-UP

8шт.

24

6110-43-2110

TAPPET

SN: 50025-UP

8шт.

25

6110-41-2120

RING

SN: 50025-UP

8шт.

26

04000-00735

KEY

SN: 50025-UP

1шт.

27

6110-43-1130

PLATE

SN: 50025-UP

1шт.

28

01010-31225

BOLT

SN: 50025-UP

2шт.

29

01602-01236

WASHER

SN: 50025-UP

2шт.

30

6110-43-1120

GEAR

SN: 50025-UP

1шт.

31

01010-31225

BOLT

SN: 50025-UP

1шт.

32

01653-21212

WASHER (K2)

SN: 50025-UP

1шт.

33

6110-21-2320

COLLAR

SN: 50025-UP

1шт.

34

01010-31025

BOLT

SN: 50025-UP

4шт.

35

01602-01030

WASHER

SN: 50025-UP

4шт.

|1

6112-40-1100

CAMSHAFT ASS'Y

SN: 50025-UP

1шт.

1

0

CAMSHAFT

SN: 50025-UP

1шт.

2

04020-00514

PIN

SN: 50025-UP

1шт.

|3

6110-40-2200

GUIDE ASS'Y

SN: 50025-UP

2шт.

3

0

GUIDE

SN: 50025-UP

1шт.

4

6110-21-1130

SPACER

SN: 50025-UP

2шт.

|5

6110-40-5101

ROCKER ARM A.,FRONT

SN: 50025-UP

1шт.

|5

6110-40-5021

ROCKER ARM A.,REAR

SN: 50025-UP

1шт.

|5

6110-40-5401

ROCKER ARM A.

SN: 50025-UP

2шт.

5

0

ARM

SN: 50025-UP

1шт.

6

6110-41-5423

BUSHING

SN: 50025-UP

1шт.

|7

6110-40-5501

ROCKER ARM A.

SN: 50025-UP

2шт.

7

0

ARM

SN: 50025-UP

1шт.

8

6110-41-5423

BUSHING

SN: 50025-UP

1шт.

|9

6110-40-5200

SHAFT ASS'Y

SN: 50025-UP

1шт.

9

0

SHAFT

SN: 50025-UP

1шт.

10

6110-41-5221

PLUG

SN: 50025-UP

2шт.

11

6110-41-5320

SPRING

SN: 50025-UP

1шт.

12

6110-41-5330

SPRING

SN: 50025-UP

2шт.

13

6110-41-5310

WASHER

SN: 50025-UP

2шт.

14

04050-04035

PIN (K1)

SN: 50025-UP

2шт.

15

6110-43-5120

BRACKET

SN: 50025-UP

1шт.

16

6110-43-5110

BRACKET

SN: 50025-UP

1шт.

17

6110-43-5140

SCREW

SN: 50025-UP

1шт.

18

01602-01030

WASHER

SN: 50025-UP

1шт.

19

6110-43-5430

SCREW

SN: 50025-UP

4шт.

20

6110-41-5440

NUT

SN: 50025-UP

4шт.

21

6110-43-8110

SHAFT,(FOR FRONT ROCKER ARM A.)

SN: 50025-UP

1шт.

22

6110-43-8120

SHAFT,(FOR REAR ROCKER ARM A.)

SN: 50025-UP

1шт.

23

6110-43-3110

ROD

SN: 50025-UP

8шт.

24

6110-43-2110

TAPPET

SN: 50025-UP

8шт.

25

6110-41-2120

RING

SN: 50025-UP

8шт.

26

04000-00735

KEY

SN: 50025-UP

1шт.

27

6110-43-1130

PLATE

SN: 50025-UP

1шт.

28

01010-31225

BOLT

SN: 50025-UP

2шт.

29

01602-01236

WASHER

SN: 50025-UP

2шт.

30

6110-43-1120

GEAR

SN: 50025-UP

1шт.

31

01010-31225

BOLT

SN: 50025-UP

1шт.

32

01653-21212

WASHER (K2)

SN: 50025-UP

1шт.

33

6110-21-2320

COLLAR

SN: 50025-UP

1шт.

34

01010-31025

BOLT

SN: 50025-UP

4шт.

35

01602-01030

WASHER

SN: 50025-UP

4шт.

Выбрано товаров: 84