Запчасти Komatsu GD31RC-3A МУФТА СИЛОВАЯ ПЕРЕДАЧА

Схема запчастей Komatsu GD31RC-3A - МУФТА СИЛОВАЯ ПЕРЕДАЧА
FIT
1:1
100%

Артикул

Название

Примечание

Количество

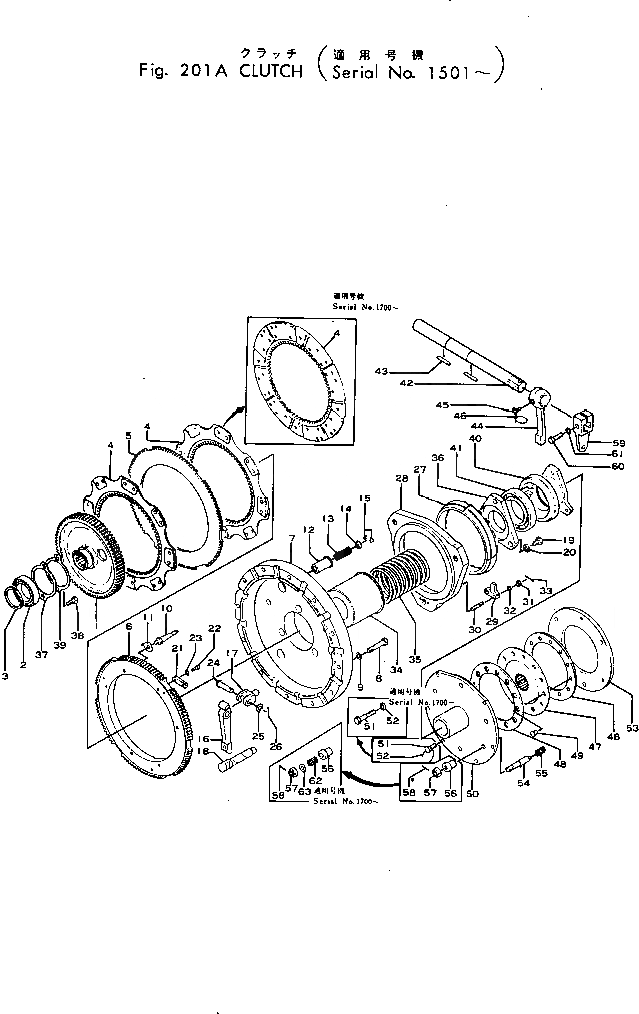
|1

233-10-00014

CLUTCH ASS'Y

SN: 4530-UP

1шт.

|1

0

CLUTCH ASS'Y

SN: 4148-4529

1шт.

|1

233-10-00014

CLUTCH ASS'Y

SN: 4001-4147

1шт.

1

230-10-11281

GEAR

SN: 4001-UP

1шт.

2

06000-06012

BEARING

SN: 4001-UP

1шт.

3

04064-06020

RING

SN: 4001-UP

1шт.

4

131-10-41610

DISC

SN: 4530-UP

2шт.

|4

0

DISC

SN: 4148-4529

2шт.

|4

131-10-41610

DISC

SN: 4001-4147

2шт.

5

131-10-11120

PLATE

SN: 4001-UP

1шт.

6

131-10-11131

PLATE

SN: 4001-UP

1шт.

7

131-10-41131

COVER

SN: 4001-UP

1шт.

8

01010-51060

BOLT

SN: 4001-UP

12шт.

9

01602-21030

WASHER

SN: 4001-UP

12шт.

10

131-10-41460

GUIDE

SN: 4001-UP

3шт.

11

01650-00808

WASHER (KIT)

SN: 4001-UP

3шт.

12

131-10-11530

GUIDE

SN: 4001-UP

3шт.

13

131-10-11191

SPRING

SN: 4001-UP

3шт.

14

131-10-11520

SEAT

SN: 4001-UP

3шт.

15

170-10-11342

LOCK

SN: 4001-UP

3шт.

16

131-10-11210

LEVER

SN: 4001-UP

3шт.

17

131-10-11230

PIN

SN: 4001-UP

3шт.

18

230-10-11540

ROD

SN: 4001-UP

3шт.

19

232-11-12170

BOLT

SN: 4001-UP

3шт.

20

01650-01412

WASHER (KIT)

SN: 4001-UP

3шт.

21

131-10-11140

SEAT

SN: 4001-UP

3шт.

22

01010-50620

BOLT

SN: 4001-UP

6шт.

23

01650-00608

WASHER (KIT)

SN: 4001-UP

6шт.

24

131-10-11220

PIN

SN: 4001-UP

3шт.

25

01641-21426

WASHER

SN: 4001-UP

3шт.

26

04050-04022

PIN (KIT)

SN: 4001-UP

3шт.

27

131-10-11290

RING

SN: 4001-UP

1шт.

28

131-10-11260

RING

SN: 4001-UP

1шт.

29

131-10-11270

LOCK

SN: 4001-UP

1шт.

30

131-10-41830

STUD

SN: 4001-UP

2шт.

31

01580-10806

NUT

SN: 4001-UP

2шт.

32

01602-20825

WASHER

SN: 4001-UP

2шт.

33

04050-02018

PIN (KIT)

SN: 4001-UP

2шт.

34

232-11-12150

GUIDE

SN: 4001-UP

1шт.

35

232-11-12111

SPRING

SN: 4001-UP

1шт.

36

232-11-12130

FLANGE

SN: 4001-UP

1шт.

37

131-10-41221

PLATE

SN: 4001-UP

1шт.

38

01010-51025

BOLT

SN: 4001-UP

2шт.

39

131-10-41440

LOCK (KIT)

SN: 4001-UP

1шт.

40

230-10-11185

SHIFTER

SN: 4001-UP

1шт.

41

06000-06215

BEARING

SN: 4001-UP

1шт.

42

230-10-11196

SHAFT

SN: 4001-UP

1шт.

43

04000-01050

KEY

SN: 4001-UP

2шт.

44

230-10-11380

LEVER

SN: 4001-UP

2шт.

45

01306-00820

SCREW

SN: 4001-UP

2шт.

46

04059-01020

WIRE (KIT)

SN: 4001-UP

2шт.

|47

232-11-00020

PLATE ASS'Y

SN: 4001-UP

1шт.

47

230-10-11430

PLATE

SN: 4001-UP

1шт.

48

232-11-14111

FACING

SN: 4001-UP

2шт.

49

04412-00510

RIVET

SN: 4001-UP

12шт.

50

230-10-11172

SEAT

SN: 4001-UP

1шт.

51

01010-51025

BOLT

SN: 4001-UP

6шт.

52

01602-21030

WASHER

SN: 4001-UP

6шт.

53

230-10-11521

PLATE

SN: 4001-UP

1шт.

54

232-11-14212

ROD

SN: 4001-UP

3шт.

55

230-10-11450

SPRING

SN: 4001-UP

3шт.

56

232-11-14223

COLLAR

SN: 4001-UP

3шт.

57

01590-01215

NUT

SN: 4001-UP

3шт.

58

04050-03020

PIN (KIT)

SN: 4001-UP

3шт.

59

232-11-15214

LEVER

SN: 4001-UP

1шт.

60

01010-31240

BOLT

SN: 4001-UP

1шт.

61

01602-01236

WASHER

SN: 4001-UP

1шт.

62

232-11-14232

SPRING

SN: 4001-UP

3шт.

63

232-11-14240

WASHER

SN: 4001-UP

3шт.

Выбрано товаров: 69