Запчасти Komatsu GD31RC-3A ПЕРЕДНИЙ МОСТ SUPPURT РАМА И КУЗОВ

Схема запчастей Komatsu GD31RC-3A - ПЕРЕДНИЙ МОСТ SUPPURT РАМА И КУЗОВ
FIT
1:1
100%

Артикул

Название

Примечание

Количество

|1

233-46-00102

FRAME ASS'Y

SN: 4146-UP

1шт.

|1

233-46-00101

FRAME ASS'Y

SN: 4122-4145

1шт.

|1

233-46-00100

FRAME ASS'Y

SN: 4001-4121

1шт.

|1

233-46-00025

SUPPORT ASS'Y

SN: 4122-UP

1шт.

|1

233-46-00024

SUPPORT ASS'Y

SN: 4001-4121

1шт.

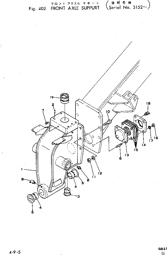
1

233-46-13315

SUPPORT

SN: 4001-UP

1шт.

2

04020-01228

PIN

SN: 4001-UP

2шт.

3

232-46-13131

BUSHING

SN: 4001-UP

1шт.

4

234-46-11330

BUSHING

SN: 4001-UP

2шт.

5

234-46-11340

BUSHING

SN: 4001-UP

2шт.

6

01124-82080

STUD

SN: 4001-UP

4шт.

7

07020-00000

FITTING

SN: 4122-UP

1шт.

|7

07042-00108

PLUG

SN: 4001-4121

1шт.

8

07020-00000

FITTING

SN: 4001-UP

1шт.

9

07020-00675

FITTING

SN: 4001-UP

2шт.

10

01010-82480

BOLT

SN: 4001-UP

6шт.

11

01580-12419

NUT

SN: 4001-UP

6шт.

12

01602-02472

WASHER

SN: 4001-UP

6шт.

13

233-46-13151

SOCKET

SN: 4001-UP

1шт.

14

233-46-13160

COVER

SN: 4001-UP

1шт.

15

233-46-05011

SHIM ASS'Y

SN: 4001-UP

1шт.

|15

0

SHIM¤ 0.5MM

SN: 4001-UP

1шт.

|15

0

SHIM¤ 1.0MM

SN: 4001-UP

4шт.

16

01580-02016

NUT

SN: 4001-UP

4шт.

17

01602-02060

WASHER

SN: 4001-UP

4шт.

18

07020-00675

FITTING

SN: 4001-UP

1шт.

19

232-41-26131

BUSHING

SN: 4122-UP

1шт.

Выбрано товаров: 0