Запчасти Komatsu GD31RC-3A МЕХ-М ОТБОРА МОЩНОСТИ ВАЛ СИЛОВАЯ ПЕРЕДАЧА

Схема запчастей Komatsu GD31RC-3A - МЕХ-М ОТБОРА МОЩНОСТИ ВАЛ СИЛОВАЯ ПЕРЕДАЧА
FIT
1:1
100%

Артикул

Название

Примечание

Количество

|$0

233-14-00026

TRANSMISSION ASS'Y

SN: 4146-UP

1шт.

|$1

233-14-00025

TRANSMISSION ASS'Y

SN: 4001-4145

1шт.

|$$3

THESE ASSEMBLIES CONSIST OF ALL PARTS SHOWN IN FIGS.221A TO 233C.

-1шт.

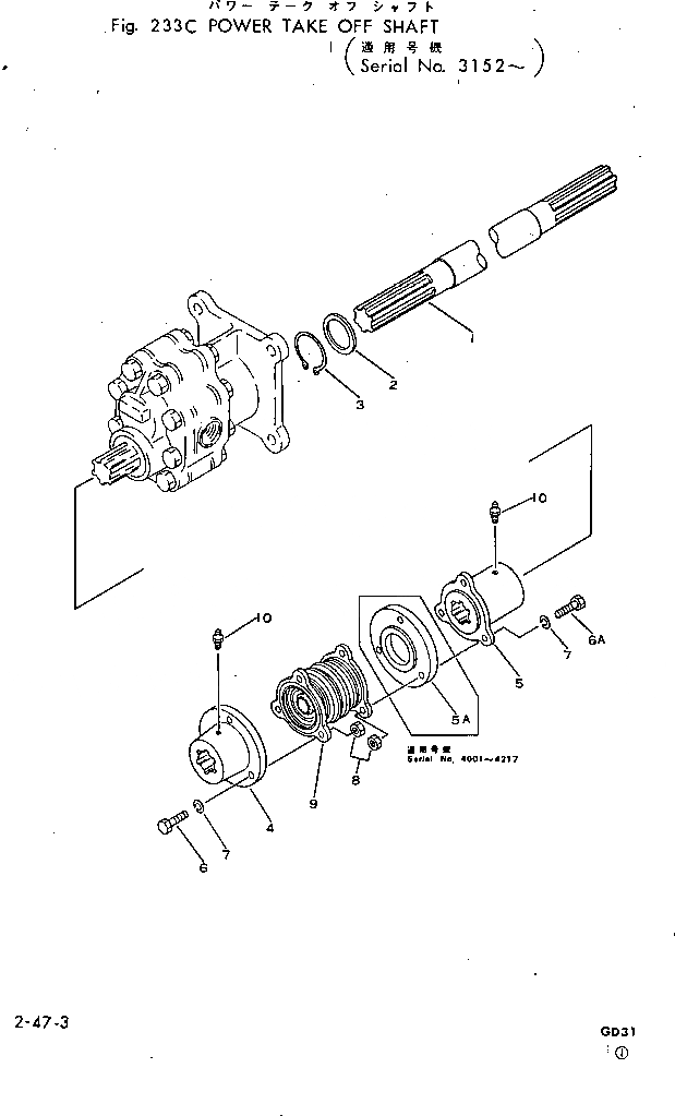
1

232-11-16172

SHAFT

SN: 4001-UP

1шт.

2

232-14-18150

WASHER

SN: 4001-UP

1шт.

3

04064-02512

RING

SN: 4001-UP

1шт.

4

233-43-17312

FLANGE

SN: 4218-UP

1шт.

4

233-43-17311

FLANGE

SN: 4001-4217

1шт.

5

233-43-17330

FLANGE

SN: 4218-UP

1шт.

5

232-43-33130

FLANGE

SN: 4001-4217

1шт.

5A

233-43-17320

SPACER

SN: 4001-4217

1шт.

6

01010-51030

BOLT

SN: 4001-UP

3шт.

6A

01010-31030

BOLT

SN: 4218-UP

3шт.

6A

01010-31040

BOLT

SN: 4001-4217

3шт.

7

01602-21030

WASHER

SN: 4001-UP

6шт.

8

01580-11008

NUT

SN: 4001-UP

6шт.

9

232-43-33100

JOINT ASS'Y

SN: 4001-UP

1шт.

10

07020-00000

FITTING

SN: 4001-UP

2шт.

Выбрано товаров: 18