Запчасти Komatsu GD31RC-3A СТОЯНОЧНЫЙ ТОРМОЗ СИЛОВАЯ ПЕРЕДАЧА

Схема запчастей Komatsu GD31RC-3A - СТОЯНОЧНЫЙ ТОРМОЗ СИЛОВАЯ ПЕРЕДАЧА
FIT
1:1
100%

Артикул

Название

Примечание

Количество

|$0

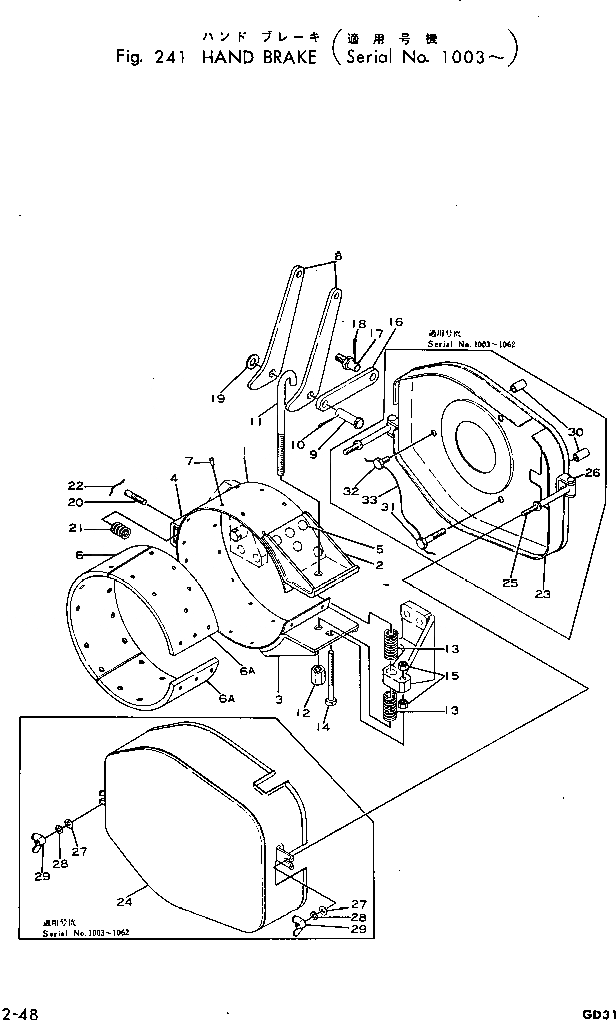
232-32-00053

BAND ASS'Y

SN: 4001-UP

1шт.

1

0

BAND

SN: 4001-UP

1шт.

2

0

BRACKET

SN: 4001-UP

1шт.

3

0

BRACKET

SN: 4001-UP

1шт.

4

0

SUPPORT

SN: 4001-UP

1шт.

|$5

232-32-00062

LINING ASS'Y

SN: 4001-UP

1шт.

6

232-32-12151

LINING

SN: 4001-UP

1шт.

6A

232-32-12161

LINING

SN: 4001-UP

2шт.

7

04412-00508

RIVET

SN: 4001-UP

28шт.

8

232-32-12211

LEVER

SN: 4001-UP

2шт.

9

04205-11445

PIN

SN: 4001-UP

1шт.

10

04050-14022

PIN

SN: 4001-UP

1шт.

11

232-32-12221

BOLT

SN: 4001-UP

1шт.

12

232-32-12231

NUT

SN: 4001-UP

1шт.

13

232-32-12240

SPRING

SN: 4001-UP

2шт.

14

232-32-12251

BOLT

SN: 4001-UP

1шт.

15

01580-10806

NUT

SN: 4001-UP

2шт.

16

232-32-12260

SUPPORT

SN: 4001-UP

1шт.

17

232-32-12270

BOLT

SN: 4001-UP

1шт.

18

04050-14022

PIN

SN: 4001-UP

1шт.

19

01641-21426

WASHER

SN: 4001-UP

1шт.

20

232-32-12281

BOLT

SN: 4001-UP

1шт.

21

232-32-12290

SPRING

SN: 4001-UP

1шт.

22

04059-01620

WIRE

SN: 4001-UP

1шт.

|$24

232-32-00071

COVER ASS'Y

SN: 4001-UP

1шт.

23

232-32-12310

COVER

SN: 4001-UP

1шт.

24

232-32-12321

COVER

SN: 4001-UP

1шт.

25

232-32-12330

SCREW

SN: 4001-UP

2шт.

26

232-32-12340

PIN

SN: 4001-UP

2шт.

27

01640-20816

WASHER

SN: 4001-UP

2шт.

28

01602-20825

WASHER

SN: 4001-UP

2шт.

29

01540-20840

NUT

SN: 4001-UP

2шт.

30

232-32-12350

WASHER

SN: 4001-UP

2шт.

31

01014-51054

BOLT

SN: 4001-UP

2шт.

32

01014-51016

BOLT

SN: 4001-UP

1шт.

33

04059-01063

WIRE

SN: 4001-UP

1шт.

Выбрано товаров: 36