Запчасти Komatsu GD31RC-3A СИСТЕМА ТРУБ РАДИАТОРА КОМПОНЕНТЫ ДВИГАТЕЛЯ И ЭЛЕКТРИКА

Схема запчастей Komatsu GD31RC-3A - СИСТЕМА ТРУБ РАДИАТОРА КОМПОНЕНТЫ ДВИГАТЕЛЯ И ЭЛЕКТРИКА
FIT
1:1
100%

Артикул

Название

Примечание

Количество

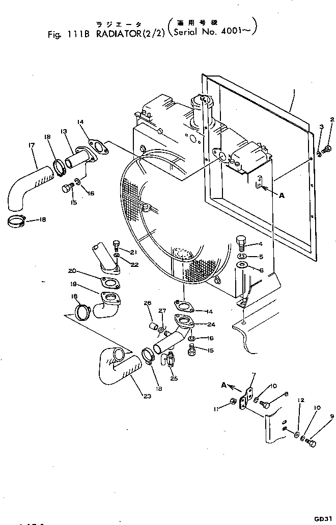
1

232-03-11481

PLATE

SN: 4001-4289

1шт.

2

01010-51014

BOLT

SN: 4001-4289

6шт.

3

01602-21030

WASHER

SN: 4001-4289

6шт.

4

01010-51635

BOLT

SN: 4001-UP

4шт.

5

01602-21648

WASHER

SN: 4001-UP

4шт.

6

01640-21626

WASHER

SN: 4001-UP

4шт.

7

232-03-11442

SUPPORT

SN: 4001-UP

2шт.

8

01010-51020

BOLT

SN: 4001-UP

4шт.

9

01010-51025

BOLT

SN: 4001-UP

4шт.

10

01602-21030

WASHER

SN: 4001-UP

8шт.

11

01580-11008

NUT

SN: 4001-UP

4шт.

12

01642-21016

WASHER

SN: 4001-UP

4шт.

13

232-03-12110

FLANGE

SN: 4001-UP

1шт.

14

232-03-12130

GASKET (KIT)

SN: 4001-UP

1шт.

15

01010-51235

BOLT

SN: 4001-UP

4шт.

16

01602-21236

WASHER

SN: 4001-UP

4шт.

17

233-03-12120

HOSE

SN: 4001-UP

1шт.

18

07281-00709

CLAMP

SN: 4001-UP

4шт.

19

233-03-12130

FLANGE

SN: 4001-UP

1шт.

20

233-03-12150

GASKET (KIT)

SN: 4001-UP

1шт.

21

01010-51030

BOLT

SN: 4001-UP

2шт.

22

01602-21030

WASHER

SN: 4001-UP

2шт.

23

233-03-12141

HOSE

SN: 4001-UP

1шт.

24

233-03-12231

TUBE

SN: 4001-UP

1шт.

25

07730-20004

VALVE

SN: 4590-UP

1шт.

25

0

VALVE

SN: 4001-4589

1шт.

26

232-03-12160

CAP

SN: 4001-UP

1шт.

27

04059-01020

WIRE (KIT)

SN: 4001-UP

1шт.

Выбрано товаров: 28