Запчасти Komatsu GD31RC-3A HTDRAULIC ТРУБЫ (ЛИНИЯ УСИЛИТЕЛЯ ТОРМОЗОВ)(№-) РАБОЧЕЕ ОБОРУДОВАНИЕ И ITS СИСТЕМА УПРАВЛЕНИЯ

Схема запчастей Komatsu GD31RC-3A - HTDRAULIC ТРУБЫ (ЛИНИЯ УСИЛИТЕЛЯ ТОРМОЗОВ)(№-) РАБОЧЕЕ ОБОРУДОВАНИЕ И ITS СИСТЕМА УПРАВЛЕНИЯ
FIT
1:1
100%

Артикул

Название

Примечание

Количество

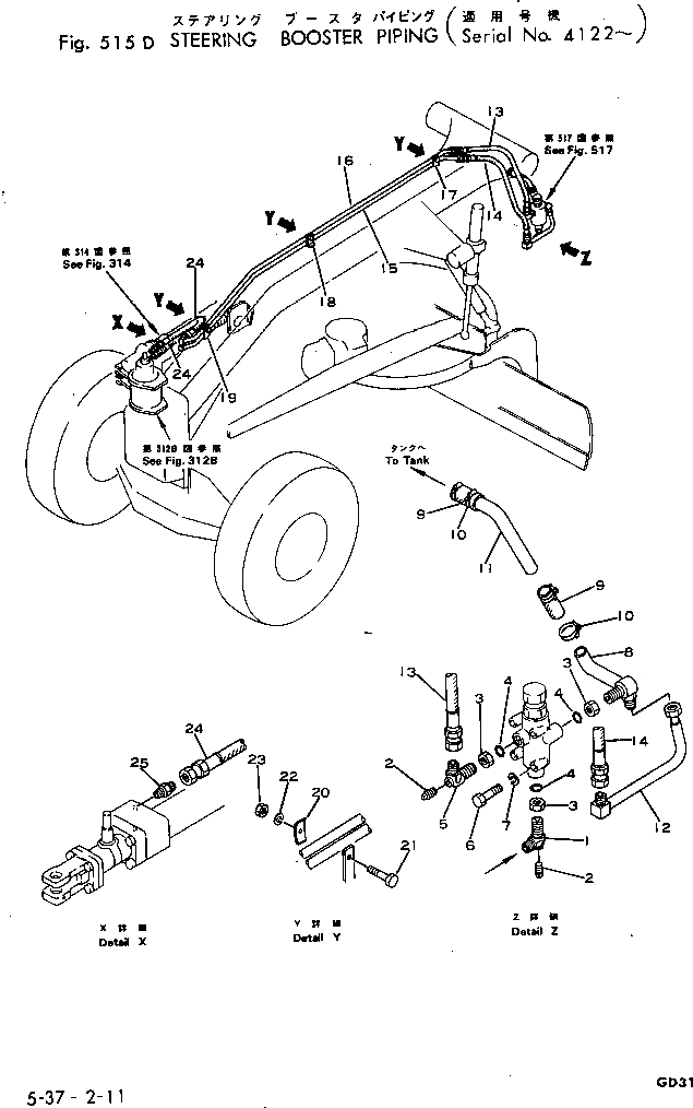
1

07231-10628

ELBOW

SN: 4122-UP

1шт.

2

07042-00108

PLUG

SN: 4122-UP

2шт.

3

07239-12410

NUT

SN: 4122-UP

3шт.

4

07002-12434

O-RING

SN: 4122-UP

3шт.

5

07231-10522

ELBOW

SN: 4122-UP

1шт.

6

01010-30825

BOLT

SN: 4122-UP

3шт.

7

01602-00825

WASHER

SN: 4122-UP

3шт.

8

233-41-14186

ELBOW

SN: 4122-UP

1шт.

9

07260-22613

HOSE

SN: 4122-UP

2шт.

10

07281-00419

CLAMP

SN: 4122-UP

4шт.

11

233-41-14194

TUBE

SN: 4122-UP

1шт.

12

233-41-14350

TUBE

SN: 4122-UP

1шт.

13

07113-00508

HOSE

SN: 4146-UP

1шт.

13

07104-20508

HOSE

SN: 4122-4145

1шт.

14

07113-00511

HOSE

SN: 4146-UP

1шт.

14

07104-20511

HOSE

SN: 4122-4145

1шт.

15

233-41-14145

TUBE

SN: 4122-UP

1шт.

16

233-41-14165

TUBE

SN: 4122-UP

1шт.

17

233-41-14360

PLATE

SN: 4122-UP

1шт.

18

232-46-11520

PLATE

SN: 4122-UP

1шт.

19

233-41-14250

PLATE

SN: 4122-UP

1шт.

20

232-60-14930

CLAMP

SN: 4122-UP

3шт.

21

01010-31045

BOLT

SN: 4122-UP

3шт.

22

01602-01030

WASHER

SN: 4122-UP

3шт.

23

01580-01008

NUT

SN: 4122-UP

3шт.

24

07104-20508

HOSE

SN: 4122-UP

2шт.

25

234-60-14841

NIPPLE

SN: 4122-UP

2шт.

Выбрано товаров: 27