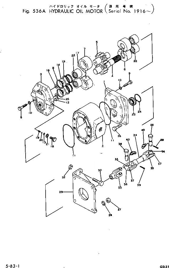
Запчасти Komatsu GD31RC-3A ГИДРАВЛ МАСЛ. МОТОР РАБОЧЕЕ ОБОРУДОВАНИЕ И ITS СИСТЕМА УПРАВЛЕНИЯ

Схема запчастей Komatsu GD31RC-3A - ГИДРАВЛ МАСЛ. МОТОР РАБОЧЕЕ ОБОРУДОВАНИЕ И ITS СИСТЕМА УПРАВЛЕНИЯ
FIT
1:1
100%

Артикул

Название

Примечание

Количество

|$0

07439-68100

MOTOR ASS'Y

SN: 4086-UP

1шт.

|$1

07437-68100

MOTOR ASS'Y

SN: 4001-4085

1шт.

1

0

BRACKET

SN: 4001-UP

1шт.

2

0

CASE

SN: 4086-UP

1шт.

2

0

CASE

SN: 4001-4085

1шт.

3

0

COVER

SN: 4001-UP

1шт.

4

0

GEAR

SN: 4086-UP

1шт.

4

0

GEAR

SN: 4001-4085

1шт.

5

0

GEAR

SN: 4086-UP

1шт.

5

0

GEAR

SN: 4001-4085

1шт.

6

0

BUSHING

SN: 4001-UP

2шт.

7

0

BUSHING

SN: 4001-UP

2шт.

8

0

RING

SN: 4001-UP

4шт.

9

0

BOLT

SN: 4001-UP

16шт.

10

0

WASHER

SN: 4001-UP

16шт.

11

0

O-RING

SN: 4001-UP

2шт.

12

0

O-RING

SN: 4001-UP

2шт.

13

07000-12008

O-RING

SN: 4001-UP

2шт.

14

0

PLATE

SN: 4001-UP

2шт.

15

0

U-RING

SN: 4001-UP

2шт.

16

0

COLLAR

SN: 4001-UP

2шт.

17

0

PIN

SN: 4001-UP

2шт.

18

07425-68110

SEAT

SN: 4001-UP

2шт.

19

07425-68130

SPRING

SN: 4001-UP

2шт.

20

04260-00635

BALL

SN: 4001-UP

2шт.

21

07003-01621

GASKET

SN: 4001-UP

2шт.

22

0

BEARING

SN: 4001-UP

4шт.

23

07434-11161

SEAL

SN: 4001-UP

1шт.

24

04065-05020

RING

SN: 4001-UP

1шт.

25

0

SPACER

SN: 4001-UP

2шт.

Выбрано товаров: 30