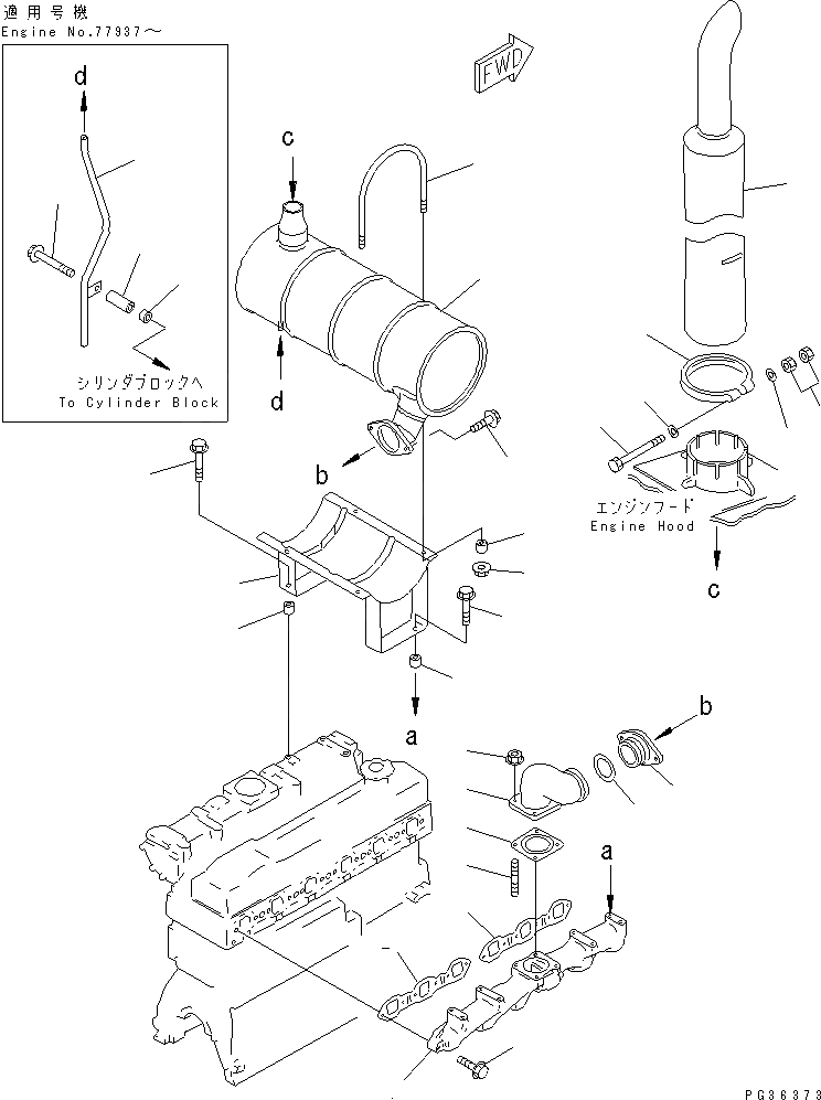
Запчасти Komatsu 6D95L-1PP ВЫПУСКНОЙ КОЛЛЕКТОР И ГЛУШИТЕЛЬ(№-) ГОЛОВКА ЦИЛИНДРОВ

Схема запчастей Komatsu 6D95L-1PP - ВЫПУСКНОЙ КОЛЛЕКТОР И ГЛУШИТЕЛЬ(№-) ГОЛОВКА ЦИЛИНДРОВ
1
2
2
3
4
5
6
7
8
9
10
11
12
13
14
15
16
17
18
19
20
21
22
23
24
25
26
27
28
28
1
2
2
3
4
5
6
7
8
9
10
11
12
13
14
15
16
17
18
19
20
21
22
23
24
25
26
27
28
28
FIT
1:1
100%

Артикул

Название

Примечание

Количество

1

6206-11-5110

MANIFOLD,EXHAUST

SN: 41613-UP

1шт.

2

6207-11-5810

GASKET (K1)

SN: 65879-UP

2шт.

|2

0

GASKET

SN: 61697-65878

2шт.

|2

6206-11-5811

GASKET (K1)

SN: 41613-61696

2шт.

3

01435-01045

BOLT

SN: 41613-UP

12шт.

4

6206-11-5640

PIPE

SN: 41613-UP

1шт.

5

6130-12-5580

GASKET (K1)

SN: 41613-UP

1шт.

6

01140-61025

STUD

SN: 41613-UP

4шт.

7

6142-12-5850

NUT

SN: 41613-UP

4шт.

8

6207-11-5640

CONNECTOR

SN: 41613-UP

1шт.

9

6207-11-5380

RING,SEAL

SN: 41613-UP

1шт.

10

01435-20825

BOLT

SN: 41613-UP

2шт.

11

6206-11-5241

MUFFLER

SN: 41613-UP

1шт.

12

6207-11-5690

BRACKET

SN: 41613-UP

1шт.

13

6206-11-5941

SPACER

SN: 41613-UP

2шт.

14

01435-01030

BOLT

SN: 41613-UP

2шт.

15

6144-81-6680

SPACER

SN: 41613-UP

2шт.

16

01435-21045

BOLT

SN: 41613-UP

2шт.

17

6206-11-5980

U-BOLT

SN: 41613-UP

2шт.

18

6141-64-2560

SPACER

SN: 41613-UP

4шт.

19

01584-00806

NUT

SN: 41613-UP

4шт.

20

6206-11-5420

TUBE

SN: 77937-UP

1шт.

21

6136-11-5120

SPACER

SN: 77937-UP

1шт.

22

21T-72-14930

BOSS

SN: 77937-UP

1шт.

23

01435-01095

BOLT

SN: 77937-UP

1шт.

24

6136-11-5740

PIPE,EXHAUST

SN: 41613-UP

1шт.

25

6114-11-5910

CLAMP

SN: 41613-UP

1шт.

26

6114-11-5920

BOLT

SN: 41613-UP

1шт.

27

01582-01411

NUT

SN: 41613-UP

2шт.

28

01640-21426

WASHER

SN: 41613-UP

2шт.

1

6206-11-5110

MANIFOLD,EXHAUST

SN: 41613-UP

1шт.

2

6207-11-5810

GASKET (K1)

SN: 65879-UP

2шт.

|2

0

GASKET

SN: 61697-65878

2шт.

|2

6206-11-5811

GASKET (K1)

SN: 41613-61696

2шт.

3

01435-01045

BOLT

SN: 41613-UP

12шт.

4

6206-11-5640

PIPE

SN: 41613-UP

1шт.

5

6130-12-5580

GASKET (K1)

SN: 41613-UP

1шт.

6

01140-61025

STUD

SN: 41613-UP

4шт.

7

6142-12-5850

NUT

SN: 41613-UP

4шт.

8

6207-11-5640

CONNECTOR

SN: 41613-UP

1шт.

9

6207-11-5380

RING,SEAL

SN: 41613-UP

1шт.

10

01435-20825

BOLT

SN: 41613-UP

2шт.

11

6206-11-5241

MUFFLER

SN: 41613-UP

1шт.

12

6207-11-5690

BRACKET

SN: 41613-UP

1шт.

13

6206-11-5941

SPACER

SN: 41613-UP

2шт.

14

01435-01030

BOLT

SN: 41613-UP

2шт.

15

6144-81-6680

SPACER

SN: 41613-UP

2шт.

16

01435-21045

BOLT

SN: 41613-UP

2шт.

17

6206-11-5980

U-BOLT

SN: 41613-UP

2шт.

18

6141-64-2560

SPACER

SN: 41613-UP

4шт.

19

01584-00806

NUT

SN: 41613-UP

4шт.

20

6206-11-5420

TUBE

SN: 77937-UP

1шт.

21

6136-11-5120

SPACER

SN: 77937-UP

1шт.

22

21T-72-14930

BOSS

SN: 77937-UP

1шт.

23

01435-01095

BOLT

SN: 77937-UP

1шт.

24

6136-11-5740

PIPE,EXHAUST

SN: 41613-UP

1шт.

25

6114-11-5910

CLAMP

SN: 41613-UP

1шт.

26

6114-11-5920

BOLT

SN: 41613-UP

1шт.

27

01582-01411

NUT

SN: 41613-UP

2шт.

28

01640-21426

WASHER

SN: 41613-UP

2шт.

Выбрано товаров: 60