Запчасти Komatsu GD355A-3 КАБИНА ОПЕРАТОРА (КРЕПЛЕНИЕ ОСН. КОНСТРУКЦИИING ЧАСТИ) (VISCUSКРЕПЛЕНИЕ ТИП) РАМА И ЧАСТИ КОРПУСА

Схема запчастей Komatsu GD355A-3 - КАБИНА ОПЕРАТОРА (КРЕПЛЕНИЕ ОСН. КОНСТРУКЦИИING ЧАСТИ)       (VISCUSКРЕПЛЕНИЕ ТИП) РАМА И ЧАСТИ КОРПУСА
1
1
2
2
3
3
4
5
6
7
8
9
10
10
10
11
11
11
12
12
12
13
13
13
14
14
14
15
15
15
16
16
16
17
17
17
18
FIT
1:1
100%

Артикул

Название

Примечание

Количество

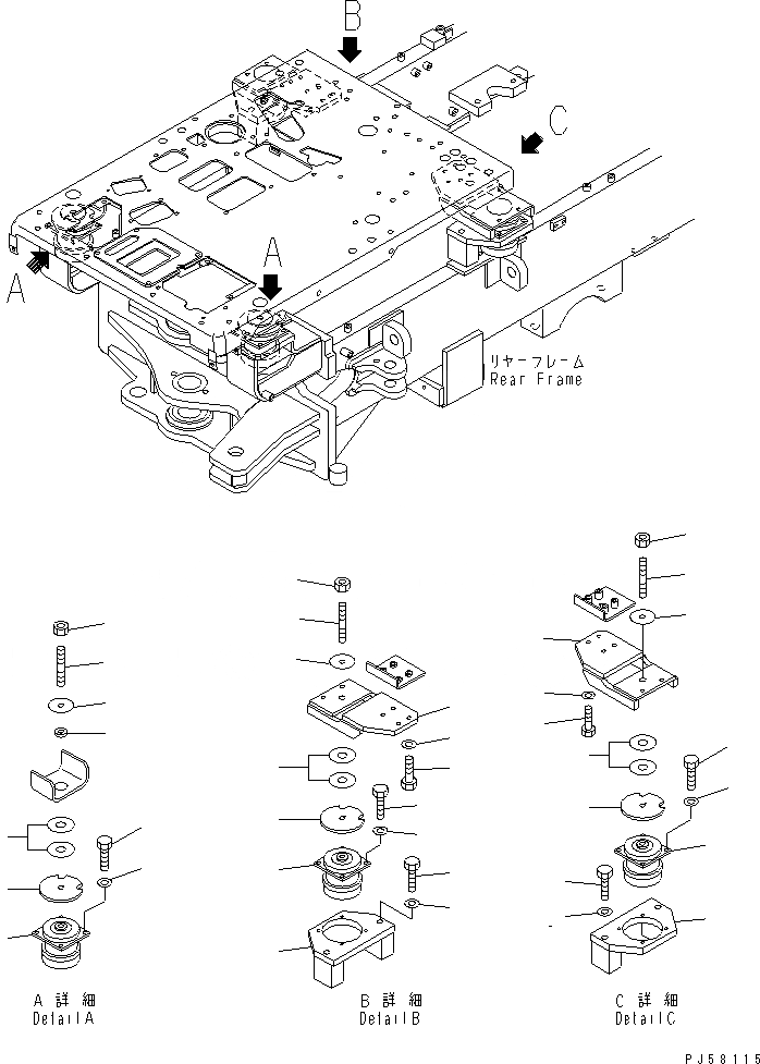
1

23E-54-31360

BRACKET

SN: 7001-UP

2шт.

2

01010-81625

BOLT

SN: 7001-UP

4шт.

3

01643-31645

WASHER

SN: 7001-UP

4шт.

4

23E-54-31310

BRACKET,L.H.

SN: 7001-UP

1шт.

5

01010-81060

BOLT

SN: 7001-UP

4шт.

6

01643-31032

WASHER

SN: 7001-UP

4шт.

7

23E-54-31320

BRACKET,R.H.

SN: 7001-UP

1шт.

8

01010-81030

BOLT

SN: 7001-UP

4шт.

9

01643-31032

WASHER

SN: 7001-UP

4шт.

10

237-01-00020

SHIM ASS'Y

SN: 7001-UP

1шт.

|10

0

SHIM¤ 0.2MM

SN: 7001-UP

3шт.

|10

0

SHIM¤ 0.5MM

SN: 7001-UP

3шт.

11

234-54-11480

PLATE

SN: 7001-UP

4шт.

12

01580-11613

NUT

SN: 7001-UP

4шт.

13

01124-51645

STUD

SN: 7001-UP

4шт.

14

234-54-51430

PLATE

SN: 7001-UP

4шт.

15

14X-54-17550

VISCOUS MOUNT

SN: 7001-UP

4шт.

16

01010-81030

BOLT

SN: 7001-UP

16шт.

17

01643-31032

WASHER

SN: 7001-UP

16шт.

18

234-54-51470

COLLAR

SN: 7001-UP

2шт.

Выбрано товаров: 20