Запчасти Komatsu GD355A-3 ГИДРАВЛ УПРАВЛЯЮЩ. КЛАПАН¤ ПРАВ. (3-Х СЕКЦИОНН.) (/) ГИДРАВЛИКА

Схема запчастей Komatsu GD355A-3 - ГИДРАВЛ УПРАВЛЯЮЩ. КЛАПАН¤ ПРАВ. (3-Х СЕКЦИОНН.) (/) ГИДРАВЛИКА
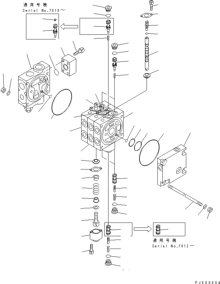
1
2
2
2
3
4
5
5
6
7
8
9
10
11
12
12
13
13
14
15
16
17
18
18
19
20
20
21
22
23
24
24
25
25
26
27
28
29
29
29A
29B
30
30
31
31
31A
32
32
33
33
34
34
34
34
35
35
35
35
FIT
1:1
100%

Артикул

Название

Примечание

Количество

|1

723-13-11203

CONTROL VALVE

SN: 7018-UP

1шт.

|1

0

CONTROL VALVE

SN: 7012-7017

1шт.

|1

0

CONTROL VALVE

SN: 7007-7011

1шт.

|1

0

CONTROL VALVE

SN: 7001-7006

1шт.

|$$5

THESE ASSEMBLIES CONSIST OF ALL PARTS SHOWN IN FIGS.6211 AND 6212.

-1шт.

1

0

BODY,VALVE

SN: 7001-UP

1шт.

2

0

BLOCK,VALVE

SN: 7001-UP

3шт.

3

0

COVER,VALVE

SN: 7001-UP

1шт.

4

723-11-18420

BLOCK

SN: 7001-UP

1шт.

5

07000-12100

O-RING

SN: 7001-UP

4шт.

6

07000-11008

O-RING

SN: 7001-UP

1шт.

7

723-11-19110

O-RING

SN: 7001-UP

3шт.

8

723-11-19150

RING

SN: 7001-UP

3шт.

9

07000-11007

O-RING

SN: 7001-UP

3шт.

10

723-11-18430

O-RING

SN: 7001-UP

1шт.

11

709-33-11510

STUD

SN: 7001-UP

4шт.

12

01580-10806

NUT

SN: 7001-UP

8шт.

13

01643-50823

WASHER

SN: 7001-UP

8шт.

14

01252-60830

BOLT

SN: 7001-UP

4шт.

15

0

SPOOL

SN: 7012-UP

1шт.

|15

0

SPOOL

SN: 7001-7011

1шт.

16

0

SPOOL

SN: 7001-UP

1шт.

17

0

SPOOL

SN: 7001-UP

1шт.

18

723-11-17110

PLUG

SN: 7001-UP

2шт.

19

07002-10823

O-RING

SN: 7001-UP

2шт.

20

723-11-17280

RETAINER

SN: 7001-UP

6шт.

21

723-11-17810

SPRING

SN: 7001-UP

3шт.

22

723-11-17150

WASHER

SN: 7001-UP

3шт.

23

01252-60610

BOLT

SN: 7001-UP

3шт.

24

723-11-17130

PLATE

SN: 7001-UP

6шт.

25

709-32-11530

SEAL

SN: 7001-UP

6шт.

26

723-11-17930

CASE,SPRING

SN: 7007-UP

3шт.

|26

723-11-17160

CASE,SPRING

SN: 7001-7006

3шт.

27

01252-60640

BOLT

SN: 7001-UP

6шт.

28

01252-60610

BOLT

SN: 7001-UP

6шт.

29

0

VALVE

SN: 7018-UP

2шт.

|29

0

VALVE

SN: 7001-7017

3шт.

29A

0

VALVE

SN: 7018-UP

1шт.

29B

0

ORIFICE

SN: 7018-UP

1шт.

30

723-11-15130

SPRING

SN: 7001-UP

3шт.

31

0

VALVE

SN: 7012-UP

2шт.

|31

0

VALVE

SN: 7001-7011

3шт.

31A

0

VALVE

SN: 7012-UP

1шт.

32

0

PISTON

SN: 7001-UP

3шт.

33

723-11-16130

SPRING

SN: 7001-UP

3шт.

34

723-11-15110

PLUG

SN: 7001-UP

6шт.

35

07002-11623

O-RING

SN: 7001-UP

6шт.

Выбрано товаров: 47